电脑桌面
添加小米粒文库到电脑桌面
安装后可以在桌面快捷访问

山东省项目配建停车场标准VIP免费

山东省项目配建停车场标准_第1页
1/7
山东省项目配建停车场标准_第2页
2/7
山东省项目配建停车场标准_第3页
3/7
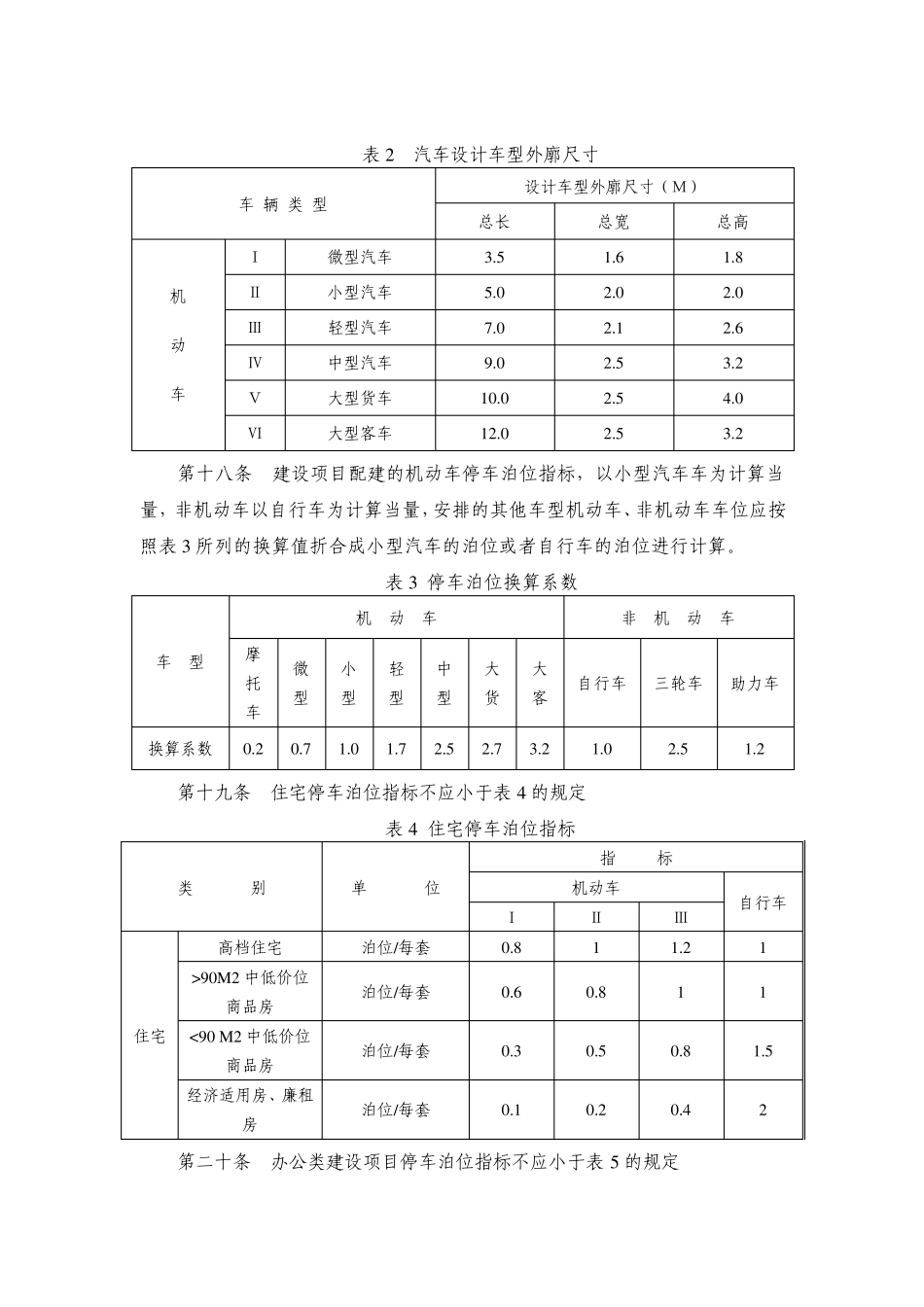
山东省建设项目配建停车泊位设置标准 1 总则 第一条 为加强山东省停车场(库)设施的规划管理,合理确定我省各类建设项目的配建停车泊位标准,根据有关规定,结合当前工作实际,制定本标准。 第二条 本标准适用于本省大、中、小城市的新建、改建、扩建的公共建筑、居住类建筑及其他建设项目配建机动车停车泊位的规划管理。 第三条 建设项目配建停车泊位是指提供本建设项目车辆停放以及以本建设项目为目的的外来车辆停放的专用场所。 第四条 建设项目配建停车泊位可采用多种形式,其设计在满足本标准要求的同时,必须符合国家现行的有关设计标准和规范要求。 2 一般规定 第五条 本标准配建停车泊位指标针对不同的区域采用幅度指标系体,以便各城市结合实际情况作具体确定,规划管理区域划分如下:一般的Ⅰ类区域指大城市的中心区、大城市重要地段;Ⅱ类区域指中等城市中心区、大城市边缘地区;Ⅲ类区域指小城市、中等城市边缘地区。 第六条 建筑面积大于 300平方米(含 300平方米)的建设项目,应按本标准的有关要求设置停车设施;建筑面积小于 300平方米的建设项目,可不单独配建停车设施。 第七条 扩建、改建的建设项目总建筑面积大于 300平方米(含 300平方米)的,其建筑面积增加部分按本标准的有关要求配建停车设施,原建筑配建停车设施不足的应在改、扩建的同时按车位差额数的 20%—30%予以补建。 第八条 建设项目停车泊位配建标准按建筑类别进行划分,配建停车泊位的数量,根据建设项目所处区域、所属类别的配建指标和建筑面积(不含配建停车泊位自身建筑面积)计算确定,计算出的泊位数不足 1个的按 1个泊位计算。 第九条 混合性质建设项目的配建停车泊位位设置标准应分别与相关性质功能的规模对应,配建停车泊位总数应按照各种用途及其建设规模分别计算后进行累计。 第十条 建设项目配建的停车设施原则上设置在其用地范围内,严禁占用规划批准为绿地和道路的部分设置停车泊位。统一规划建设的建筑群,各建筑物配建停车设施的设置标准必须与其规模、性质相对应。在符合本标准规定的配建停车设施总指标的前提下,可统一安排,合理布置。 第十一条 建筑项目配建的停车设施可采用地下车库、立体停车楼(库)、地面停车等多种形式,地面停车泊位数一般不应超过总泊位数的 20%。每一个小型汽车停车泊位应按 20--25 平方米集中安排用地,并设置专用停车场和通道,不得在建筑物间任意设置和占用出入口通道设...

1、当您付费下载文档后,您只拥有了使用权限,并不意味着购买了版权,文档只能用于自身使用,不得用于其他商业用途(如 [转卖]进行直接盈利或[编辑后售卖]进行间接盈利)。
2、本站所有内容均由合作方或网友上传,本站不对文档的完整性、权威性及其观点立场正确性做任何保证或承诺!文档内容仅供研究参考,付费前请自行鉴别。
3、如文档内容存在违规,或者侵犯商业秘密、侵犯著作权等,请点击“违规举报”。

碎片内容

山东省项目配建停车场标准

小辰8+ 关注
实名认证
内容提供者

出售各种资料和文档

确认删除?
VIP
微信客服
  • 扫码咨询
会员Q群
  • 会员专属群点击这里加入QQ群
客服邮箱
回到顶部