第 1 页精品文档---下载后可任意编辑考研大纲发布前需熟知的两大常识 1、考研大纲有哪些? 全国硕士讨论生入学统一考试各科考试大纲,详...
简历营销必备的两大版本 范文 做简历的目的是什么?说白了,营销自己,让你的买家对你产生购置欲望。: 在职场上,求职者就好比人才商品,怎么...
小升初满分作文两大绝招 考场作文要创新,要出彩,切忌反复过去,切忌反复他人。只有创新才能出奇制胜,只有出彩才能感染和吸引阅卷者拿高...
精品文档---下载后可任意编辑两大法系证据制度比较论何家弘 姚永吉内容提要: 在近几年的司法改革进程中,证据制度的探讨与改革是颇受关注...
第 3 页精品文档---下载后可任意编辑SAT 词汇复习两大弯路1. 抄写自虐 每当遇到一个新单词的时候,很多的同学,尤其是较用功的同学,...
精品文档---下载后可任意编辑亚洲两大经济体:中日的经济合作与一体化开题报告一、选题背景与意义中日两国是亚洲地区的两大经济体,作为亚...
两大法系诉讼模式的比较及我国的选择 王利明 发布时间:2006-10-25 【字体:大 中 小】 一、两大法系诉讼模式的比较 在两大法系,诉...
14 船 艇 Ships & Yachts ·第302期 ·8·2008MAN B&W和Wartsila是世界船用柴油机的两大著名品牌。在世界船用低速机市场,MANB&W品...
三大运河两大角之-----巴拿马运河 浪迹天涯 在世界航海上,有一种习惯的说法,即在航海生涯中,没有经过三大运河和两大角,不能算作是真...
下载后可任意编辑新课改的两大绊脚石:新课改新课改的两大绊脚石 洛阳市教育局直属第十一小学 黄会利 (洛阳市瀍河区利民东街 60 号 ...
下载后可任意编辑在线辅导两大模式大 PK,读书郎和学而思如何选择?在线辅导两大模式大 PK,读书郎和学而思如何选择 在线辅导两大模式大...
下载后可任意编辑危化品有效监管的两大保障1.完善制度、标准 根据《危险化学品安全管理条例》,危化品安全管理的内容不仅包括《危险货物...
考研政治(马克思主义中国化两大理论成果)试卷总分:•,做题时间:分钟一、单项选择题总题数:,分数:单项选择题。下列每题给出的四个选...
空气净化器净化技术:两大流派,各有利弊-电气论文空气净化器净化技术:两大流派,各有利弊本刊记者 赵秋玥随着中国空气净化器行业快速发...
下载后可任意编辑案例探讨警惕绩效考核两大陷阱模板12024 年 4 月 19 日下载后可任意编辑案例探讨: 警惕绩效考核两大陷阱 销售任务...
1 (1)争取民族独立和人民解放; (2)实现国家富强和人民富裕 近代中国是一个半殖民地半封建国家,外无民族独立,内无民主制度;经济...
下载后可任意编辑我们人事制度改革中的两大败笔1下载后可任意编辑我们人事制度改革中的两大败笔中国的人事制度改革, 实际上是见仁见智; ...
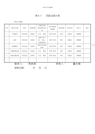
下载后可任意编辑表 B.3 风险点统计表单位:化验室 序号风险点名称类型区域位置可能发生的事故类型及后果现有风险控制措施管控层级责任单...
下载后可任意编辑多伦至丰宁铁路线建设工程施工项目III标段梁家营 3#和牛圈子隧道测量方案 编制人: 审核人: 监理: 中铁十六局多丰铁路...
下载后可任意编辑两大人文社科期刊数据库——龙源期刊网与博看网的比较讨论李志明( 九江学院图书馆 九江 33 ) 文 摘 本文从收录情况...

