8 3 0 数字万用表原理、组装与调试 5 .1 实践目的 830 数字万用表是一种 LCD 数字显示多功能、多量程的 3 1/2 位便携式电工仪...
Sinumerik 828D 单元目标: 在您完成本单元的学习之后,能够安装维护和调试Sinumerik 828D机床所必需的调试工具。 单元描述: 欲将Si...
Sinumerik 828D SINUMERIK 828D 第 1 页 B 068 调试顺序 单元描述: Sinu merik 828D CNC控制系统是为了中等机床刀具市场而...
1. 检查接线,PP72/48 的地址拨码,MCP地址拨码开关 PP72/48 PN S1: ON:1,4,9,10 MCP:S2: ON:7,9,10 2. 上电总清 3. 设置口令...
802D简明调试指南
-----W ORD 格式--可编辑--专业资料----- --完整版学习资料分享---- 调 试 报 告 表E3-1 编号: 工程名称 ×××××废水处理工...
(完整)安装调试方案安装调试方案1)、如果此项目中标,公司将成立专门项目组负责该项目的具体实施。具体分工如下:分工总经理技术管理(控制...
安装调试方案1)、如果此项目中标,公司将成立专门项目组负责该项目的具体实施。具体分工如下:分工总经理技术管理(控制)技术管理(工艺...
安装调试及维修售后服务售后服务集团标准化工作小组 [Q8QX9QT-X8QQB8Q8-NQ8QJ8-M8QMN]安装调试及维修售后服务售后服务计划第一点 售后服...
此文档下载后即可编辑密级:内部公开文档编号:xx_PA_TEMP_AZTSBG版 本 号:V1.0安装调试报告xx 有限公司编制:xx生效日期:审核:EPG批...
安川变频器 676GL5-IP 调试手册及参数说明安川 676GL5-IP 变频器配欣达同步主机的控制柜调试说明一、按键说明:DRIVE/PRGM 键:进入或...
安川 L7B 变频器驱动同步电机调试说明一、变频器参数的设定方法:1、变频器操作器上共有 11 个按键:(1)LOCAL/REMOTE本地与远程控制...
宁夏省 2017 年上半年数控机床维修调试考试题一、单项选择题(共 25 题,每题 2 分,每题的备选项中,只有 1 个事最符合题意)1、...
宁夏省 2016 年数控机床维修调试考试题一、单项选择题(共 25 题,每题 2 分,每题的备选项中,只有 1 个事最符合题意)1、游标卡...
宁夏省 2015 年数控机床维修调试考试试卷一、单项选择题(共 25 题,每题 2 分,每题的备选项中,只有 1 个事最符合题意)1、5t ...
1/27一、编制说明本方案适用于屋顶光伏发电项目安装工程中电气安装工程各设备的调试试验。主要包括:汇流箱、逆变器、真空断路器、避雷器、...
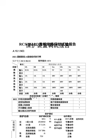
保护装置调试报告RCS-9611C 微机线路保护试验报告.4.10.1.NO:10kV 酒都剧场 1# 进线柜 试验日期保护型式 RCS-9611C试验模数变换系统...
750变频器调试操作步骤
0 、 进入指令调试的方法 1) 安装px4_toolchain_installer_v05_win.exe,这是编程与监控统一安装包。 2) 使用USB 连接飞控,等待...
珠江水泥有限公司余热发电工程 7.5MW 汽轮机机组整套启动调试方案 编制: 审核: 批准: 南京凯盛开能 出版日期2007 年9 月 版次...

