多功能水泵控制阀
第三节排水设备该矿为斜井开拓, 采用一级排水, 在副斜井底部 +842m 标高布置主副水仓并建立水泵房集中排水,在二采区各上山,各运输...
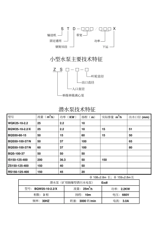
小型水泵主要技术特征潜水泵技术特征型号流量( m3/h)功率( KW )扬程( m)实际排量 m3/h 出水口径 (mm) WQK25-10-2.2 25 2.2...
加强型MBR膜组件及水泵、风机、加药选型
给水泵效率试验方案第 1 页共 8 页项目负责人:试验人员:编写:方案日期:初审:审核:批准:给水泵效率试验方案第 2 页共 8 页目...
下载后可任意编辑上半年海南省化工工程师基础水泵选型的一般步骤试题下载后可任意编辑 上半年海南省化工工程师基础:水泵选型的一般步骤试...
四川华神物业管理有限公司专用表格消防水泵(季度)保养记录表单位:年月日设备名称:型号:编号:作业员:检查:保养项目:作业记录:外观...
消防水泵接合器及室外消火栓安装工程检验批质量验收记录表鲁 SN— 057单位(子单位)工程名称分部(子分部)工程名称验收部位施工单位项...
什么是水泵控制柜 水泵控制柜简介 时间:2010-08-12 11:01来源:未知 作者:admin 点击: 107次 水泵控制柜产品概述: 水泵控制柜是充...
什么是水泵、水泵基本构造、基本原理 水泵的分类 按工作原理分: 1.容积式泵 靠工作部件的运动造成工作容积周期性地增大和缩小而吸排液...
中央空调系统水泵变频节能改造方案 一、概述 中央空调系统在现代企业及生活环境改善方面极为普遍,而且某此生活环境或生产工序中是属必须...
汽油机水泵使用说明一、 安全规定1. 使用前,务必在曲轴箱内加入指定机油。2. 发动机运转时严禁加注汽油。3. 消声器排气口附近禁止放置...
汽油机水泵使用说明一、 安全规定1. 使用前,务必在曲轴箱内加入指定机油。2. 发动机运转时严禁加注汽油。3. 消声器排气口附近禁止放置...
1张家口发电厂第七届职工技能竞赛理论试卷职工技能竞赛理论试卷题号一二三四合计统分人得分注意事项: 1. 答卷前将装订线左边的项目填写...
浅谈汽动给水泵推力轴承烧损的原因及处理摘要: 针对超临界机组汽动给水泵发生的推力轴承烧损的问题,从汽动给水泵的联轴器配合、推力轴承润...
Q/ XFDQ/XFD-10912-2010河北兴泰发电有限责任公司质量、环境、职业健康安全一体化管理体系文件汽动给水泵 A 级检修作业指导书(DG600---...
Ⅴ标潜水排污泵采购技术条款1 机械设备技术要求1.1 潜水排污泵1.1.1 总述本节规定了潜水排污泵的设计、制造、工厂试验的技术要求。总则...
1 / 9 大型设备安装1、设备概况(分布及数量)2、吊装环境分析及运输方式确定3、设备安装前期准备及注意事项4、设备进场运输路线及协调...
井 下 水 泵 房 远 程 监 控 系 统工 作 情 况2013 年 7 月 1 日2 井 下 水 泵 房 远 程 监 控 系 统工 作...
仅供参考 [整理 ] 第 1 页 共 4 页安全管理文书水泵运行操作规程日期: __________________单位: __________________仅供参考 ...


