《时间序列》练习题及解答 一、单项选择题 从下列各题所给的 4 个备选答案中选出 1 个正确答案,并将其编号(A、B、C、D)填入题干后...
第八章刚体的平面运动习题解答
- 1 - 习 题 5 -1 如图5-13 所示,偏心轮半径为R,绕轴O 转动,转角t ( 为常量),偏心距eOC ,偏心轮带动顶杆AB...
第五章 时序逻辑电路 习题解答 注:1. 用EDA 软件(例如Mu ltisim/EWB)可以帮助解题。凡加注了“★”的题,可以用用该类软件求解;凡...
海洋生态学课后习题 第一章 生态系统及其功能 1. 生态系统概念所强调的核心思想是什么? 生态系统是指一定时间和空间范围内,生物群落...
第八册给排水、燃气工程定额编制说明 一、编制依据 2 0 0 8 年《海南省安装工程综合定额》常用册第八册是在 2 0 0 0 年《全国统...
第一章习题解 1-1第一章习 题 解 答基本题1-1 有一混合气体,总压为 150Pa,其中 N2 和 H2 的体积分数分别为 0.25 和0.75, ...
浙江大学历年微积分试卷解答级数
1 诚信考试 沉着应考 杜绝违纪 浙江大学2008–2009学年春学期 《 随机过程》课程期末考试试卷 开课学院: 理学院 ,考试形式: ...
安康学院电子与信息工程系——数字电子技术习题解答 学校内部学习参考资料,请勿外传! 电子教研室 w qc328@126.com 2010 年 第1 ...
安康学院电子与信息工程系——数字电子技术习题解答 学校内部学习参考资料,请勿外传! 电子教研室 w qc328@126.com 2009 年 第1 ...
《数据结构》 考研真题及解答目 录 2009 年试题 ...................................................................................
- I - 数 据 结 构 ( Java 版 ) 习 题 解 答 与 实 验 指 导 目录 第1 章 绪论 ···············...
第九章 数据库安全性习题解答和解析 1. 1. 什么是数据库的安全性? 答:数据库的安全性是指保护数据库以防止不合法的使用所造成的数据...
1 数学物理方法习题解答 一、复变函数部分习题解答 第一章习题解答 1、证明Re z 在 z 平面上处处不可导。 证明:令Re zuiv。...
一 、 单 项 选 择 题 1. 用 粒 径 级 配 曲 线 法 表 示 土 样 的 颗 粒 组 成 情 况 时 , 若 曲 线 ...
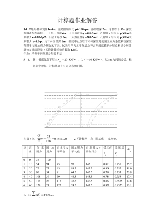
计算题作业解答 5-1 某矩形基础宽度b=4m,基底附加压力p0=100kpa,基础埋深2m,地表以下12m 深度范围内存在两层土,上层土厚度6m,土天...
土力学第二版习题解答(第一、二章)(试用版)
第 2 章正弦交流电路习题解答64 习题2.1 电流π10sin 100π3it,问它的三要素各为多少?在交流电路中,有两个负载,已知它们的电压分...
1 智能控制题目及解答第一章 绪论 作业作业内容1. 什么是智能、智能系统、智能控制?2. 智能控制系统有哪几种类型,各自的特点是什...

