冲压自动化生产线工序间过渡系统优化设计
丰田 的 自 工 序 完 结 ——成为领导者的 工 作方法 佐 佐 木 真 一 前言 日本的 工 作方法必须改革的 时代已经来临 ...
1 家装各工序施工工艺标准第 1 章管道施工工艺1-1 施工前的准备:1-1-1 熟悉居室的布局情况,特别是厨房、卫生间的分布位臵、排水位臵...
888888888888888家具有限公司作业指导书汇编(OLO/JS— 01) 版本:A 编制:生产计划部审核:批准:受控状态:分发编号:8888 年 8 月...
甲方: E 酒店傢具有限公司乙方: XX 身份证号码: XX 为了包装工序的按时、保质、保量的顺利完成,甲方将包装作业工序交由乙方负责...
工序操作要点质量/公差要求检查工具面油1.先将上工序交来的产品检查一遍,是否磨平,补色是否到位,有无砂痕,槽位是否平直,有无爆纸脱边...
室内装饰施工流程及工序室内装饰施工进度及流程室内装饰施工工艺流程共有以下几个流程:一、地面工程施工工艺流程二、木工工程施工工艺流程...
教工中心预埋件安装报验申请表工程名称:教工中心加层三、四层致:(监理单位)我单位已完成了教工中心 预埋件安装 工作,现报上该工程报...
CA6140 法兰盘夹具设计目录序言 21 零件的分析 21.1 零件的作用 21 。 2 零件的工艺分析 22 工艺规程设计 22 。 1 确定毛坯...
瓦屋面施工工序工艺一、施工工序:屋面结构预埋筋 T 屋面找补 T 屋面保温层施工 T 屋面找平层施工 T 屋面防水层施工 T 天沟、过水...
机械才|口工工艺过程卡「片产品型号零件图号U-I——1—乙XLLT 王下产品名称零件名称共页第页材料牌号45毛坯种类圆棒料毛坯外形尺寸0X每毛...
第四节、工序衔接措施 一、施工总体部署 1、确定施工总体部署的依据为: (1)按照本工程施工的总体要求,根据本工程的施工难点及重点,...
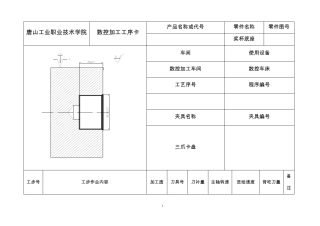
1 唐 山 工 业 职 业 技 术 学 院 数 控 加 工 工 序 卡 产 品 名 称 或 代 号 零 件 名 称 零 件 图 号...
工业涂装工序大气污染物排放标准DB33_21462018
机械加工工序卡 产品名称 产品图号 第 1 页 零件名称 圆柱齿轮 零件图号 共 13 页 车间 工序号 工序名称 材料牌号 1 铸造...
认 识 高 层 住宅楼各施工工序内容及措施 工程由地下一层商铺,地上2 栋33 层标准层住宅成。 建筑面积:总计55253.72m2。 建筑总...
重庆机电职业技术学院机械加工工序卡片产品型号零件图号产品名称自动变速器零件名称星轮共9 页 第1 页6765车间工序号工序名称材 料 牌...
机械加工过程卡片产品型号B6050-11 零(部)件图号TDJL-01 共( 14)页产品名称推动架零(部)件名称推动架第( 1)页材料牌号HT200 ...
PCB工序设备产能估算
标题: 编号:0841-05-003 全板电镀工作指示 版本: D 页数: 18 Elec & Eltek 产能手册 (ME 部门) 文件编号:10641-Process-...

