野人沟尾矿库工程排洪隧洞工程施工方案审 批:审 核:编 制:中十冶集团有限公司洋县钒钛磁铁矿有限责任公司野人沟尾矿库工程项目经理部...
隧洞喷锚支护施工技术交底一、初期支护施工 隧洞旳初期支护根据地质状况旳不一样采纳不一样旳支护措施:四类岩石段采纳全断面挂网喷锚支护...
湖北省鄂北地区水资源配置工程 2025 年第 13 标段余家沟渡槽~霞家河暗涵施工(桩号:258+490~264+230)合同编号:EBSZY/JZAZ 2025-1...
四川 XX 县 XX 河水电站项目引水隧洞工程监理安全管理细则编制单位:甘肃 XX 工程监理咨询有限公司 XXXX 河水电站监理部二零一二年...
武汉市 黄陂区 蔡榨镇红岗山引水隧洞工程可行性讨论报告目 录工程特性表1 综合说明1.1 项目背景1.2 项目可研报告编制依据1.3 工程概...
目 录第一章 导流洞的水力算…………………………………………………………………………2第一节 洞身水力计算………………………………...
目 录一 、 投 标 人 对 招 标 文 件 要 求 的响 应 性 内 容 的 承 诺二 、 施 工 组 织 设 计( 一 ) 项 ...
第一节 编制说明1 编制依据(1)XXXX 供水隧洞维修加固及田面渠系配套工程招标文件与图纸等。(2)国家及部门现行得施工技术法律规范与...
目 录第 1 章工程综合说明..........................................................................................................
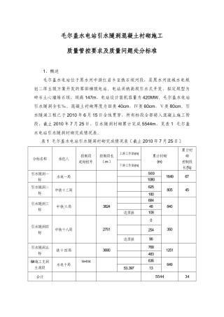
毛尔盖水电站引水隧洞混凝土衬砌施工质量管控要求及质量问题处分标准1、概述毛尔盖水电站位于黑水河中游红岩乡至俄石坝河段,是黑水河流域...
关于隧洞施工中的问题分析与探讨关于隧洞施工中的问题分析与探讨 摘要:本文主要从隧道施工包含的隧洞进出口边坡支护、隧洞的开挖支护、隧...
3.4.5 隧洞混凝土浇筑3.4.5.1 施工工艺3.4.5.2 施工方法1、隧洞洞脸混凝土施工(1)首先将开挖好的坡面由人工清理达到设计要求,经验收合...
目 录一 、 编 制 目 的 ........................................................................... 2二 、 编 制 依 据...
施表 14 施工技术方案报审表工程名称:甘洛县玉田电站工程 合同:编号土建 B 标 NO:四水【2025】技 02 号致:葛洲坝集团项目管理...
○○二 一 年四月一、本细那么根据:〔1〕、2024 年 12 月 7 签定的?康定前溪水电站工程建立总承包协议书?〔以下简称协议〕;〔2〕...
毛家河水电站引水隧洞工程危险作业区域专项平安技术交底记录(平安交底 2024】04) 合同名称:毛家河水电站引水隧洞工程施工合同合同编:MJ...
水工隧洞工程施工监理施行细那么 一、总那么:1.1 本细那么适用于江西铅山高店水库导流隧洞及引水隧洞的开挖衬砌工程。1.2 本细那么的编...
水工隧洞工程施工监理施行细那么 一、总那么(1) 本细那么编制根据;1)工程施工合同、质量监理合同。2)SDJ212-43?水工建筑物地下开挖...
河南明珠工程理 HENAN PMKING PROJECT MANAGEMENT CO.,LTD 新华喀什齐热哈塔尔水电站 水工隧洞土建工程施工监理施行细那么 (编:MZ...
水工隧洞土建工程施工监理施行细那么一、总 那么1.1 本细那么根据工程承建合同〔以下简称"合同"或"合同"〕以及 SDJ212-43?水工建筑物地...

