复方乙酰水杨酸片 工 艺 规 程 山西信谊制药有限公司 质量保证部 二 O O 二年 复方阿司匹林片工艺规程 山西·上海信谊制药有限...
大 盘 直 径 φ2200 乙 酰 丙 酮 钙 盘 式 干 燥 机 乙 酰 丙 酮 钙 为 白 色 粉 末 , 有 特 征 性 气 味...
1 一种新的,用乙酰甲胆碱和过敏源进行支气管激发试验的潮汐式呼吸法 引言 支气管激发试验是一种有价值的和被广泛应用的技术,不仅被用...
阿卡宁衍生物合成产物中乙酰胆碱酯酶抑制剂的筛选左娜娜 马志玲*(中山大学化学学院分析化学研究所,广州,510275)摘要 本文以合成得到的...
北京化工大学 化学工程学院设计说明书题目:年产 500 吨乙酰柠檬酸三丁酯工艺设计学生:班级:学号:指导教师:2016 年元月目 录第一...
Celanese (Nanjing) Acetyl Derivatives Co. Ltd.Everclear Project MEI Installation Works塞拉尼斯(南京)乙酰衍生物有限公司E...
去乙酰毛花苷注射液【药品名称】通用名:去乙酰毛花苷注射液英文名: Deslanoside Injection 汉语拼音: Quyixian Maohuagan Zhsheye...
北京化工大学 化学工程学院设计说明书题目:年产 500 吨乙酰柠檬酸三丁酯工艺设计学生:班级:学号:指导教师:2016 年元月目 录第一...
•乙酰螺旋霉素简介•乙酰螺旋霉素的药理学目录•乙酰螺旋霉素的临床应用CONTENTS•乙酰螺旋霉素的副作用与注意事项•乙酰螺旋霉素与其他药...
乙酰胆碱的量效曲线与药物PD2PA2的测定护理课件•乙酰胆碱的量效曲线•药物PD2PA2的测定•护理在药物PD2PA2测定中的应用•药物PD2PA2与乙酰...
1/10在线答疑:wyuchemygm@126.comfusl@gdou.edu.cn大学通用化学实验技术乙酰苯胺的重结晶及熔点的测定实验4乙酰苯胺的重结晶及熔点的测定4...
2011届浙江科技学院文献综述(论文)1浙江科技学院文献综述论文题目乙酰苯胺的应用学院生化学院专业制药工程班级制药(专升本)111姓名陈晓...
实验七乙酰苯胺A乙酰苯胺的制备一.实验目的1.以乙酸和苯胺为原料合成乙酰苯胺。2.乙酰苯胺粗品用水重结晶法得到纯品。3.掌握分馏柱除水...
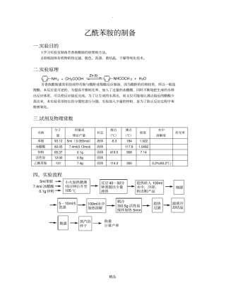
.精品乙酰苯胺的制备一.实验目的1.学习实验室制备芳香族酰胺的原理和方法。2.训练固体有机物的热过滤、脱色、洗涤、重结晶、干燥等纯化技术...
乙酰苯胺的制备一、实验目的1.掌握苯胺乙酰化的原理和方法,2.掌握重结晶提纯固体有机化合物的原理和方法。二、实验原理乙酰苯胺的用途:乙...
乙酰苯胺的制备一.实验目的1.以乙酸和苯胺为原料合成乙酰苯胺。2.乙酰苯胺粗品用水重结晶法得到纯品。3.掌握分馏柱除水的原理及方法。...
.精品阿司匹林――乙酰水杨酸的制备与纯化一、实验目的1、学习利用酚类的酰化反应制备乙酰水杨酸(acetylsalicylicacid)的原理和制备方法...
.精品乙酰水杨酸的制备一、实验目的1.能运用已学知识查阅相关资料及工具书,熟悉实验原理。2.能独立设计实验方案(包括实验方法、主要仪器及...
精品文档。1欢迎下载有机化学实验报告学院化学化工学院班级12化师姓名学号成绩实验日期指导老师实验题目乙酰乙酸乙酯的制备一实验目的1、学...
有机化学设计性实验报告实验名称:乙酰乙酸乙酯在合成上的应用学院:药学系专业:12级制药工程指导教师:杨武德老师组长:王晓天2012521103...

