电脑桌面
添加小米粒文库到电脑桌面
安装后可以在桌面快捷访问

乙酰苯胺的制备和重结晶VIP免费

乙酰苯胺的制备和重结晶_第1页
1/5
乙酰苯胺的制备和重结晶_第2页
2/5
乙酰苯胺的制备和重结晶_第3页
3/5
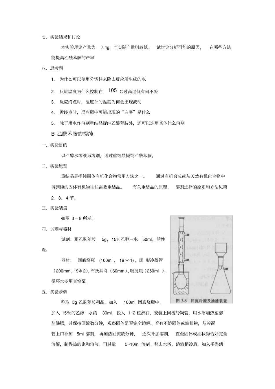
实验七乙酰苯胺A乙酰苯胺的制备一.实验目的1.以乙酸和苯胺为原料合成乙酰苯胺。2.乙酰苯胺粗品用水重结晶法得到纯品。3.掌握分馏柱除水的原理及方法。二.实验原理乙酰苯胺为无色晶体,具有退热镇痛作用,是较早使用的解热镇痛药,有“退热冰”之称。乙酰苯胺可由苯胺与乙酰化试剂如:乙酰氯、乙酐或乙酸等直接作用来制备。反应活性是乙酰氯>乙酐>乙酸。由于乙酰氯和乙酐的价格较贵,本实验选用乙酸作为乙酰化试剂。反应如下:乙酸与苯胺的反应速率较慢,且反应是可逆的,为了提高乙酰苯胺的产率,一般采用冰乙酸过量的方法,同时利用分馏柱将反应中生成的水从平衡中移去。由于苯胺易氧化,加入少量锌粉,防止苯胺在反应过程中氧化。乙酰苯胺本身是重要的药物,而且是磺胺类药物合成中重要的中间体。本实验除了在合成上的意义外,还有保护芳环上氨基的作用。由于芳环上的氨基易氧化,通常先将其乙酰化,然后再在芳环上接上所需基团,再利用酰胺能水解成胺的性质,恢复氨基。如:三.实验装置如图3-7。四.试剂与器材试剂:苯胺5.1g(5ml、,冰醋酸8.9g、,锌粉,活性炭。器材:锥形瓶(50或100ml,19*1),维氏分馏柱(200mm,19*3)接受管(19*1),锥形瓶(50ml),温度计(360C)。烧杯(250或400ml),布氏漏斗(60mm),吸滤瓶(250ml),气流烘干器。五.实验步骤在50ml锥形瓶(磨口)中,加入5ml苯胺和冰乙酸,再用骨匙约0.2g锌粉。如图3-7安装好实验装置。在石棉网上用小火加热至反应物沸腾。调节火焰,使分馏柱温度控制在105C左右。反应进行约40min后,反应所生成的水基本蒸出。当温度计的读数不断下降或上、下波动时(或反应器中出现白雾),则反应达到终点,即可停止加热。在烧杯中加入100ml冷水(也可用乙醇,见本实验B),将反应液趁热以细流倒入水中,边倒边不断搅拌,此时有细粒状固体析出。冷却后抽滤,并用少量冷水洗涤固体,得到白色或带黄色的乙酰苯胺粗品。粗产品加入100ml水,加热至沸腾。观察是否有未溶解的油状物,如有则补加水,直到油珠全溶。稍冷后,加入少量活性炭,并煮沸10min。期间将布氏漏斗和吸滤瓶在水浴中加热。趁热过滤除去活性炭。滤液倒入一热的烧杯。自然冷却至室温,抽滤、洗涤、烘干,得白色片状结晶,产量约4g,熔点114.3C。六.注意事项1.反应所用玻璃仪器必须干燥。2.久置的苯胺因为氧化而颜色较深,最好使用新蒸馏过的苯胺。3.冰乙酸在室温较低时凝结成冰状固体(凝固点16.6C),可将试剂瓶置于热水浴中加热熔化后量取。4.锌粉的作用是防止苯胺氧化,只要少量即可。加得过多,会出现不溶于水的氢氧化锌。5.反应时间至少30min。否则反应可能不完全而影响产率。6.反应时分馏温度不能太高,以免大量乙酸蒸出而降低产率。7.重结晶时,热过滤是关键一步。布氏漏斗和吸滤瓶一定要预热。滤纸大小要合适,抽滤过程要快,避免产品在布氏漏斗中结晶。8.重结晶过程中,晶体可能不析出,可用玻棒摩烧杯壁或加入晶种使晶体析出。七.实验结果和讨论本实验理论产量为7.4g,而实际产量则较低。试讨论分析可能的原因,在哪些方法能提高乙酰苯胺的产率八.思考题1.为什么可以使用分馏柱来除去反应所生成的水2.反应温度为什么控制在105C过高过低有何不妥3.反应终点时,温度计的温度为何会出现波动4.近终点时,反应瓶中可能出现的“白雾”是什么5.除了用水作溶剂重结晶提纯乙酸苯胺外,还可以选用其他什么溶剂B乙酰苯胺的提纯一.实验目的以乙醇水溶液为溶剂,通过重结晶提纯乙酰苯胺。二.实验原理重结晶是提纯固体有机化合物常用方法之一。通过有机合成或从天然有机化合物中得到纯的固体有机物往往需要重结晶。有关重结晶的原理、溶剂选择的原则和方法见第2.3.4节。三.实验装置如图3-8所示。四.试剂与器材试剂:粗乙酰苯胺5g,15%乙醇-水50ml,活性炭。器材:圆底烧瓶(100ml,19*1),球形冷凝管(200mm,19*2),布氏漏斗(60mm),吸滤瓶(250ml),循环水多用真空泵。五.实验步骤称取5g乙酰苯胺粗品,加入100ml圆底烧瓶中,加入15%的乙醇-水约30ml,投入1~2粒沸石,安装上回流冷凝管,用水浴加热至溶剂沸腾,并保持回...

1、当您付费下载文档后,您只拥有了使用权限,并不意味着购买了版权,文档只能用于自身使用,不得用于其他商业用途(如 [转卖]进行直接盈利或[编辑后售卖]进行间接盈利)。
2、本站所有内容均由合作方或网友上传,本站不对文档的完整性、权威性及其观点立场正确性做任何保证或承诺!文档内容仅供研究参考,付费前请自行鉴别。
3、如文档内容存在违规,或者侵犯商业秘密、侵犯著作权等,请点击“违规举报”。

碎片内容

乙酰苯胺的制备和重结晶

文库响当当+ 关注
实名认证
内容提供者

该用户很懒,什么也没介绍

确认删除?
VIP
微信客服
  • 扫码咨询
会员Q群
  • 会员专属群点击这里加入QQ群
客服邮箱
回到顶部