电学实验的创新设计近年来理科综合试卷中的物理实验被放在一个显著的“”位置,试题本着来源于教材而又不拘泥于教材的原则,从不同内容、不...
初中物理总复习----电1.下列实验操作符合实验目的的是()A.甲图研究杠杆平衡时,通过改变动力(臂>和阻力(臂)多次测量,是为了减小实验...
H部——电学本部目录(参见及附注省略)H01基本电气元件H01B电缆;导体;绝缘体;导电、绝缘或介电材料的选择H01C电阻器H01F磁体;电感;变压...
电学与原子物理学选择题押题练(一)1.如图所示,在真空空间中的M、N处存在两个被固定的、电荷量相同的正点电荷,在它们连线所在的直线上...
电学与原子物理学选择题押题练(四)1.已知核反应方程Th→Pa+X+ΔE(ΔE为释放出的核能,X为新生成粒子),Th的半衰期为T,下列有关说法正...
电学与原子物理学选择题押题练(三)1.如图所示,电场中一带正电的粒子在点电荷+Q形成的电场中以某一初速度沿直线从A点运动到B点,粒子在A...
电学与原子物理学选择题押题练(二)1.如图所示,一个带电荷量为-Q的点电荷甲,固定在绝缘水平面上的O点。另一个带电荷量为+q、质量为m...
专题13电学实验【知识点梳理】“”一、测定金属的电阻率实验原理及过程1.实验原理:根据电阻定律公式得出LSR,实验中用刻度尺测出金属...
考点13电学实验1.(2011·江苏物理·T11)某同学利用如图所示的实电路来测量电阻的阻值。(1)将电阻箱接入a、b之间,闭合开关。适当调节滑动...
电学实验1.为了测量一微安表头A的内阻,某同学设计了如图所示的电路.图中,A0是标准电流表,R0和RN分别是滑动变阻器和电阻箱,S和S1分别...
电学实验专项训练(时间:45分钟满分:100分)1.(16分)(2019·天津卷)测定长金属丝的电阻率。(1)某次用螺旋测微器测量金属丝直径的结果如图所示...
(四)电学部分高考前选择题强化训练1、来自质子源的质子(初速度为零),经一直线加速器加速,形成电流为I的细柱形质子流。已知质子源与靶...
预测题型2电学发展创新实验1.(2015·安徽皖东三校5月联考)根据伏安法,由10V电源、0~15V电压表、0~10mA电流表等器材,连接成测量较大阻...
第10题电学实验预测题型1电学基础实验1.(2015·临沂二模)某同学从家里的废旧收音机上拆下一电学元件,其上标注“2.5V1.5W”的字样,为描绘...
专题三第3讲电学中的曲线运动1.(2015·河南八市模拟)如图1所示,含有大量H、H、He的粒子流无初速度进入某一加速电场,然后沿平行金属板中...
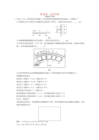
第12讲电学实验专题提升训练1.(2015·中山二模)某同学在测量一均匀新材料制成的圆柱体的电阻R0,步骤如下:(1)用游标为20分度的卡尺测量其...
专题限时集训(十一)[第11讲电学实验](时间:40分钟)1.用多用电表的欧姆挡测量阻值约为几百欧的电阻Rx.(1)实验中所用多用电表有×1、×10、...
第3节电学中仪器的使用及基本电路的选择实验十:长度的测量及其测量工具的选用【典题例析】(2019·广州调研)(1)如图所示的三把游标卡尺,它...
电学实验与创新1.(2018·高考全国卷Ⅱ)某同学组装一个多用电表.可选用的器材有:微安表头(量程100μA,内阻900Ω);电阻箱R1(阻值范围0~...
2012中考物理知识点总结一、电荷1、带了电(荷):摩擦过的物体有了吸引物体的轻小物体的性质,我们就说物体带了电。轻小物体指碎纸屑、头发...

