电学实验专题训练1、2、3、4、5、6、7、8、9、10、11、12、13、14、15、如图 21 所示,是小明和小丽分别用来“探究电流一定时,电流产生...
电学选择题集粹 1.如图 3-1 所示,有一金属箔验电器,起初金属箔闭合,当带正电的棒靠近验电器上部的金属板时,金属箔张开.在这个状...
电学元件伏安特性测量基科 22 张家琳 022565一、实验目的1、 了解分压器电路的调节特性;2、 掌握测量伏安特性的基本方法、线路特点以...
4、力得正交分解:F x=F c osβ,F y=F s inβ(β 为合力与 x 轴之间得夹角 tgβ=Fy/Fx)3、电场力做功:W a b=qU a ...
电学综合测试题及答案学校:___________姓名:___________班级:___________考号:___________一、选择题(题型注释)1.下列各组材料中,都...
电学知识点(整理)(一)《电流和电路》一、电流1、形成:电荷的定向移动形成电流 注:该处电荷是自由电荷。对金属来讲是自由电子定向移...
高三物理周考试题高三上学期 月 日 1.测量一块量程已知得电压表得内阻,器材如下:A.待测电压表(量程 3V,内阻约3KΩ)一块 B.电流表(量程...
高考物理一轮复习学案:电学实验总复习一、实验仪器的读数高考要求会正确使用的电学仪器有:电流表、电压表、多用电表、滑动变阻器、电阻箱...
力学、电学、电磁场、电磁感应知识的综合题备考策略主标题:力学、电学、电磁场、电磁感应知识的综合题备考策略副标题:剖析考点规律,明确...
电学实验基础知识梳理考点一 电流表、电压表的读数及改装1.两种电表的读数方法电流表电压表符号参数量程:0~0.6 A,0~3 A内阻:小于...
电学实验基础知识梳理突破一 实验仪器的原理和使用考向 1 游标卡尺的原理和使用1.构造:如图所示,主尺、游标尺(主尺和游标尺上各有一个...
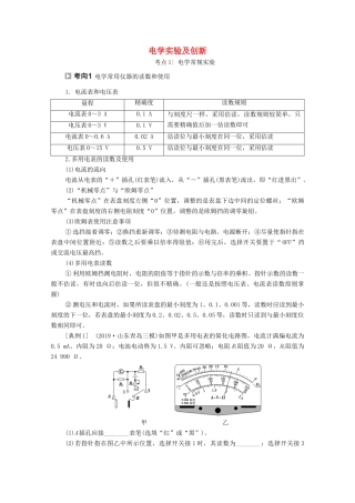
电学实验及创新考点 1| 电学常规实验 电学常用仪器的读数和使用1.电流表和电压表量程精确度读数规则电流表 0~3 A0.1 A与刻度尺一样...
专题 17 电学实验高考物理试题中,实验是必考内容,且近年来越来越受到重视.高考实验题除了对教材原有学生实验进行考查外,还把考查内容...
专题 15 电学实验高考物理试题中,实验是必考内容,且近年来越来越受到重视.高考实验题除了对教材原有学生实验进行考查外,还把考查内容...
第 6 板块 电学实验题第 26 讲 常考实验学法指导 高考对电学实验的考查,主要有以下五个基本实验:①测定金属的电阻率;②描绘小电...
第 5 板块 电学计算题第 23 讲 电磁感应的动力学和能量问题是历年高考的热点和难点。考查的题型既有选择,又有计算,特别是高考试卷...
第 4 板块 电学与原子物理学选择题第 14 讲 电场的性质包含电场力的性质和电场能的性质。描述电场性质的物理量较多,对这些概念和规...
§X 2.3 欧姆定律 电阻定律 焦耳定律 【学习目标】1、了解线形元件和非线形元件;了解焦耳定律在生活、生产中的应用。2、通过实验经历...
第二部分 电学与原子物理学第 1 讲 ┄┄┄┄┄┄┄┄┄┄┄┄┄┄┄┄┄┄┄┄┄┄┄┄┄┄┄┄┄┄┄┄┄┄┄┄┄┄┄考法学法根据近...
专题训练 分析电路(1)1、热敏电阻广泛应用于控制电路中,其阻值会随环境温度得改变而改变、图 21 甲中,电源电压 U =6 V,A 是小量...

