华能武汉发电有限责任公司管理制度 HWHZD-G-05-13 合理化建议奖励评审实施办法 2010-02-01 发布 2010-02-01 实施 华能武汉发电有限...
合同评审管理办法 编号:RS--GF—08—07-01 第一章 总则 第一条 为确保公司经济(商务)合同的合法性、有效性、可行性,规范合同评审...
广州礼客隆商贸发展有限公司 创新 进取 和谐 共赢 合同评审流程 1 、合同评审的目的 为了维护公司利益,规避法律及资金风险,保证...
洛阳永宁金铅冶炼有限公司 文件名称: 合同评审和合同管理规定 编号:QW-FD-002 版本:A/0 页次: 1/11 编写: 审核: 批准/日期...
各阶段设计评审内容及文件要求(参考) 目录 1 . 总体概念设计方案...................................................................
ISO9001/14001 实施情况报告 ——报告部门/负责人:总经理 一、 文件制定工作 公司 ISO9001:2015&ISO14001:2015 推行委员会及各部门...
管 理 评 审 部 门 工 作 报 告 — — 生 产 部 为 满 足 顾 客 的 需 求 ,建 立 完 善 的 质 量 保 证 ...
深 圳 市 裕 华 兴 印 刷 制 品 有 限 公司 行政部管理评审报告 1、 自 推 行ISO14001 以 来 , 各 部 门 能 长...
登记号教育科学规划课题申请.评审书课题名称:识记英语单词能力的培养课题主持人:课题承担单位:(公章)课题类别:重点课题研究领域:D ...
- 0 - 关于各单位对公司管理评审 输入材料编写的说明 一、管理评审是对管理体系的评价,是管理体系中最重要的一项活动,各单位应给予...
1 司法鉴定机构资质认定评审准则 1.总则 1.1为贯彻落实《全国人民代表大会常务委员会关于司法鉴定管理问题的决定》, 规范司法鉴定执业...
精品文档---下载后可任意编辑J 省社会科学基金评审制度的公正性讨论的开题报告一、讨论背景和意义社会科学基金是支持社会科学讨论的重要渠...
xx 公 司 双 重 预 防 体系建设年度评审报告 评 审 : 双 体 系 评 审 小 组 编 写 : xxx 审 核 : xxx 审 批...
xx 公 司 2019 年 度 双 重 预 防 体系建设评审报告 评审: 双体系评审小组 编写: 孙启山 审核: xxx 审批: xxx 山东x...
1 # # # # 县第一人民医院 二级甲等综合医院评审标准(2 0 1 2 年版)任务分解 第 一 章 医 院 功 能 任 务 一 、医...
厦门市建设工程施工招标投标 采用经评审最低投标价中标法规定 第一条 为保障我市建设工程施工招标投标采用经评审最低投标价中标法的实施...
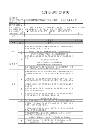
特别提示:责任人负责对全公司范围内使用次要素表产生的任何疑问、建议作出必要反馈维护责任人:维护责任部门:注1:“审查结果”为“否”...
供应商资格评审表(总包)评审时间供应商名称采购类别服务区域范围拟合作项目授权联系人职务联系电话实际承包人联系电话考察项目的项目经理...
工作记录表医院名称:汉中市铁路中心医院组别:药事组科室部门场所访谈要点药剂科西药房(上午)、询问有哪些科室备用了麻醉药品?纪耀菊答...
压力管道安装许可鉴定评审记录 SDTJ/JLJ-YGP-001-01 山东省特种设备检验研究院 第1页 共36页 记录编号:SY-YGP-2011-00 压力管道安装...

