建筑工程测量技能测试评分标准及评分表1、S3水准仪使用站位号___________班级姓名_____________组号___________项目满分标准扣分得分备注扣...
厨师长每月百分考核评分项目考核内容评语记分得分评分标准管理能力40分1、指标完成情况优秀20当月厨房分解指标完成,记20分;完成任务90%以...
煤矿安全质量标准化基本要求及评分方法(试行)第1部分总则一、安全质量标准化煤矿基本条件1.依法开采,证照齐全有效。2.煤矿不应存在以下情...
全国物业管理示范住宅小区标准及评分细则序号标准内容规定分值评分细则一基础管理321、按规划要求建设,住宅及配套设施投入使用1符合1.0,...
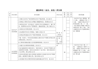
建设单位(业主、总包)评分表序号评分项目评分标准评分方法标准分扣减分实得分查评依据1安全生产责任制度1未建立安全生产责任制和安全生产...
检查评分标准1、检查目的:为了加强本工程项目的管理,提高安全管理、质量控制,落实进度控制,争创“省级文明工地”,达到质量合格工程目...
第1页共11页编号:时间:2021年x月x日书山有路勤为径,学海无涯苦作舟页码:第1页共11页创建“红旗项目部”施工管理评分标准(表1)单位:一...
第1页共68页编号:时间:2021年x月x日书山有路勤为径,学海无涯苦作舟页码:第1页共68页附件2:实际操作项目评分标准1.配电运检团队项目低...
建筑工程施工质量评价标准经办质量监督小组日期二0一0年七月二十日目录1.总则----------------------------------------------------------...
RESERVATIONS预定TOTALSCORE0.0%DATEANDTIME日期和时间:总分StandardsthataredifferentfromHotelIQ,arehighlightedinyellow.STANDARD标准ME...
安全检查评分汇总表受检项目:年月日序号检查项目权数分数得分1日常安全管理25%2分部分项工程安全管理脚手架工程落地式脚手架5%3悬挑式脚手...
第1页共7页编号:时间:2021年x月x日书山有路勤为径,学海无涯苦作舟页码:第1页共7页办公室工作目标责任考核评分细则2008-5-22共性目标考...
建设单位(业主、总包)评分表序号评分项目评分标准评分方法标准分扣减分实得分查评依据1安全生产责任制度1未建立安全生产责任制和安全生产...
建筑施工安全检查评分汇总表企业名称:经济类型:资质等级:单位工程(施工现场)名称建筑面积(m2)结构类型总计得分(满分分值100分)项目名...
建筑施工安全检查评分汇总表表3.0.1企业名称:江苏兴宇建设有限公司南京分公司经济类型:有限公司资质等级:二级单位工程(施工现场)名称建...
建筑工程施工质量评定标准GB/T50375-2006综合评分样张制样人:李柏铨1、地基及桩基工程质量评价表4.2.3施工现场质量保证条件评分表工程名称...
更多资料请访问.(.....)更多企业学院:...../Shop/《中小企业管理全能版》183套讲座+89700份资料...../Shop/40.shtml《总经理、高层管理...
第1页共42页编号:时间:2021年x月x日书山有路勤为径,学海无涯苦作舟页码:第1页共42页长沙市政府采购招标文件政府采购编号:CSCG-XXXX-GK...
国家级绿色餐饮企业评分标准一、基本要求及评定结果(基本要求的内容为必须做到的项目,因此不计分)基本要求自评评审组1、严格遵守相关节...
公路监理抽查及评分资料汇总计算公式分部工程实测得分=×100分部工程得分=分部工程实测得分-外观扣分工程得分=合同段工程质量鉴定得分=合同...

