砌体工程施工要点本工程所有内隔墙采纳蒸压加气混凝土砌块。工艺原理砌体工程是由砖、石、水泥、石灰、砂子等砌筑的砌体结构,能耐久地承受...
砌体工程施工方案本工程砌筑时地下部分为多孔砖,地上部分砌筑时外墙采纳 3 厚加气砼砌块,内隔墙采纳 2 厚加气砼砌块。砌筑期间需要与...
御园金顶商住楼砌体工程施工方案一、 工程概况:临沂有御园金顶商住楼就是一幢集商场、休闲、住宅为一体得高层建筑,地处临沂市沂洲路与金...
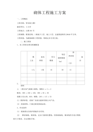
砌体工程施工方案一、工程概况工程名称:管实验大楼)建设单位:工大学工程地点:山路 381 号工程规模:框架结构、1 栋地下 2 层、地上...
砌体工程一、材料准备根据材料需求计划,保证砖、水泥、砂及时供应。砖、水泥应有出厂合格证及复验单,强度等性能应满足设计要求。二、工艺...
体验中心砌体及抹灰施工专项技术方案编制:郑明金审核:编制单位:贵州琼宇建设有限公司多维置业体验中心工程现场项目部编制日期:二 0—六...
目 录一、编制依据 1二、工程概况 2三、施工准备 21、材料准备 22、机具准备 33、劳动力准备 44、现场准备 4四、施工工艺及施工方...
桂鹏世纪城 C 区-19#、20#、21#、22#、23# 楼砌体及植筋施工方案编制人:审核人:审批人:编制单位:广东中信建江工程有限公司编制日期:...
砌体及抹灰工程冬季施工措施一、砌体冬季施工措施1. 砌筑工程的冬期施工宜将砂浆强度等级按常温施工的强度等级提高一级,围护外墙不宜冬期...
砌体工程冬季施工措施1 一般规定 12 外加剂法 13 暖棚法 21 一般规定1.1 冬期施工所用材料应符合下列规定:1)砖、砌块在砌筑前,...
砌体工程实体质量控制3.6 砌体工程3.6.1 砌块质量符合设计和法律规范要求。1. 砌块进场应有产品合格证书、产品性能型式检验报告。2. 砌...
砌体工程专项施工方案工程概况二、编制依据本工程的建筑施工图、建筑详图、结构施工图;《工程建设标准强制性条文》22 年版;《建筑装饰装...
砌体及轻质隔墙工程一、设计做法:本工程地下室采纳 MU 侦普通粘土砖实心、砖,M7.水泥砂浆砌筑。+ 0.以上填充墙采纳 2 厚加气砼块,M...
砌体工程施工方案6.10.1.1 工程简介本工程砌体工程除轻质隔墙外全部采纳轻质陶粒砼空心砌块。6.10.1.2 施工方案根据设计要求,在工程主体...
徐州荣盛花语城一期启安标段砌砖工程施工方案建设单位:徐州荣凯置业有限公司监理单位:徐州市建设工程监理有限公司 设计单位:徐州久鼎工...
烧结多孔砖砌体施工工艺标准1 适用范围适用于非抗震设防区和抗震烈度为 6 度至 9 度地区,以 P 型烧结多孔砖和 M 型模数烧结多孔...
烧结多孔砖砌体施工工艺标准1 适用范围适用于非抗震设防区和抗震烈度为 6 度至 9 度地区,以 P 型烧结多孔砖和 M 型模数烧结多孔...
烧结多孔砖砌体施工工艺标准1 适用范围适用于非抗震设防区与抗震烈度为 6 度至 9 度地区,以 P 型烧结多孔砖与 M 型模数烧结多孔...
灰砂砖砌体工程施工方案XXH 程公司年月曰1-一、工程概况 2二、施工组织机构和人员配备 4三、施工总体部署及流程 6四、施工设备及材料的...
清水砌体勾缝工程施工工艺标准基本规定基本规定(1)设计1)抹灰工程应有施工图、设计说明及其他设计文件。2)承担抹灰工程设计的单位应具...

