如何加强企业内控管理【摘要】加强企业内部管理,建立健全内控制度,是企业自身的需要,也是企业面对市场风险与挑战的需要。企业只有根据自...
大型集团公司内控管理与制度汇编目 录一 总经理办公室制度员工行为准则 6经理办公会议管理制度 Error: Reference source not found...
外发加工及内控管理总 则第一条 为满足客户货期、产品质量,加强对公司物料管理与付款等环节的内部控制,使外发加工业务更符合公司的最大利...
目 录一、 前言.......................................................3二、 参考资料 .............................................
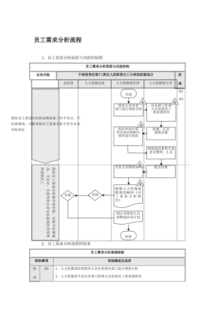
员工需求分析流程1.员工需求分析流程与风险控制图员工需求分析流程与风险控制业务风险不相容责任部门/责任人的职责分工与审批权限划分阶段...
《云南省小额贷款公司内控制度》发布时间:2024-12-06 17:38:43 来源:本站 点击:357 云南省小额贷款公司董事会职责 l、负责召集股...
事业单位内控基础性评价工作总结 本文为事业单位内控基础性评价工作总结,让我们通过以下的文章来学习。 范文一 为贯彻落实省财政厅、监...
事业单位信息化资源与内控业务层面信息化建设 一、事业单位内控业务层面及业务层面信息化概述 1。事业单位内控业务层面概述 事业单位业...
***卫生院内部控制风险评估报告 根据财政部《行政事业单位内部控制法律规范(试行)》和单位《内部控制实施办法》有关规定,我们组织开展...
**中心幼儿园内部控制基础性评价工作总结根据《**县财政局 **县审计局关于全面推行行政事业单 位 内 部 控 制 做 好 基 础 ...
****下一步内控实施工作计划 第一、继续根据内部控制实施工作方案稳步推动,按计划目标完成内部控制体系建设、整改与测评、项目总结与...
财政部会计司综合处处长,内控标准委员会家成员胡兴国中国石油化工股份有限公司信息系统管理部处长姜林 用友公司 NC 产品架构师付建华女...
安全内控管理制度安全内控管理制度一、以改革为动力,推进公司内部各项管理制度的创新国内保险业经过近几年的快速发展,在公司业务发展战略...
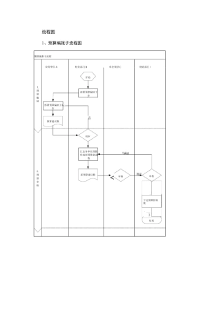
流程图1、预算编报子流程图开始1预算编制否预算建议数初审2.部预算建议数预<审核算审核结束预算编报子流程业务单位 A财务部门 B单位领导...
医院财务内控制度LOGOHENsystemofficeroom[HEN16H-HENS2AHENS8Q8-HENH1688]医院财务会计内控制度(草案)一、总则1、为了保证医院财务会计...
银行内控达标年工作总结 银行内控达标年工作总结 银行内控达标年工作的进行能使银行的工作质量以及工作风气得到很好的提升。下面银行内控...
银行内控总结 xxxx 年以来,结合个人金融业务特点,我部着重在相关业务品种的业务流程整合、相关制度建设、业务和政策学习等方面加强了管...
银行内控达标年学习活动总结第一篇:银行内控达标年学习活动总结 为进一步强化全员内控意识,不断提升德安县支行机构内控管理水平。10 月...
银行内控经理年终工作总结(精选 5 篇) 篇一:银行内控经理年终工作总结 自 20xx 年总行开展内部控制综合评价以来,我行十分重视内部...
银行内控管理心得体会精彩 作为银行的工作人员,要加强案件防控及整改,保证整改工作落到实处,提高效劳的力量。下面是我为大家整理的银行...

