下载后可任意编辑双排钢管脚手架施工方案(包括落地和悬挑)一:编制依据1.《建筑施工扣件式钢管脚手架安全技术法律规范》JGJ130-20242.《建...
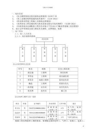
下载后可任意编辑双排钢管脚手架搭设施工方案一、 工程概况: 汇银·上元项目一期 13、15、16、17、18、19、20 栋住宅楼,位于佛山市禅...
某 工 程 双 排 扣 件 式 钢 管 落 地脚 手 架施工方案广西建工集团第二建筑工程有限责任公司下载后可任意编辑目录1 编制依...
下载后可任意编辑双排钢管脚手架搭设施工组织设计一、材质的要求 钢管应使用直径 φ48 壁厚 3.5mm 的无锈蚀、弯曲变形、压扁、裂缝的...
下载后可任意编辑双排钢管脚手架施工方案一、工程概况:本工程位于**************,面积*********(其中地下室****)建筑总高*****其中:地...
下载后可任意编辑1编制依据《建筑施工扣件式钢管脚手架》(JGJ130-2001 ,2024年版);《建筑施工安全检查标准》(JGJ59-99 );《建筑施...
下载后可任意编辑压力钢管安装施工方案来源:中华园林网 发布日期:2024-06-02 浏览次数: 15568 施工组织设计 施工现场管理制度 施工...
下载后可任意编辑一、编制依据1、 《压力钢管制造安装及验收法律规范》DL5017-932、 《水工金属结构焊接通用技术条件》(SL36-2024)3、...
云南省腾冲县永兴河梯级水电站压力钢管安装施工方案编制: 将 南校核:韩正秀批准:卢金海长委陆水枢纽工程局永兴河电站项目部二〇一四年...
下载后可任意编辑压力钢管安装施工方案时间: 2024 年 10 月 29 日 来源:不详 作者: 佚名 浏览次数: 366 压力钢管安装施工方案...
下载后可任意编辑目 录一 编制依据...................................................................................................
下载后可任意编辑苏建质〔2024〕24 号关于加强施工现场钢管、扣件使用管理的通知 各市、区建设局,苏州高新区建设局、工业园区规划建设局...
下载后可任意编辑人 居 · 锦 尚 春 天 A 区 1 期 项 目 脚手架施工方案编制人: 审核人: 审批人: 人居锦尚春天 A 区...
下载后可任意编辑本页为作品封面,下载后可以自由编辑删除,欢迎下载!!! 精 品文档1【精品 word 文档、可以自由编辑!】关于加强施...
山东兴润建设有限公司 满堂架工程施工方案一、工程概况:肥城市鲁西义乌国际商贸城 C 区一期专业街 A 工程,位于肥城南端,一级路以南...
下载后可任意编辑脚 手 架 工 程 施 工 方 案1、 编 制 依 据1.1施工图纸图 纸 名 称图 纸 内 容工 程 号归 档 日 ...
下载后可任意编辑1、编制说明及编制依据(改完)1.1 编制说明为保证本项目施工过程中脚手架搭设、使用、拆除符合有关法律规范要求,特编制本...
韶关疏解线浈江特大桥系杆拱施工方案1. 编制总说明1.1 编制依据⑴ 1 孔 56m 钢管混凝土系杆拱设计图(赣韶施桥 77-Ⅲ);⑵ 国家及...
普通钢管理论重量表正式版钢管理论重量表单位:Kg/m 壁 厚外 径3 3.5 4 4.5 5 5.5 6 32 2.146 2.460 2.762 3.052 3.329 3....
1 明钢管的管身应力分析及结构设计一、明钢管的荷载明钢管的设计荷载应根据运行条件,通过具体分析确定,一般有以下几种:(1)内水压力。包...

