南郑县汉山大道道路工程水稳层专项施工方案一、 施工前的准备:1、水泥稳定级配碎石混合料路基通过验收后,方可进行水稳层施工,水稳层共二...
水泥稳定碎石层专项施工方案一、工程概况 高平市建设路南延(新华街~南外环)道路工程:北起圪塔村新华街口,桩号为 K0+000,南至南外环,...
施工技术交底记录年月 日 施管表 5工程名称桐城市孔城镇中心大道分部工程路 面分项工程名称水泥稳定碎石基层技术交底交底内容一、材料...
职称评审论文主论文标题:大厚度大宽度水泥稳层碎石一次摊铺质量控制要点姓名:符俊工作单位:中国第四冶金建设有限责任公司云南分公司 大厚...
临 时 通 行 道 路 水 稳 层 施 工 处 理方 案一 、工 程 概 况因 * * * * * 的 施 工 , ** * * 段 ...
XXX 路面改造工程 水稳层施工方案一、铺筑水稳层的目的1、确定碎石的级配;2、根据天气、运输距离、摊铺速度调整含水量,确定水稳层的拌...
施工技术方案申报表(承包[]技案号)合同名称:武汉新港白浒山港区花山码头一期工程跨堤连接道路工程合同编号:致:(监理机构)我方今提...
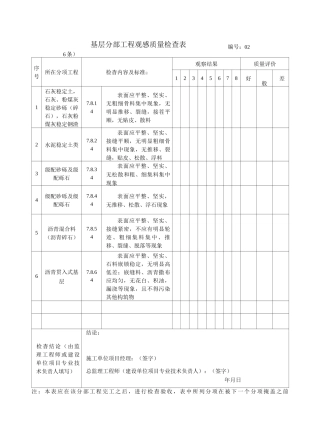
6 条)序号所在分项工程检杳内容及标准①观察结果质量评价12345678好般差1石灰稳定土,石灰、粉煤灰稳定砂砾(碎石),石灰粉煤灰稳定钢渣...
毕节市梨寨路道路工程(官归路)水泥稳定碎石试验段施工总结毕节市梨寨路道路工程总承包项目经理部2012 年 8 月 2 日水泥稳定碎石基层...
沥青路面摊铺碾压承包合同 甲方: 乙方: 一、总则 1 、总合同:甲方与业主签订的合同协议书(除清单外)及招标文件(以下简称总合同...
⽔稳层施⼯⽅案(完整版)⽔泥稳定砂砾施⼯⽅案⼀、⼯程概况⼆、编制依据(⼀)业主提供的设计图纸(⼆)《公路路⾯基层施⼯技术规范》(JT...
浙建监 A5-3 __3%水泥稳定碎石基层__工程报验申请表 工程名称:永嘉县瓯北镇五星路φ1500 污水管整治工程 编号:A5-3 JC-001 致:浙...
水稳层施工技术方案 一、材料 1、原材料 水泥:采用业主统供发42.5级普通硅酸盐水泥,宜采用初凝时间3h以上,终凝时间在6h以上。 粗集...
1 施 工 技 术 交 底 施 工 单 位 名 称 : 南 京 绕 越 高 速 公 路 东 北 段 RY-DB2 标 项 目 部 2012-2-...
技术交底记录 施 工 单 位 : 平 顶 山 中 亚 路 桥 建 设 工 程 有 限 公 司 合 同 号 : G234GJ-01 监 理 ...
WORD 格式 专业资料整理 水稳工艺流程及施工要点 一、施工工艺 工艺流程:施工准备→施工放样→混合料运输→摊铺整形→碾压→接 缝处...
成绵至绵阳高速公路复线项目 水泥稳定碎石试验段施工总结 1 水泥稳定碎石试验段施工总结 一、试验段工程概述 我 项 目 部 于 201...
监 理 实 施 细 则 成都衡泰工程管理有限责任公司 2012 年 7 月 和迎大道道排工程…………………………………水泥稳定碎石层工...
水 泥 稳 定 碎 石 层 专 项 施 工 方 案 一 、 工 程 概 况 高 平 市 建 设 路 南 延 ( 新 华 街 ~南 ...
按路面的厚度、长度、宽度,算出水稳的方量 用方量乘以最大干密度,再乘以压实度,得出总的材料重量 用总材料/(1+灰剂量)=集料用量 集...

