仅供参考 [整理 ] 第 1 页 共 7 页安全管理文书输水管道施工安全注意事项日期: __________________单位: __________________仅...
肯尼亚 MurunyDam 俞水管道施工方案中国江西国际 (肯尼亚 )公司 Muruny Dam项目部2016/2/13第一章管道施工方案说明1、工程概况MURU...
沣西新城应急给水输水管道及深井泵房施工组织设计陕西有色建设有限公司沣西新城应急给水厂项目输水管道及深井泵房工程施工组织设计编制:审...
设计引用流量Q6.2设计水头252洞身纵坡i0.000769231断面型式城门洞型设计糙率n0.014洞口内设计水深h1.61、查表法计算断面尺寸特征流量K223.5...
杭州市第二水源千岛湖配水工程跨分水江、渌渚江区段优化设计施工总承包标段输水隧洞施工 I 标段施工合同进度考核协议合同编号:AC150001Y...
工程计量支付及合同变更管理监理实施细则(编号:HND18/P276-2024-B07)下载后可任意编辑湖南水利水电工程监理承包总公司榆林王圪堵输水工程...
下载后可任意编辑目 录9.1 编制依据及原则第一节 编制依据第二节 编制的相关标准、 法律规范、 规程9.2 工程概况第一节 工程概况...
下载后可任意编辑水电站输水系统设计理论与工程实践12024 年 4 月 19 日下载后可任意编辑水电站输水系统设计与工程实践第二章 水电站...
下载后可任意编辑机械厂厂区内 pe 输水管线施工组织设计12024 年 4 月 19 日下载后可任意编辑莀螇螇芀芆螇衿肃薅袆羁艿蒁袅肄肂莇袄...
下载后可任意编辑惠州市集污输水管道二期工程施工组织设计1下载后可任意编辑第一章 工程概况及招标要求1.1 工程简述惠州市集污输水管道二...
下载后可任意编辑辽宁机械厂厂区内pe 输水管线施工组织设计1下载后可任意编辑莀螇螇芀芆螇衿肃薅袆羁艿蒁袅肄肂莇袄螃芇莃蒀羆肀艿蒀肈莅...
下载后可任意编辑输水管道施工方案12024 年 4 月 19 日下载后可任意编辑肯尼亚 MurunyDam 输水管道施工方案中国江西国际(肯尼亚)公...
下载后可任意编辑输水管道穿越公路顶管施工方案1下载后可任意编辑目 录1.编制说明...................................................11...
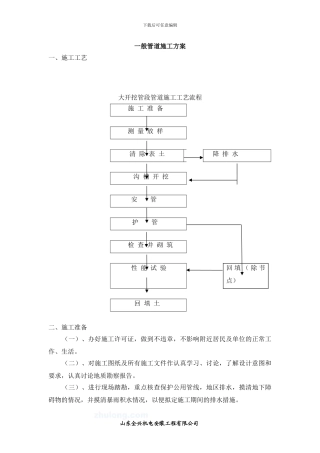
下载后可任意编辑输水管道施工工艺12024 年 4 月 19 日下载后可任意编辑一般管道施工方案一、施工工艺大开挖管段管道施工工艺流程施 ...
下载后可任意编辑输水管道施工安全注意事项一、管道沟槽开挖1、管道沟槽开挖过程中发现管道、电缆及其她埋设物应及时报告,不得擅自解决。2...
下载后可任意编辑输水管线施工组织设计1下载后可任意编辑牡丹江市”三溪”及”六湖”引调水工程——第一标段施 工 组 织 设 计编制单...
下载后可任意编辑输水管道安装施工组织设计12024 年 4 月 19 日下载后可任意编辑第一章 施工组织设计编制说明第一节 工程概况◆ 工...
下载后可任意编辑输水管线施工组织设计12024 年 4 月 19 日下载后可任意编辑牡丹江市“三溪”及“六湖”引调水工程——第一标段施 工...
下载后可任意编辑职工餐厅及澡堂联建工程输水管道改线施工方案最终版1下载后可任意编辑目 录第 一 章 编 制 目 的 与 依 据 …...
下载后可任意编辑 长距离大型输水渠道衬砌施工质量控制摘要:北疆供水工程顶山至三个泉明渠段,渠道距离长,过水断面大,工程所处地理位置...

