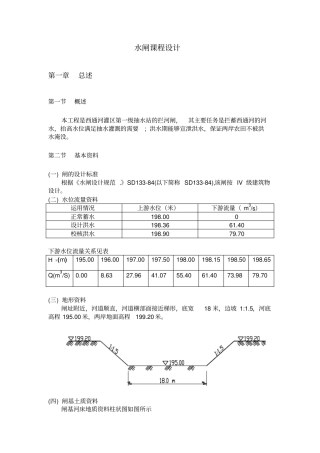
水闸课程设计第一章总述第一节概述本工程是西通河灌区第一级抽水站的拦河闸,其主要任务是拦蓄西通河的河水,抬高水位满足抽水灌溉的需要;...
长春工程学院水闸设计说明书1第一节设计基本资料前进闸建在前进以北的红旗渠上,闸址地理位置见图<一>所示。该闸的主要作用是:(1)防洪。...
水闸毕业设计任务书慈溪市三八江水闸初步设计浙江水利水电专科学校水利工程系二00四年三月1一、毕业设计目的和作用毕业设计是学生在大学期...
第一章总论第一节概述一、工程概况涡河发源于河南省中牟县境内,经开封、通许、尉氏、太康、鹿邑等县,在安徽省与惠济河汇合后流入淮河。汇...
一概述........................................................................................................二建设目标及原则.......
水工建筑物课程设计说明书指导教师:张春娟作者:水利工程27班赵文瑾第1页灌区水闸设计目录:一、设计基本资料二、设计说明书<一>闸址选择<...
第1页共135页编号:时间:2021年x月x日书山有路勤为径,学海无涯苦作舟页码:第1页共135页第一章工程概况一、工程概述本闸位于…………本次...
排水闸稳定及结构计算1.各排水闸概况1.1水文资料根据xx县城堤防总体规划,县城河堤共有5个排水闸,西林河有两个排水闸:xx中学排水闸和老干...
第1页共37页编号:时间:2021年x月x日书山有路勤为径,学海无涯苦作舟页码:第1页共37页施工技术方案报审表(承包[]技案01号)合同名称:...
一、水闸渗透压力计算采用阻力系数法计算某水闸(见图十五)地下轮廓线上的渗透压力,并画出渗透压力分布图(以水柱高度计)。附:电拟试验...
四川农业大学网络教育毕业论文专业水利水电工程学号W320312220511姓名史先河成绩初审意见初审老师签名:评审意见评审老师签名:备注水闸简...
第卷增刊第期水利水电科技进展年月苏州河河口水闸工程综述陈文伟’,汪云祥‘,季永兴“,卢永金“中国水电顾间集团华东勘测设计研究院,浙江杭...
水工建筑物——水闸设计۩组别:第一组۩组长:梁海英(35)۩组员:张秋勇(18)何伟伦(12)钟齐波(8)罗锦波(5)张育明(36)蔡世达(...
-1-1.前言一期枯水主要是泄水闸段固结灌浆。根据设计图纸DHT-4GB-SZ-06固结灌浆孔呈梅花形布置,孔距和排距均为3m,其中第4排与第5排的排距...
1、水利水电工程分等2、拦河闸工程分等3、灌溉、排水泵站工程分等4、引水枢纽工程分等5、永久分级6、大坝分级7、堤防分级8、围堰分级9、洪...
五、项目设计要求(一)确定建筑物外观质量评定工程项目内容1建筑物外部尺寸1.1闸墩长、厚及闸室净宽。1.2闸墩顶面高程及闸室底板顶面高程...
泄洪闸、排污水闸及左岸挡水坝混凝土施工方案1、工程概况1.1工程简介泄洪闸位于左岸挡水坝右侧,闸基挖除覆盖层后建于基岩上,3孔闸室沿坝...
中华人民共和国行业标准SL265-2001水闸设计规范Desidnspecificationforsluice2001-02-28发布2001-04-01实施中华人民共和国水利部发布中华人...
水闸工作桥课程设计设计任务及成果任务:工作桥及刚架设计,包括结构尺寸选择及配筋设计。成果:一号设计图纸一张计算书一本(35页左右)水...
第五章水闸第一节概述引言:水闸是一种低水头的水工建筑物,兼有挡水和泄水的作用,用以调节水位、控制流量,以满足水利事业的各种要求。...

