单电源运放与滤波电路我们经常看到很多非常经典的运算放大器应用图集,但是他们都建立在双电源的基础上,很多时候,电路的设计者必须用单电...
精品文档---下载后可任意编辑基于高速 CMOS D/A 转换器应用的 CMOS 基准源及运放设计的开题报告一、讨论背景及意义随着现代科技的不断...
产品名称型号规格LMLM24JLM148JLM1875TLM224JLM258NLM2901NLM2904NLM301ANLM308NLM311PLM317LLM317TLM317KLM318LM324KLM331NLM336-2.5VLM33...
Hspice二级运放仿真设计
CMOS运算放大器设计报告 班级:微电四班 学号:51070840 姓名:蔡旭浦 设计要求: 电源电压:3.3V,单电源供电 以PMOS 为输入管 负...
CMOS运放的优化设计
canden二级运放OTA详细设计仿真
集成运放基本应用之一—模拟运算电路————————————————————————————————作者:—————————————...
实验报告姓名:学号:日期:成绩 :课程名称模拟电子实验实 验 室 名称模电实验室实验名称集成运放电路同组同学指导老师一、实验目的1...
14.5习题详解14-1 电 路 如 图 14-2 所 示 , 集 成 运 算 放 大 器 输 出 电 压 的 最 大 幅 值 为 ± 12V ...
模拟电子技术课程设计报告书课题名称用两个集成运放所构成交流放大电路的设计姓名谭峰学号1012202*19 院、系、部通信与电子工程学院专业电...
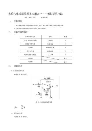
实验八集成运放基本应用之一--模拟运算电路班级:姓名:学号: 2015.12.30 一、 实验目的1、研究由集成运算放大电路组成的比例、加法...
实验八集成运放基本应用之一--模拟运算电路班级:姓名:学号: 2015.12.30 一、 实验目的1、研究由集成运算放大电路组成的比例、加法...
MIT教材运放的正反馈
电子技术课程综合设计 实验报告 一、实验目的 1、熟练掌握各种常用实验仪器的使用方法。 2、熟悉LM324运放的典型参数及应用。 3、掌握...
退耦电容原理 所谓退耦,既防止前后电路网络电流大小变化时,在供电电路中所形成的电流冲动对网络的正常工作产生影响。换言之,退耦电路能...
运放稳定性连载11: 电容性负载稳定性:RISO、高增益及 CF、噪声增益(2) Tin a SPICE 仿真证实了我们的 VOUT/VIN 及 VOA/VIN...
电子设计应用-运放容性负载问题 [ 来源:互联网 点击数:129 更新时间:2006-8-26 ] 18 运算放大器容性负载驱动问题 Grayson Ki...
运放设计实例
运放用芯片 LF147/347 四JFET 输入运算放大器 输入失调电压1mV(LF147)、5mV(LF347);温度漂移10μV/℃;偏置电流50pA 增益带宽 4...

