1水电厂汛期泄洪闸门不能启闭处置方案Q/CDT-******************发电厂发布2021-**-**实施2021-**-**发布水电厂汛期泄洪闸门不能启闭处置方...
大型钢闸门制作安装技术摘要:随着全国沿海城市的快速发展,沿海城市的海湾海域和河流汇入海口处海域的开发也已成为城市发展的焦点,然而海...
北师大版义务教育课程标准实验教科书 八年级上册课件 新文化阵营主要成员 1915 年陈独秀在上海创办《青年杂志》 1916 年改称《新青年...
1 、了解新文化运动的,主阵地,两面大旗,内容。2 、了解新文化运动的代表人物及其主要作品。3 、学习他们勇于创新的精神,客观评价新...
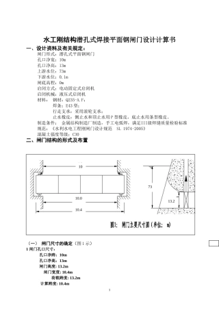
水工刚结构潜孔式焊接平面钢闸门设计计算书一、设计资料及有关规定:闸门形式:潜孔式平面钢闸门孔口净宽:10m孔口净高:13m上游水位:73m...
2015 年全国高等院校工程应用技术教师大赛项目方案设计书参赛项目可编程序控制系统设计及应用赛项编号AS2参赛题目小型水库泄洪闸门启闭机...
第二部分 技术文件设计制造标准我公司的设计制造标准根据国家规范和***招标文件要求如下: 水利水电工程钢闸门制造、安装及验收规范 ...
弧形闸门安装技术措施一、弧形闸门门叶安装(一)弧形闸门门叶安装工艺程序施工准备 f 测量控制点设置 f 支铰整体吊装、调整紧固 f ...
第 9 课 开启思想解放的闸门教学目标基础知识了 解新文化运动兴起的背景、新文化运动中的主要代表人物及其论著掌 握新文化运动兴起的...
我心目中好老师打开我记忆的闸门,许多好老师的形象,涌现在我脑海,其中我心目中最好的老师则是语文靳明华老师。 我为什么说他好,肯定有...
目录一、概述3二、安装方案及方法3三、管理及施工人员配备8四、重要施工设备9五、质量控制10六、安全方法10一、概述鸡头口水闸位于中山市三...
闸门、埋件购销合同合同编号:号供方:订立时间:需方:供需双方遵照平等互利、诚实信用的原则,根据《中华人民共和国合同法》的有关规定、...
闸门运行工试题一、填空题1、油缸的作用是将液体的压力转换为机械能。5、闸门和拦污栅制造安装质量应符合规范规定,并满足工程使用要求。7...
隧洞金属结构安装施工方案XXXXXX有限公司xxxxxx水库项目经理部二0xx年x月1目录第一章工程概况2第二章施工规划3第三章金结安装施工方案编制...
闸门及启闭机的安装工艺1平板闸门安装钢闸门安装程序钢闸门安装程序.埋件安装平板闸门埋件包括底槛、主轨、反轨、侧轨及门楣,采用二期混凝...
学习目标:了解列举陈独秀、胡适等新文化运动的主要代表人物了解新文化运动在中国近代思想解放运动中的地位和作用。——新文化运动《给老师...
打开学生想象的闸门安徽省肥东县张集乡中心学校王丽华邮编231618爱因斯坦曾说:“想象力比知识更重要,因为知识是有限的,而想象力概括着世...
闸门启闭机的运行操作规程闸门启闭机的运行操作1运行前的检查1.卷扬式启闭系统(1)水闸建筑物有无影响机电设备运行的沉陷、裂缝。(2)闸门滑...
6金属结构设计6。3金属结构设计计算6。3.1设计资料(1)闸门型式:露顶式平面钢闸门(2)孔口尺寸(宽x高):6mx3m(3)设计水头:3.16m(4)结构材料...
******水闸重建工程闸门吊装方案******建设工程有限公司第1页共13页目录一、概述.................................................21.1编...

