工业γ 射线探伤放射卫生防护要求 GB 18465-2001 中华人民共和国国家质量检验检疫总局2001-10-22批准 2002-03-01实施 前言 本...
百度文库1 《数射线》的教学设计教学内容:第一册19 页 数射线教学目标:1、认知——认识数射线,知道数射线正方向,有起点(0),有单...
射线评片技听 ( 三) :焊缝未熔合射线底片影像特点时间: 2021.02.02创作:欧阳术2015-04-19 分类:解决方案阅读(1933)评论 (0) 根...
-- - - - 优质资料BDX 系列自动X射线衍射仪实验技术手册〔二〕〔X射线发生器〕- .- .word.zl.北大青鸟仪器设备公司欢送使用大学研...
仅供参考 [整理 ] 第 1 页 共 8 页安全管理文书射线防护的原则、标准和措施日期: __________________单位: __________________...
- 0 - 射线评片技巧目录(一):气孔、夹渣、夹钨射线底片影像特点(二):条形缺陷评片步骤与技巧、条形缺陷综合评级(三):焊缝未熔合射线...
时间:二 O 二一年七月二十九日时间:二 O 二一年七月二十九日射线评片技巧 (三):焊缝未熔合射线底片影像特点之阿布丰王创作时间:二...
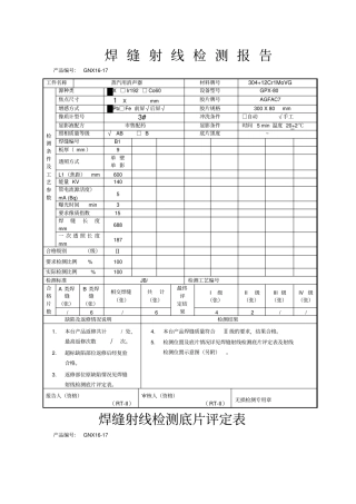
焊 缝 射 线 检 测 报 告产品编号: GNX16-17 工件名称蒸汽用消声器材料牌号304+12Cr1MoVG检测条件及工艺参数源种类□X □ Ir19...
1 / 6 射线装置申报登记表(样表)变更或申报年度: 申报单位详细名称: 北京市公司 (盖章 ) 申报单位法人代码: □□□□□□□□□...
三、问答题4.1 试述射线源的选择原则。4.2 X 射线线质的选择需要考虑哪些因素?4.3 选择透照焦距时应考虑哪些因素?4.4 何谓曝光量?...
检验试验操作规程射线检验操作规程【修改状态1】1 射线检验操作规程1.0 目的制定本规程的目的就是指导射线检验人员正确的进行检验工作, ...
《射线检测》补充教材编写:王学冠中国锅炉压力容器检验协会教育工作委员会二○○四年六月1 第六章射线照相底片的评定6.1 评定的基本要求...
射线检测知识点第一章探伤的基本原理射线探伤的实质是根据被检工件与其内部缺陷介质对射线能量衰减程度不同,而引起射线透过工件后的强度差...
仅供参考 [整理 ] 安全管理文书射线检测作业安全注意事项日期: __________________单位: __________________仅供参考 [整理 ] 第...
第 一 部 分射 线 检 测共:690 题其中: 是非题213 题选择题283 题问答题79 题计算题115 题一、 是非题1.1 原子序数 Z 等...
仅供参考 [整理 ] 第 1 页 共 3 页安全管理文书射线安全防护措施日期: __________________单位: __________________仅供参考 ...
. 精品一、标准中涉及检测技术级别的条款在 JB/T4730.2-2005标准中,规定了射线检测分为三级:A 级——低灵敏度技术; AB 级——中灵...
第十九章 射线探伤作业管理第一节 一般规定第一条 为加强项目建设期间射线探伤作业管理,避免射线意外照射事故的发生,保证施工作业人员...
射线探伤作业指导书1.1 目的为了保证射线检测结果的准确、可靠、编制本细则。1.2 范围本作业指导书适用于金属材料板和管的熔化焊焊接接头...
金属专业——射线检验作业指导书要点第 1 页 共 8 页射线检验作业指导书要点l. 工程概况1.1. 工程概况:主要介绍工程名称、规模、特...

