太子湾DY02-02 项目桩基础工程-钢筋笼吊装方案 太子湾DY02-02 项目桩基础工程 钢筋笼吊装专项方案 编制人: 审核人: 审批人: 深...
1 目 录 第一章、工程施工总体概况 1、技术标准编制依据····················3 2、工程概况··········...
目 录 1. 设计资料..........................................................
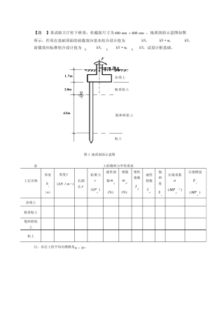
【题1】某试验大厅柱下桩基,柱截面尺寸为mmmm6 0 04 0 0,地质剖面示意图如图1所示,作用在基础顶面的荷载效应基本组合设计值为F =...
基础工程课程设计 1 基础工程课程设计计算书 1 设计资料 1.1 上部结构资料 某办公大楼,该建筑物上部为七层框架结构,柱子截面尺寸...
1 桩基础设计计算书 1、研究地质勘察报告 1.1 地形 拟建建筑场地地势平坦,局部堆有建筑垃圾。 1.2、工程地质条件 自上而下土层一次...
第四章 桩基础的设计和计算 桩基础具有承载力高、稳定性好、沉降变形小、抗震能力强,以及能适应各种复杂地质条件的显著优点,是桥梁工程...
桩基础设计规范
1 桩基础设计框图 2 设计实例 1 . 设计资料 某多层建筑一框架柱截面为m m800400,承担上部结构传来的荷载设计值为: 轴力kN.m280...
1 【桩基础类型说明及适用条件】 1 .定义: 桩基础是深基础应用最多的一种基础形式,它由若干个沉入土中的桩和连接桩顶的承台或承...
【 桩 基 础 类 型 说 明 及 适 用 条 件 】 1 .定 义 : 桩 基 础 是 深 基 础 应 用 最 多 的 一 种...
桩基础的施工工艺 流程 发帖人: wayf 点击率: 5702 人工挖孔桩施工工艺 一、 施工准备: (一)材料及主要机具: 水泥:宜采用 3...
1 桩基础经典习题集 【例题4-1】 某柱下独立建筑桩基,采用400×400mm 预制桩,桩长16m。建筑桩基设计等级为乙级,传至地表的竖向荷载...
66 第3章 桩基础基本知识 木桩和竹桩是最早使用的桩,早在新石器时代,人类便通过打入木桩和竹桩在湖泊和沼泽地搭台作为水上住所,浙江...
桩基础混凝土强度评定应考虑混凝土工艺影响 内容提要: 在分析各相关规范对桩基础混凝土设计要求和检验、验收要求基础上,提出在桩基础混...
工程施工组织设计方案 目 录 第一章 工程概况…………………………………………………………… 0 4 1.1 编制依据……………………...
1 分离式立交桩基础施工方案 一、概 述 1.本合同段主线与贞(丰)册(亨)公路相交,受越岭爬坡高程限制,路线在此位置深挖垭口穿越,...
桩基施工监理实施细则 一、工程概况1、工程名称:北京市朝阳生活垃圾综合处理厂焚烧中心桩基工程2、参建单位建设单位:北京市朝阳生活垃圾...
一、编制依据 1.执行标准及编号 《建筑桩基技术规范 JGJ94-94》 《地基基础工程施工质量验收规范 GB50202--2002》 《载体桩设计规程...
1 预应力管桩试验桩施工方案 一、试验桩概述 1、试验桩目的 根据地质条件、设计桩长、施工条件等,选择有代表性的桩位作为试验桩,通过...

