精品文档---下载后可任意编辑考 试 试 卷课程编号: 课程名称: 《机械设计基础》 试卷类型:A 卷 考试形式:闭卷考试时间:120 ...
精品文档---下载后可任意编辑考 试 试 卷课程编号: 课程名称: 《机械设计基础》 试卷类型:A 卷 考试形式:闭卷考试时间:120 ...
精品文档---下载后可任意编辑一、推断题1、悬挂的小球静止不动是因为小球对绳向下的重力和绳对小球向上的拉力相互抵消的缘故。(×)2、作用...
精品文档---下载后可任意编辑题号一二总分复核人得分得分评分人一、填空题(20 分)1.以齿轮中心为圆心,过节点所作的圆称为圆。2.火车车...
精品文档---下载后可任意编辑一、名词解释1.机械:机器、机械设备和机械工具的统称。 2.机器:是执行机械运动,变换机械运动方式或传递能...
精品文档---下载后可任意编辑※<二>※<三>精品文档---下载后可任意编辑※<四>※<五>※<六>精品文档---下载后可任意编辑※<七>※<八>※<九>...
精品文档---下载后可任意编辑(1)缺少调整垫片;(2)轮毂键槽结构不对;(3)与齿轮处键槽的位置不在同一角度上; (4)键槽处没有局部剖;(5)端...
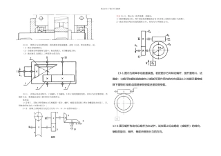
精品文档---下载后可任意编辑一 、选择题: 1 平面高副所受的约束数为A 、1 ; B、2 ; C、 3。 2 铰链四杆机构 ABCD 中,AB...
精品文档---下载后可任意编辑第一章 平面机构的自由度和速度分析1-11-21-31-41-5自由度为:F=3n−(2PL+PH−P' )−F'¿3×7−(2×9+1...
精品文档---下载后可任意编辑§2.1 基本概念构件:运动单元体零件:制造单元体 构件可由一个或几个零件组成。•构件:由一个或几个零件组...
精品文档---下载后可任意编辑1.轴套类零件 这类零件一般有轴、衬套等零件,在视图表达时,只要画出一个基本视图再加上适当的断面图和尺寸...
精品文档---下载后可任意编辑一 、选择题:(每题 2 分,共 20 分)1 平面高副所受的约束数为A 、1 ; B、2 ; C、 3。 2 铰...
精品文档---下载后可任意编辑第一讲: 1.1 本课程的讨论对象、主要内容及任务课题: 本课程的讨论对象 本课程讨论的主要内容 本课程的...
精品文档---下载后可任意编辑实 验 报 告课程名称:精密机械设计基础班 级学 号姓 名实验一 百分表拆装与结构分析一、实验类型:综...
精品文档---下载后可任意编辑一、简答题:1 为什么螺母的螺纹圈数不宜大于 10 圈?大于 10 圈有可能会因为积累螺距误差造成螺丝不通顺...
精品文档---下载后可任意编辑一、填空1.一平面铰链四杆机构的各杆长度分别为 a=350,b=600,c=200,d=700;(1)当取 c 杆为机架时,它为何...
精品文档---下载后可任意编辑一、选择题(每题 1 分)1、两个构件直接接触而形成的 A ,称为运动副。A.可动联接;2、机构具有确定运动...
精品文档---下载后可任意编辑2.一平面铰链四杆机构的各杆长度分别为 a=250,b=500,c=100,d=600;(1)当取 c 杆为机架时,它为何种具体...
精品文档---下载后可任意编辑 图 1.11 题 1-1 解图 图 1.12 题 1-2 解图 图 1.13 题 1-3 解图 图 1.14 题 1-4 解图 1...
精品文档---下载后可任意编辑课程设计题目专业班级 姓名 学号 指导老师河北工程大学科信学院2024.12.30《机械设计基础》课程设计任务...

