课时2气体摩尔体积发展目标体系构建1.根据1mol常见物质体积的有关数据推得物质体积的影响因素,并了解有关规律。培养学生“证据推理与科学...
一、选择题1.第二次世界大战时期,日本曾用氢气球携带燃烧弹轰炸美国,给美国许多地区造成森林大火。日本氢气球借助的风力是()A.东南信风...
2.3抛物线2.3.1抛物线及其标准方程学习目标1.掌握抛物线的定义、标准方程、几何图形.2.会求出抛物线的方程.3.会利用抛物线的定义和标...
综合检测(二)第二章化学反应与能量(时间:60分钟分值:100分)一、选择题(本题包括12小题,每小题5分,共60分)1.下列说法正确的是()①需要...
有机物和有机合成材料教学目标一)知识与技能1.知道无机物与有机物的区别和联系。2.了解常见的简单有机物及有机物的一些特性。3.了解对生命...
材料的利用与发展教学目标1.知识与技能:了解材料的发展与人类文明的关系;了解部分新型材料的性能和使用;通过“用铜制备硫酸铜”的探究...
金属的化学性质教学目标1.区别金属与非金属,列举金属与非金属的主要性质差异(如导电性、导热性、金属光泽、延展性等)2.举例说明常见金属...
大气层教学目标知识目标:1.了解大气层的重要性;了解大气温度垂直分布的特点;2.掌握大气的垂直分布规律;3.能用大气温度垂直分布特点给大...
气温教学目标1、知识与技能①理解天气的概念②知道什么是气温,以及测量和度量气温的常用仪器和方法。③学会测量气温,并了解百叶箱的作用。...
第1节电子的发现与汤姆孙模型[目标定位]1.知道阴极射线是由电子组成的,电子是原子的组成部分.2.了解汤姆孙发现电子的研究方法及蕴含的科学...
学案4匀变速直线运动的规律(二)[学习目标定位]1.会推导速度与位移的关系式,并知道匀变速直线运动的速度与位移的关系式中各物理量的含义.2....
第1节细胞中的元素和化合物[学习目标]1.说出细胞主要由C、H、O、N、P、S等元素构成,它们以碳链为骨架形成复杂的生物大分子。2.检测生物组...
第4课时免疫调节学习目标核心素养1.概述免疫系统的组成及免疫防卫功能。2.分析体液免疫和细胞免疫的过程。3.关注艾滋病的流行和预防及其...
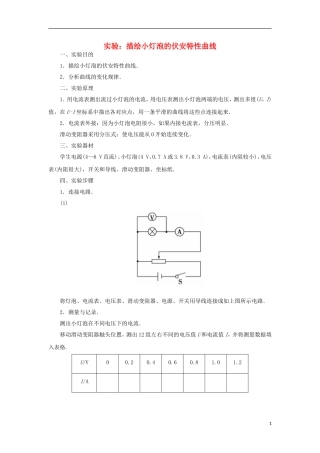
实验:描绘小灯泡的伏安特性曲线一、实验目的1.描绘小灯泡的伏安特性曲线.2.分析曲线的变化规律.二、实验原理1.用电流表测出流过小灯...
学案3匀变速直线运动的规律(一)[学习目标定位]1.掌握并会推导匀变速直线运动的速度公式、位移公式,会应用公式进行分析和计算.2.理解各公式...
综合检测(二)第二章化学物质及其变化(时间:60分钟分值:100分)一、选择题(本题包括12小题,每小题4分,共48分,每小题只有一个选项符合题...
第三节基因与性状1.理解基因、蛋白质和性状之间的关系。(重难点)2.概述基因突变的类型和特点。(重点)3.结合实例,分析基因突变的原因。(...
第2章电场与示波器[巩固层·知识整合][体系构建][核心速填]1.电场强度三个公式的比较意义电场强度的定义式真空中点电荷的电场强度公式匀强...
2.2机械波的描述[学习目标]1.知道什么是波的图像,知道纵、横坐标各表示什么物理量.2.能区别振动图像和波的图像.3.知道波长的含义,能从波...
学案7章末总结一、匀变速直线运动的常用解题方法1.常用公式法匀变速直线运动的常用公式有:vt=v0+ats=v0t+at2v-v=2as使用时应注意它...

