下载后可任意编辑高速运架梁专项安全方案范本运架梁安全专项方案-____西交建工程集团有限公司东昌高速 c4 合同段项目部箱梁运架安全专项...
下载后可任意编辑高速运架梁专项安全方案范文六、危险源辨识及应对措施危险点 1、连接螺栓是否为高强度螺栓。1、更换____螺栓时必须严格 ...
下载后可任意编辑高速运架梁专项安全方案1、架桥机临时走行通道是否过孔前严格进行过孔准备工架有障碍物;纵移前,后墩台上作的____,重点...
陕西省221省道洛河渭河大桥及引线工程 20m箱梁架设施工方案 编写人: 复核人: 批准人: 中铁十局集团有限公221 省道渭洛河大桥C 标...
广东省江门至罗定高速公路第十四合同段中铁十四局集团有限公司项目经理部 诚信 合作 创新 卓越 目 录 第一章 编制说明 .............
箱梁架设专项施工方案一、工程概况S228 公路桥全长 95.6m,右前夹角 48°,桥梁中心里程 GK65+150。上部结构采用 3×30m 的预应力混...
宣曲高速公路宣威至曲靖段下穿沪昆高铁 20m 小箱梁吊装专项施工方案编制:审核:批准:中交云南宣曲高速公路路桥技术一分部编制日期: 2...
下载后可任意编辑铁路桥架梁专项安全施工方案讲义12024 年 4 月 19 日下载后可任意编辑第一章 编制说明一、编制依据1.中铁太原勘察设...
下载后可任意编辑铁路太路段刚构连续梁专项施工方案培训资料12024 年 4 月 19 日下载后可任意编辑禹亳铁路许昌东至豫皖省界段三门峡至...
下载后可任意编辑转体梁专项施工方案1下载后可任意编辑湖沿特大桥 T 构转体施工方案1、 编制依据及范围1.1 编制依据1.1.1 国家现行颁...
目 录1 编制说明................................................21.1 工程概况..............................................21.2...
吉图珲客运专线重点控制工程 JHSK-Ⅰ标锚杆框架梁专项施工方案编 制: 复 核: 审 核: 批 准: 中铁隧道集团有限公司吉图珲客专...
1下载后可任意编辑 天津东南钢结构有限公司 2下载后可任意编辑目 录目 录.............................................................
下载后可任意编辑汽车吊架梁专项施工方案一、工程概况:小溪桥位于市区中部,是小溪河上的一个重要过溪通道。小溪桥西侧为一个交通繁忙的交...
下载后可任意编辑第一节 工程概况一、工程概况本桥为天河潭景区门禁工程规划的跨越沪昆铁路的桥梁,沪昆铁路为双线电气化铁路,路基为深路...
下载后可任意编辑部 门 审 核 意 见 表专项施工方案名称:大齐河中桥架梁工程部 门审 核 内 容 及 结 论工程管理部审核人: ...
湖沿特大桥T 构转体施工方案 1 湖沿特大桥T构转体施工方案 1、编制依据及范围 1.1编制依据 1.1.1国家现行颁布的标准,铁道部现行颁布...
目 录 一、工程概况 ...............................................................................................................
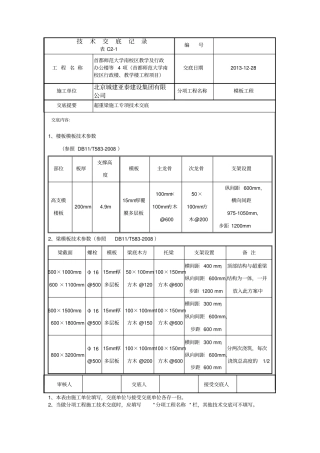
技术交底记录表 C2-1编号工 程 名 称首都师范大学南校区教学及行政办公楼等 4 项(首都师范大学南校区行政楼、教学楼工程项目)交底...
-1-箱梁架设专项施工方案一、工程概况S228 公路桥全长 95.6m,右前夹角 48°,桥梁中心里程 GK65+150。上部结构采用 3X30m的预应力混...

