合作学习在高中生物新授课中的运用荣成一中生物组刘志燕素质教育的核心是面向全体学生,促进学生全面发展和主动参与。新课程倡导自主、合作...
教学法基础理论授课提纲作业提要课目:教学法基础目的:通过学习,组织训练的基本常识,旨在使预提指挥士官掌握组织训练的基本程序、方法和...
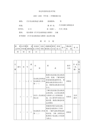
保定科技职业技术学院2008~2009学年度 二学期授课计划课程:班级:汽车发动机构造与维修授课教师:教 研 室:等汽车检测与维修技术周学...
“单价、数量、总价”新授课教学设计与实践反思松江区方塔小学 王利敏【教学内容】上海市九年义务教育课本小学数学三年级第一学期 P45-46...
学 期 授 课 计 划2016-2017学年(第 2 学期)课程名称:授课班级:任课教师:计划学时:考核方式:《动画表演艺术》2014 级动画 5....
第一章人生的青春之问 教学目的: 1、理解人性与人的本质。 2、理解人生观的内容与人生价值。 3、明确人生目的是人生观的核心,人生价...
生物新授课常见类型与教学策略 任小贝 新授课以传授学习新知识为主要任务,它既是学生获取新知识改善知识结构的过程,也是学生认知能力和...
1 2 0 0 7 至2 0 0 8 学年第二学期 《生产与运作管理》课程 教 案 课程编码:_________ 0616100B __________________ 总学...
主 要 内 容 一 、什么是人文素质?包含那些内 容 ? 二、什么是班组长? 三、班组长的作用是什么? 四、班组长应具备那些素质?...
1 班级授课制的利弊及改进 目录 一、班级授课制的概述 ..............................................................................
班级授课制的利弊分析及改进策略 姓名:王 悦 学号:13033026 班级授课制的利弊分析及改进策略 【摘要】班级授课制的缺点与优点具有共...
初中数学新授课课堂教学实录[ 作者:青驼中学来源:沂南县青驼中学点击数:702更新时间:2007-12-14文章录入:青驼中学 ]【字体:一、...
农业气象学授课教案开课专业:应用气象专业,农业资源与环境开课学时:48(其中:讲课学时 38 ,实验实习学时 10)课程的性质和任务:农...
兆龙小学六年级家长学校授课教案第一讲 学会应对挫折教学目标:1.情感、态度与价值观:认识困难和挫折的价值,学会正确面对人生中的艰难...
如何当好新时代新形势下的乡镇主官——在全市青年干部培训班上的授课各位学员、同志们:大家好!非常荣幸能够有机会来到市委党校与各位一起...
公开课教案授课班级校本课程天文观测基础选修班授课时间2009 年4月 2 日上午第 2 节授课教师林敏菲翁新红指导教师:廖德和研究课...
2DDDDDDDDDDDDDDDDDDDDDDDDDDDDDDDDDDDDDDDDDDDDDDDDDDDDDDDDDDDDDDDDDDDDDDDDDDDDDDDDDDDDDDDDDDDDDDDDDDDDDDDDDDDDDDDDDDDDDDDDDDDDDDDDD...
1 王祥老师近年重点授课情况一览表 授课时间 会议课题 会议地点 主讲人 2 0 0 3 年9 月2 0 -2 1 企业税务稽查 山东济南 ...
保险学基础(教案)经济管理系黄颖静第一章保险概述本章重点:理解风险、风险的概念、风险与危险的关系;可保风险的特征;风险管理的步骤;...
授 课 计 划(2009—2010 学年第一学期)所属系(部):经贸系课 程 名 称:会计综合模拟实训授 课 班 级:07 会计电算化 5-6...

