C6-2-1排水管道灌水试验记录□□□□□□□□□工程名称安怡家园Ⅱ期1#楼施工单位宁夏业通建设工程有限公司分项工程排水管道及配件安装部位...
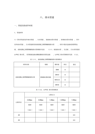
六、排水管道一、管道及组成件材质1、管道材料1.1排水管包括室外雨水管道、污水管道、屋面雨水排水管道、虹吸雨水排水管道。其中室外雨水管...
新疆泽强工程项目管理有限公司喀什监理排水工程监理细则0喀什市帕依纳普路排水管道改造工程(第三标段)监理实施细则(排水工程)编制:审...
1给水排水管道工程施工及验收规范(GB50268-2008)分项工程检验批质量验收记录表目录沟槽(基坑)土方开挖检验批质量检验记录................
起重吊装专项方案编制:审核:审批:目录一、编制依据:....................................................1二、工程概况:..............
排水管网的养护管理与安全运行摘要:排水管网是城市不可或缺的重要公共基础设施,也是城市水污染防御治理和城市防洪排涝必不可缺的。排水管...
平湖木古、鹅公岭及白泥坑片区排水管网完善一期工程项目划分一、工程概况龙岗区平湖木古、鹅公岭及白泥坑片区排水管网完善一期工程主要是结...
深圳市【】区【】片区排水管网及泵站特许委托运营招标文件V5.02010年【】月目录关键信息...................................................
排水管网拖拉管工程的施工工程概况1.布吉片区排水管网完善一期工程,建设地点:龙岗区布吉街道;建设单位:深圳市龙岗区布吉街道办;设计...
个人收集整理-仅供参考1/70《排水管网》课程参考教案第一单元绪论(2学时)1.教学任务本章主要阐明三个问题:一、城市为什么要建排水工程设...
1`建筑工程作业指导书1、工程概况1.1排水泵站建筑面积76.39m2,上部为砖砼结构,单层结构层高5.4米,±0.000标高等于2.980m,下部为钢筋砼...
精选第一章、施工布置及平面布置一、施工临设布置施工现场设临时办公室、仓库、木工棚、钢筋工棚及门卫。二、施工平面图的科学管理1、建立...
编号:_______________排水沟渠清淤合同甲方:___________________________乙方:___________________________签订日期:_____年_____月___...
================精选公文范文,管理类,工作总结类,工作计划类文档,欢迎阅读下载==============排水工程设计毕业设计论文第一部分设计说...
半山园排水改造工程施工方案编制人:审核人:编制日期:南京兴河市政工程有限公司目录一、工程概况二、编制依据三、主要工作内容四、工程施...
排水工程(雨、污)施工作业指导书第1页共9页1作业文件中交南沙新区明珠湾区工程总承包部排水工程(雨、污)施工作业指导书开始实施日期201...
市政基础设施工程监理实施细则工程名称:紫洞路改建工程第Ⅰ标段(K0+000~K2+460)排水工程(污水部分)建设单位:XX市汇之源XX污水处理有...
个人收集整理-仅供参考1/18施工技术交底记录施管表工程名称分部工程排水工程施工单位分项工程测量放线交底内容:、业主、监理现场交桩,复...
......专业word可编辑竣工验收申请致:(甲方)************我单位建设的************工程(二标段)已完成设计文件和合同约定的内容,经施...
排水工程下册1污水中含氮化合物有四种:有机氮、NH3-N、NO2-N和NO3-N。2、SBR池的运行操作由:进水、反应、沉淀、和静置等5个工序组...

