精品文档---下载后可任意编辑在微耕机中,经过多方面的考虑后,决定采纳铸铁机架。在下图 4-1 是机架的俯视图,图 4-2 是机架的侧视图。...
鲜味呈味倍数与 I+G 用量的计算黄爱华你的调味料产品在配方设计时要求的鲜味倍数是多少?你的调味料产品经最大限度稀释后,还能测试到香...
难点二:遗传概率的计算专题一基因型和表现型的比例计算命题规律:考点归纳:孟德尔遗传定律、基因分离和基因自由组合定律命题趋势:指导方...
1.设计资料某车间厂房总长度约为 108 米,跨度为 18m。车间设有两台 30 吨中级工作制吊车。车间无腐蚀性的介质。该车间为单跨双坡封闭...
1组合图形面积计算技巧“十法"一、相加相减法【点拨】:这种方法是将不规则图形分解转化成几个基本规则图形,分别计算它们的面积,相加求出...
Brother華目录梁正截面加固计算(矩形)21、梁底加高跨中截面计算(上部受压,下部受拉)22、梁底加高、梁侧加宽(单侧或两侧)支座截面计...
题目设计运输机传动装置 (分流式二级圆柱齿轮减速器) 指导老师院系机电建工学院班级机自 082 学号姓名完成时间 2024 年 1 月 目...
精品文档---下载后可任意编辑计算说明书设计题目:带式输送机班 级:设 计 者:学 号:指导老师:日 期:2011 年 01 月 06 日目...
精品文档---下载后可任意编辑计算及说明主要结果一、传动方案的确定螺旋千斤顶由螺杆、底座、螺母、手柄和托杯等组成。通过转动手柄使螺杆...
精品文档---下载后可任意编辑在这高速度、快节奏的生活中,挑战时间就是挑战机遇。因此,越来越多的客户要求我们业务员在第一时间里向他们...
精品文档---下载后可任意编辑汕头市广阔实验学校一、基本计算1.计算物质的相对分子质量; 2.计算物质组成元素的质量比3.计算化合物中某...
精品文档---下载后可任意编辑第三节曲面的切平面和法线、光滑曲面1、平面曲线的切线与法线设平面曲线的方程为 F( x, y)=0 ,P0( x0, y...
精品文档---下载后可任意编辑 带式输送机的选型设计有两种,一种是成套设备的选用,这只需要验算设备用于具体条件下的可能性,另一种是通...
——普通 V 带设计计算说明书精品文档---下载后可任意编辑目录一、V 带传动的设计计算..................................................
90°180°0°精品文档---下载后可任意编辑班级 姓名一.画光照图(画出太阳光线、晨昏线、用阴影表示夜半球)二、选择与填空(4×11=44 ...
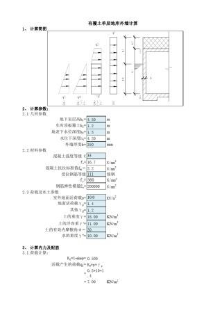
精品文档---下载后可任意编辑第一章、龙骨荷载计算一、计算说明取风荷载计算部分表3-1中明框玻璃幕墙风荷载进行计算,该处位于大面区,体型...
精品文档---下载后可任意编辑对于时区的划分办法及其意义,大部分同学比较容易理解,但对时区的计算方法,以及日界线的跨越总是比较模糊,...
精品文档---下载后可任意编辑例 1:南,北两幢住宅楼,日照间距按 1:1.35 控制,北侧住宅楼设计标高±0.000 相当于黄海高程 5.8 米...
180°90°E图 1NAB120°图 5图 2甲图 3图 490°0°乙甲精品文档---下载后可任意编辑1.关于日界线的叙述,正确的是 A.日界线的东侧...
精品文档---下载后可任意编辑本工程是阳光旅馆,该旅馆为五层框架结构,建筑面积约为 6500m2,建筑平面为 L 型,宽度为,长度为,底层层高,...

