沈阳地铁十号线土建工程 XX 标段 XXX 站 加密控制点测量方案制表:XXX检查:XXX复核:XXXXXXXXXXXXXXXXXXXXXXXXXXXXXXXXXX 年 X 月 ...
轴线控制桩埋设方法示意图
第十五章 预埋件埋设15.1 概 述本工程预埋件埋设工作项目包括预埋固定件和接地装置埋设等两部分。1、预埋固定件的埋设工作项目和内容:...
第十四章 预埋件埋设14.1 工作范围和项目内容……………………………..14-114.2 预埋件加工场地…………………………………...14-114.3...
湘质监统编施 2025-221电梯承重梁、起重吊环埋设检查记录工程名称:11编号:001安装单位 检查项目 施工单位 检查日期施工日期天气情况...
电杆选择及埋设安全技术交底交底内容:1.电杆宜采纳钢筋混凝土杆。钢筋混凝土电杆不得露筋,并不得有环向裂纹和扭曲等缺陷。若采纳木杆和...
第一部分 施工组织设计第一章 编制依据及编制原则第二章 工程概况第三章 施工总体思路安排第四章 各分部分项主要施工方法第五章 现场...
第一部分 施工组织设计第一章 编制依据及编制原则第二章 工程概况第三章 施工总体思路安排第四章 各分部分项主要施工方法第五章 现场...
东南国际航运中心总部大厦(36# 地块)E、F座工程E 座 锚 栓 埋 设 施 工 方 案编 制 人 : 审 核 人 : 审 批 人 :...
一、施工准备 1 工程简述:本工程为克拉玛依市碧水云天康乐苑住宅小区住宅楼一期,工程位于克拉玛依市南新路与西环路交叉口地块南侧。建...
预埋件埋设工程施工方案1、概述1.1、范围本章规定适用于本工程施工图纸所示的水力机械、电气、暖通与 空调、给排水与消防管道(或套管);...
技术交底记录编号—工程名称麻昭高速公路芝来沟大桥、龙洞湾大桥部位名称基础及下部构造工序名称人工挖孔桩成孔施工单位北京城建道桥建设集...
工程施工技术交底成绵乐客运专线C ML Z Q-8 标中铁五局管段第二项目经理部路基土石方架子队工程名称路基沉降观测施工技术交底接受交...
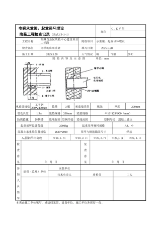
电梯承重梁、起重吊环埋设 隐蔽工程检查记录 (表式 C5-3-1) 部位C、D 户型工程名称西藏自治区质检中心建设项目二标段隐检项目承重梁、...
电梯导轨、层门的支架、螺栓埋设隐蔽工程检查记录工程名称GCMC隐检项目导轨、层门的支架、螺栓埋设检查部位电梯井道内填写日期施工日期天气...
电杆选择及埋设安全技术交底1、电杆宜采纳钢筋混凝土杆。钢筋混凝土电杆不得露筋,并不得有环向裂纹和扭曲等缺陷。若采纳木杆和木横担,其...
七、施工组织设计主 管:审核:编制:目录第一章工程概况与建设目标………………………………………………………………3第一节工程概况…...
附件十四天然气地面标识制作与埋设标准(一)转角桩1、颜色与容(1)正面上 部:管道名称。用白底、黑框(线宽 3 毫米)、红字标明。黑...
防城港市北站南路西延长线—照明工程 Φ12 镀锌圆钢埋设施工方案编制人:审核人: 广西丰华建设工程有限公司 2024 年 11 月 01 日...
旋挖成孔灌注桩施工中护筒埋设的几点经验教训近年来,旋挖钻进成孔工艺技术以其具有钻进速度快、成孔质量好、污染较小等优点,受到业主与施...

