电脑桌面
添加小米粒文库到电脑桌面
安装后可以在桌面快捷访问

电梯承重梁起重吊环埋设隐蔽工程检查记录表

电梯承重梁起重吊环埋设隐蔽工程检查记录表_第1页
1/1
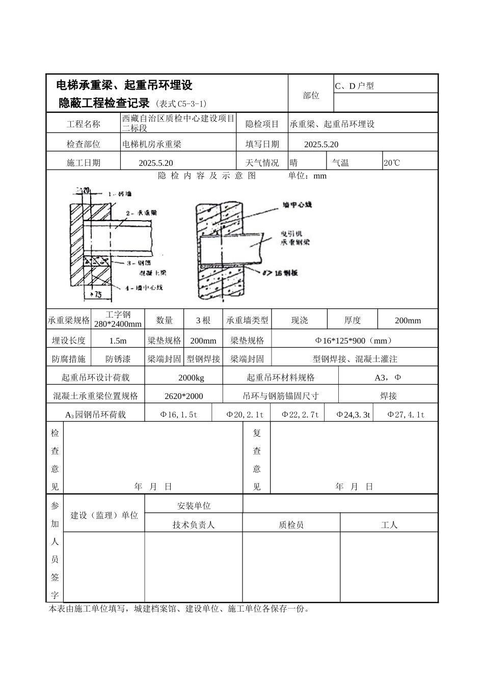
电梯承重梁、起重吊环埋设 隐蔽工程检查记录 (表式 C5-3-1) 部位C、D 户型工程名称西藏自治区质检中心建设项目二标段隐检项目承重梁、起重吊环埋设检查部位电梯机房承重梁填写日期 2025.5.20施工日期 2025.5.20天气情况晴 气温20℃隐 检 内 容 及 示 意 图 单位:mm 承重梁规格工字钢280*2400mm数量3 根承重墙类型现浇厚度200mm埋设长度1.5m粱垫规格200mm梁垫规格Φ16*125*900(mm)防腐措施防锈漆梁端封固 型钢焊接梁端封固型钢焊接、混凝土灌注起重吊环设计荷载 2000kg起重吊环材料规格A3,Φ混凝土承重梁位置规格2620*2000吊环与钢筋锚固尺寸焊接A3园钢吊环荷载Φ16,1.5tΦ20,2.1tΦ22,2.7tΦ24,3.3tΦ27,4.1t检查意见年 月 日复查意见年 月 日参加人员签字建设(监理)单位安装单位技术负责人质检员工人 本表由施工单位填写,城建档案馆、建设单位、施工单位各保存一份。

1、当您付费下载文档后,您只拥有了使用权限,并不意味着购买了版权,文档只能用于自身使用,不得用于其他商业用途(如 [转卖]进行直接盈利或[编辑后售卖]进行间接盈利)。
2、本站所有内容均由合作方或网友上传,本站不对文档的完整性、权威性及其观点立场正确性做任何保证或承诺!文档内容仅供研究参考,付费前请自行鉴别。
3、如文档内容存在违规,或者侵犯商业秘密、侵犯著作权等,请点击“违规举报”。

碎片内容

电梯承重梁起重吊环埋设隐蔽工程检查记录表

您可能关注的文档

确认删除?
VIP
微信客服
  • 扫码咨询
会员Q群
  • 会员专属群点击这里加入QQ群
客服邮箱
回到顶部