内燃机车钳工职业技能鉴定题库及答案(一)填空题 1.基础制动装置旳动力是 。 2.在斜面上钻孔,用 先钻出定位孔,再用钻头钻削可防止钻...
精品文档---下载后可任意编辑应急故障处理第一部分东风 4C型内燃机车JZ—7 型空气制动机“五步闸”检查试验程序与要求: ⑴ 确认压力指...
精品文档---下载后可任意编辑东风 4D 内燃机车电传动仿真与故障反馈系统的开题报告题目:东风 4D 内燃机车电传动仿真与故障反馈系统设...
精品文档---下载后可任意编辑ZYJC 公司内燃机车项目外购件质量管理讨论的开题报告一、讨论背景和意义:ZYJC 公司是一家专业从事内燃机车...
精品文档---下载后可任意编辑王杰华[摘 要]在 DF4B型内燃机车上,冷却风扇的驱动采纳静液压传动技术。该技术能满足机车柴油机功率调节范...
东 风 8B 型 ( DF8B) 货 运 内 燃 机 车 东 风 8B 型 ( DF8B) 货 运 内 燃 机 车 0006 号 东 风 8B 型 ...
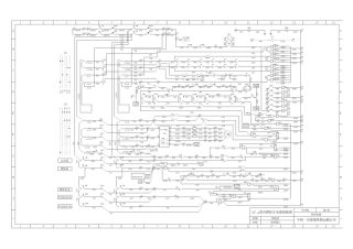
2005 年第一次铁道部东风 7G 型内燃机车投标标书检修手册 7-1 空气制动装置 EQJ27B-18A-00-000 图 1 空气制动装置系统图 2005 ...
2005 年第一次铁道部东风 7G 型内燃机车投标标书检修手册 1-1 机车总图 EQJ27B-00A-00-000 2005 年第一次铁道部东风 7G 型内燃机...
1 一、柴油机小、辅修工艺 一、尺寸限度 1.气门锁夹下陷量不大于 2m m 2. 气门冷态间隙: 进气门:0.4+0.05m m 排气门:0.5+0.0...
东风4型内燃机车段修规程
东风4 型内燃机车机车检查各部限度及标准 一.机车总体 1.功率在标准状况下柴油机的持续功率—3600PS(马力); 2.装车功率—3420-1...
东风 4 型内燃机车柴油机 一、填空题 1.活塞的冷却方式有:喷射冷却、振荡冷却、()三种。内油路冷却 2.东风 4B 型内燃机车的机...
东风4D D 型内燃机车辅修工艺 第一节 机体与曲轴 1、技术要求 1.1 机体裂缝可以焊修。 1.2 弹性支承座间隙 2-8m m 。 1.3 机...
东风4B型内燃机车油水温度高的原因分析及处理方法 1 问题的提出 东风 4B型机车柴油机冷却系统分为高温和低温循环水系统。高温循环水系...
东风 4B 型内燃机车故障应急处理办法 1、加 载 时 7XD 不 灭 无 电 压 、电 流 的 处 理 办 法 ( 1) 确 认 16DZ...
1 中华人民共和国铁道部 东风4B型内燃机车大修规程 中国铁道出版社 1999 年·北京 2 铁 道 部 文 件 铁 运 〔1 9 9 9 〕...
1 GK1C 型内燃机车整备、检查、操纵 第一章 机车整备作业 新造或修理后以及经防腐处理的柴油机,在第一次启动时,除对机车尽心清扫整...
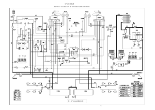
轮缘润滑电路启动泵燃油泵辅助发电空压机自动空压机手动升保降10后0 前前制 牵后制牵Ⅷ中铁一局嘉蒙铁路运输公司绘图审核型内燃机车电器...
1 东风 4D 型内燃机车故障处理 18 招 一、柴油机转速不升不降 (一 ) 故 障 原 因 1.1DZ 跳 开 2.WJT 保 险 烧 断 ...
DF4D 型内燃机车主要技术参数 一、机车主要技术参数 传动方式 交—直流电传动 轨 距 1435mm 轮 径 1050 mm 轴 重 23±3%T ...

