深基坑开挖及人工挖孔桩施工技术一、深基坑开挖风险提示:该类作业安全控制核心是挖掘机操作与检查、基坑边坡稳定。不执行以下安全管控措施...
目 录第二章 工程概况...............................................................15IBVI。一、工程设计概况........................
目录第一章编制说明 4第一节编制依据 4第二章工程概况 5第一节工程概况 5第二节工程地质情况 6第三节现场施工条件 8第四节工程施工的...
挤土桩、人工挖孔桩、钻孔灌注桩桩基施工安全要点大盘点一、挤土桩及部分挤土桩施工安全要求挤土桩及部分挤土桩施工一般包括:打入桩施工、...
挖孔桩班安全措施挖孔桩班安全措施1、挖孔桩班组机械设备方面:进入施工现场的各种机械设备在安装时前检查外观是否有破损,机体是否牢固,...
挖孔桩施工作业现场安全专项措施(1)在进行孔桩施工时要先硬化场地,孔四周应设置排水系统,及时排除地表水,孔施工范围内必须三面设置带...
挖孔桩安全技术交底1. 严格根据安全技术操作章程进行施工.2. 下井作业人员必须经市属医院体检合格之后方准下井作业.3. 下井作业人员必须...
挖孔桩施工安全生产方案及措施(1)施工现场应进行围挡,设立“施工重地、闲人免进”警示牌,以防行人和无关人员进入现场造成意外事故,同...
挖孔桩重大危险管理方案及应急预案一、概述大广北高速公路路基施工第一合同段葛洲坝集团项目部承建的大广北高速公路第一合同段有大中桥梁 ...
挖孔桩专项施工方案及工艺方法1、总体施工方案(1)成孔施工孔桩全部采纳人工开挖,土层及岩石层采纳人工手持铁搞、钢钎、风镐等开挖,边开...
XXXXXXX工程项目、监理实施细则人工挖孔桩<墩>编制人:日期:批准人:日期:XXXXXXX项目监理部目录1 工程概况2 编制依据3 专业工程的...
总监办人工挖孔桩施工工艺专家论证会会议纪要总监办人工挖孔桩施工工艺专家论证会会议纪 要20**年 8 月 11 日,**高速公路 LJJ4 总...
新建铁路唐山至曹妃甸铁路工程技术交底纪要 TCSG- 3 标段工程项目: 挖孔桩施工 编 号: 交 底 者: (签字)技术负责: (签...
K14+674 o 9 园东西路下穿立交桥便梁支墩专项施工方案编制:审核:审批:中铁十四局集团有限公司宁启复线电化工程项目部一工区二 O 一...
厦门地区人工挖孔混凝土灌注桩技术管理规定1、一般规定1、1 为在厦门市建筑桩基工程中合理地应用人工挖孔混凝土灌注桩(以下简称人工挖孔桩...
工程名称摩托车农用机械柴油机汽车配件及超越离合器生产线项目工程交底部位1#,2#,3#厂房基础工程工程编号01日期2025 年 9 月 30 日...
人工挖孔桩施工方案一、编制说明:根据中国天辰工程有限公司提供的图号 T05039-630CC03-1 低温甲醇洗桩位施工图, 为确保桩工程顺利施工...
人工挖孔桩工程监理细则一、工程概况奉化市弥莱世基大酒店位于奉化市大成东路北侧,金钟路的西侧。本工程分为东部地块和西部地块,东部地块...
人工挖孔桩质量监理细则第一节工程概况1.1 工程设计单位:1.2 工程勘察单位:1.3 设计技术要求:桩数共根,桩长米,桩顶标高米,桩径为...
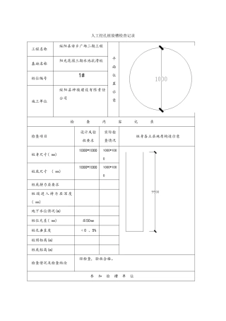
人工挖孔桩验槽检查记录工程名称绥阳县诗乡广场二期工程平面位置示 意基础名称阳光花园三期水池抗滑桩桩位编号1#施工单位绥阳县神骏建设有...

