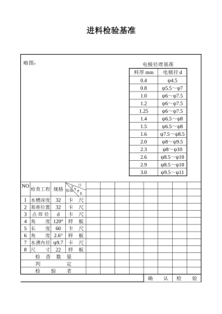
进料检验基准略图:电极径理基准料厚mm电极径d0.4ψ4.50.8ψ5.5~ψ71.0ψ6~ψ7.51.2ψ6~ψ7.51.25ψ6~ψ7.51.4ψ6.5~ψ81.5ψ6.5~ψ8...
Number:编号版本:VS/QT-WF-24A1版Page:页数1/9FortheAttentionof:Source:品质部Issued:发至:来源发布日期Subject:主题原材料(碳钢)检验...
气动双闸板进料阀产品说明书无锡市江南阀门有限公司地址:江苏省无锡市惠山区阳山镇陆区协达路5号电话/传真:0510-85634401网址:www.wxjn...
11.布料检验标准1.1抽样标准:按AQL:MIL-STD-105E(GeneralInspectionLevels)II级水平抽样标准(CRI:0;MAJ:1.0;MIN:2.5)。1.2布料颜色测试...
适用范围本检验标准适用于深圳山源电器有限公司以下物料之进料检验:※板材:铝板、镀锌板、黄铜板、紫铜板、电解板、铁板、不锈钢带、马口...
PVC进料检验控制要求目录1.产品监视和测量控制程序HB/QP-152.PVC进料检验控制程序(《原材料验收标准》)HB/WI-043.进料检验报告格式HB/R-G...
进料制程成品检验质量管理课件•进料检验质量管理•制程检验质量管理•成品检验质量管理•质量管理体系与工具应用目录contents01进料检验质...
文件名称.编制审核批准生效日期111V4'•2015-04-05PACK材料技术检验文件编号版次页码标准-电池箱/滑道xx-IS-PT-001A.01/21.0目的建立来料检...
1/7进料检验程序1.目的规范外购、外协材料的检验作业,确保物料入库合格,防止不合格品的非预期使用。2.范围适用于外购、外协生产物料的检...
机械设备文件名称进料检验规文件编号TY-W-014版本:B0制订部门品质部制订日期2011-5-4页数:共14页文件修订履历版本/版次修订日期修订容A0B...
板式压滤机进料泵保护心得体会板式压滤机是化工厂用来分离物料的常用设备,在多个化工产品中均有使用。众所周知压滤机进料压力相对较高,需...
本标准适用于印刷、复合(含淋膜复合)用普通塑料薄膜入仓前的检验。铝箔AL和聚酰胺薄膜(BOPA)参照规定的内容。标准内容:1.抽样标准及方...
三阶文件江苏亨通新能源智控科技有限公司充电桩进料检验规范文件编号文件版本01页次1/17修订记录序号版本日期修订内容修订者012016/7/1新建...
第1页共2页编号:时间:2021年x月x日书山有路勤为径,学海无涯苦作舟页码:第1页共2页每月进料不良率统计表供供应商:报告月份:编号:QR—...
技术资料专业整理油漆进料质量验收标准文件制修订记录NO发行日期修订申请书编号制修订内容修订页次版本号12014-08-01初次发行A/02345678文...
扳本Al第页码页些IQC进料检验规范文件编号WI-QC-8-03S生放日期2012-07-251.目的:对所有材料进行检验,以保证材料符合其规格要求,同时为确保...
REV.ECNNO.修訂內容备注1.0初版發行1.目的:本标准规定了我司外购铝合金型材进料检验标准。标注公差0-6mni±016-30mm±0.230-80mm±0+380-2...
进料制程成品质量管理课件•进料质量管理•制程质量管理•成品质量管理目录CONTENTS01进料质量管理进料检验标准及方法检验方法选择根据原材...
进料作业指引课件•进料作业概述•进料作业详细流程•进料作业的设备与工具•进料作业安全与质量控制•进料作业优化与改进进料作业概述进料...
进料检验及常见异常课件•进料检验概述•进料检验方法及标准•常见进料异常及处理•进料检验案例分析•进料检验注意事项及改进方向•总结与...

