电脑桌面
添加小米粒文库到电脑桌面
安装后可以在桌面快捷访问

铝型材进料检验标准VIP免费

铝型材进料检验标准_第1页
1/7
铝型材进料检验标准_第2页
2/7
铝型材进料检验标准_第3页
3/7
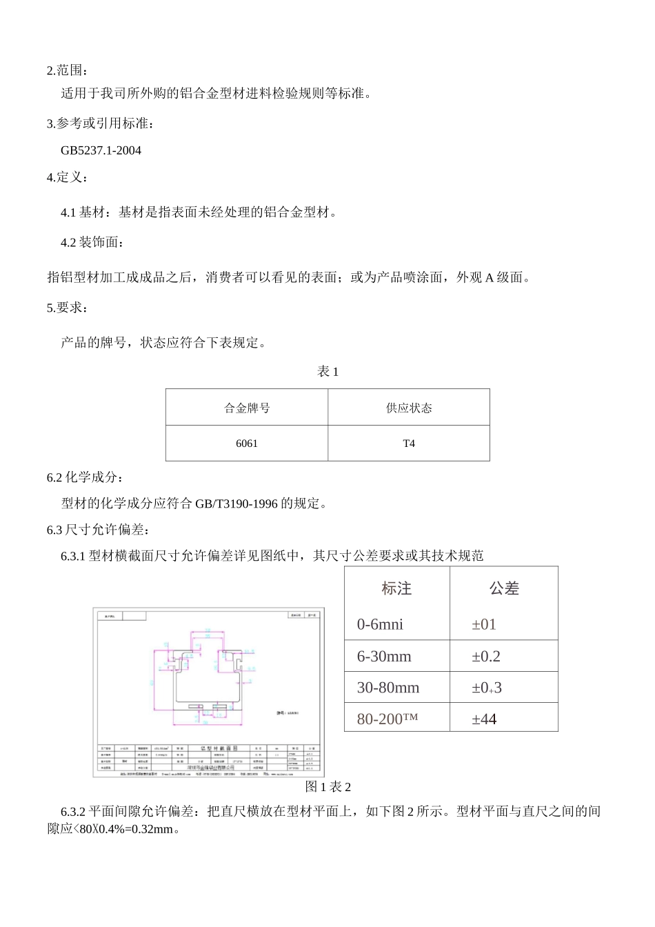
REV.ECNNO.修訂內容备注1.0初版發行1.目的:本标准规定了我司外购铝合金型材进料检验标准。标注公差0-6mni±016-30mm±0.230-80mm±0+380-200™±442.范围:适用于我司所外购的铝合金型材进料检验规则等标准。3.参考或引用标准:GB5237.1-20044.定义:4.1基材:基材是指表面未经处理的铝合金型材。4.2装饰面:指铝型材加工成成品之后,消费者可以看见的表面;或为产品喷涂面,外观A级面。5.要求:产品的牌号,状态应符合下表规定。表1合金牌号供应状态6061T46.2化学成分:型材的化学成分应符合GB/T3190-1996的规定。6.3尺寸允许偏差:6.3.1型材横截面尺寸允许偏差详见图纸中,其尺寸公差要求或其技术规范图1表26.3.2平面间隙允许偏差:把直尺横放在型材平面上,如下图2所示。型材平面与直尺之间的间隙应<80X0.4%=0.32mm。图26.3.3型材的弯曲度:型材的弯曲是将型材放在平台上,借自重使弯曲达到稳定时,沿型材长度方向测量得的型材底面与平台的最大间隙(H),如下图3,下表3所示。图中L为型材全长。(交货最好为1.6m±15mm)。图3表3-检验合格标准表型材长度L(M)合格标准值H(mm)3.2<1.61.6<1.06.3.4型材的扭拧度:扭拧度的测量方法是:将型材放在平台上,借自身之重达到稳定时,沿型材的长度方向测量型材底面与平台之间的最大距离N。如下图4所示,从N值中扣除该处的弯曲值即为扭拧度。检验标准详见下表4。图4型材长度L(M)合格标准值N(mm)3.2<2.81.6<2.0表46.3.5型材长度允许公差:型材长度小于6M时,允许偏差为+/-15MM;6.3.6型材端头切斜度允许偏差:型材端头切斜度不应超过2°。6.3.7型材化学成分:型材的化学成分应符合BG/T3190-1996的规定。6.3.8型材的外观质量:应用正常视力,在自然散射光条件下检查,不使用放大镜。7.铝型材外观检验规则标准7.1铝型材坯料或表面氧化处理后表面检验在适应的自然光线下目测,目测距离为45土5cm。铝型材表面氧化处理后,其色泽与光亮均匀一致,无脏污。如果有缺陷,按表5要求检验。表5序号缺陷名称检验范围表面质量要求1沙孔、气泡外露正面沙孔和气泡直径<0.25mm,在25平方厘米内允许有2个,相距三20mm以25平方厘米为单位的缺陷在铝型材外露正面每米允许存在的缺陷数<2,但缺陷数相距300mm外露正面沙孔和气泡直径<0.25mm,在25平方厘米内允许有3个,相距三30mm以25平方厘米为单位的缺陷在铝型材外露正面每米允许存在的缺陷数W2,但缺陷数相距330mm2斑点外露正面斑点直径V1-2mm,在25平方厘米内允许1个,以25平方厘米为单位的缺陷在铝型材外露正面每米允许存在的缺陷数W2,缺陷数相距400mm3划伤铝型材外露正面划伤方向沿铝型材长度方向长度V20mm,正面允许有深度WO.lmm,宽度W0.05mm,遮蔽位允许有深度W0.3mm,宽度W0.1mm,每米范围内划伤条数为2条,相距500mm4以上各类缺陷数总和面积不超过铝型材表面的%55裂缝铝型材表面不允许6变形铝型材表面以轮子在变形位是否能通过为准,不能通过不允许7色差铝型材表面不允许,“特殊”情况按程序执行。7.2铝型材坯料,表面色泽一致,无脏污。如果有缺陷,按表6要求检验。表6序号缺陷名称检验范围表面质量要求1沙孔铝型材表面沙孔和气泡直径V0.3mm,深度<0.1mm,在25平方厘米内允许有4个以25平方厘米为单位的缺陷在铝型材表面每米允许存在的缺陷数<4,但缺陷数相距250mm说明:如果25平方厘米内有5个缺陷点时,允许一米范围内有3个以25平方厘米为单位的缺陷。2划伤铝型材表面长度<40mm,深度<0.1mm,宽度<0.1mm母米范围内划伤条数为3条,长度方向相距300±30mm,周长方向相距50±10mm3以上各类缺陷数总和面积不超过铝型材表面的%54裂缝铝型材表面不允许5非金属压入物铝型材表面不允许6变形铝型材表面不允许7.3型材端头允许有因锯切产生的局部变形,其纵向长度不应超过20MM。7.4尺寸量测的方法:型材的尺寸采用相应精度的卡尺,千分尺,R规,塞规,钢卷尺等量测工具。7.5型材进料包装:型材进料时,包装需完整较干净。不允许有外包装破损,将型材表面划碰伤,或产生挤压变形。每根型材基材需单独隔开。7.6检验结果判定处理:尺寸,外观质量不合格时,为单件不合格,需逐个检验。铝型材的外观尺寸、铝型材的截面外型尺寸和厚度尺寸用游标卡尺测量;长度尺寸用卷尺测量。

1、当您付费下载文档后,您只拥有了使用权限,并不意味着购买了版权,文档只能用于自身使用,不得用于其他商业用途(如 [转卖]进行直接盈利或[编辑后售卖]进行间接盈利)。
2、本站所有内容均由合作方或网友上传,本站不对文档的完整性、权威性及其观点立场正确性做任何保证或承诺!文档内容仅供研究参考,付费前请自行鉴别。
3、如文档内容存在违规,或者侵犯商业秘密、侵犯著作权等,请点击“违规举报”。

碎片内容

铝型材进料检验标准

确认删除?
VIP
微信客服
  • 扫码咨询
会员Q群
  • 会员专属群点击这里加入QQ群
客服邮箱
回到顶部