变压器风扇 使用维护说明书 中华人民共和国 长春新诺电机有限公司 1产品概述 BF、BF2、DBF系列变压器风扇、CFZ系列吹风装置是一种低噪...
变压器试验项目可分为绝缘试验和特性试验两类。 (1)绝缘试验有:绝缘电阻和吸收比试验、测量介质损耗因数、泄漏电流试验、变压器油试验及...
设 计 手 册 油 浸 电 力 变 压 器 阻 抗 计 算 目 录 1 概述 SB1-007.5 第1 页 1.1 漏磁通及漏抗电势 SB1-007.5...
1 变压器销售基本知识 一、 投标形式(包括国网、省网和非电力口投标。) 1、国网 1)针对的电压等级:750kV、500 kV、330kV、220kV ...
1 产品制造装配试验 工艺要求 RH3-03-030-A 发放号: 荣成市电焊机厂有限公司 2 目 录 1.硅钢片的冲压、剪切的工艺要求 2.变压...
变压器铁芯计算程序
变压器是利用电磁感应的原理来改变交流电压的装置,主要构件是初级线圈、次级线圈和铁心(磁芯)。在电器设备和无线电路中,常用作升降电压...
变压器选择负荷计算
变压器 远距离输电 一、变压器: 各种用电器的额定工作电压可以各不相同,各种发电机的输出电压相差很大,为了能够实现电压的改变,以适...
新建武汉至孝感城际铁路四电集成工程牵引变压器运输施工方案 中铁建电气化局集团有限公司 汉孝城际铁路四电集成项目经理部 2015 年 6...
第一变电所变压器吊装运输方案 1 第一变电所变压器吊装运输方案 1.概述 ..............................................................
ABCABCABC1234变压器运行巡检记录表51#变压器备注 时间: 年 月 第1页 共7页功率因数温度(℃)总电流(A)电流(A)电流(A)温度(...
变压器运行中的各种异常及故障原因分析 (一)声音异常 正常运行时,由于交流电通过变压器绕组,在铁芯里产生周期性的交变磁通,引起硅钢...
电力变压器运行规程 1 主题内容与适用范围 本规程规定了本公司电力变压器的许可运行方式、操作、监视、维护、异常运行及事故处理的规则...
变压器负荷计算表格
变压器保护调试记录 一、柜内查线 配线情况: 网络配置情况: 二、绝缘强度测试(记录最低数据) 交流回路对地: MΩ 直流电源对地...
一、电压比测量和联结组标号检定 注意事项:1、首次电动操作有载调压开关时应将开关手摇到非极限位置,测试变比确定内部分接位置,在内部...
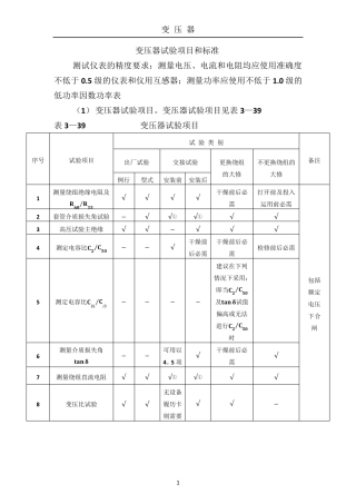
变 压 器 1 变压器试验项目和标准 测试仪表的精度要求;测量电压、电流和电阻均应使用准确度不低于0 .5 级的仪表和仪用互感器;测量...
变 压 器 试 验 基 础 知 识 编 制 吴 永 生 正泰电气股份有限公司 2008 年 5 月 主 要 针 对 35kV 及 以 下 ...
一 . 适 用 范 围 适 应 于 电 力 变 压 器 及 电 抗 器 交 接 、 大 修 和 预 防 性 试 验 。 二 . 引 ...

