钢绞线张拉伸长量计算示例汇总 0 2010 [] 2010-09-11 钢绞线张拉伸长量计算示例汇总 钢绞线张拉伸长量计算示例汇总 2010 1 目 录...
仁新高速TJ5标首件1#预制梁场预制T梁张拉计算书 钢 绞 线 伸 长 量 计 算 书 仁新高速TJ5标合同段项目经理部 2016年07月 钢绞...
δk(MPa)1395.000Ay(mm2)139.000Eg(N/mm2) 1.95×105K0.0015μ0.17伸长量(㎜)ΔL=P×L/Ay×EgΔL160.0000.00150.170 0.000900.99910195...
部位分段P(N)x(m)θ (rad)kx+μ θe-(kx+μ θ ) Pp(N)Ay△L(m)伸长量(m)至曲线起点段1874883.92800.0058920.99412533186...
箱梁预应力筋伸长量计算书一、工程简况我分部桥梁上部结构采用 20m、40m 箱梁,结构体系为先简支后连续。箱梁预应力束采用公称直径φ s1...
负弯矩伸长量计算1、计算参数P —张拉端控制应力Pp—预应力平均张拉应力Ep—预应力筋的弹性模量取材料报验单:W-GTX-0002 Ep=201.3Gpa A...
. . 温州绕城高速公路北线第二合同段45 米跨箱梁首跨预应力筋伸长量计算书计算:复核:审核:路桥华南工程有限公司二〇〇六年. . 一、...
学习好帮手宜巴高速 XX 合同段30 米 T 梁张拉计算书一、工程概况1#预制场负责生产 xxxl 号特大桥共 110 片 30mT 梁。预应力钢铰...
第 1 页实验:探究弹力与弹簧伸长量的关系[学习目标 ]1.探究弹力与弹簧伸长量之间的关系.2.学会利用列表法、图像法、 函数法处理实验数...
探 究 弹 力 与 弹 簧 伸 长 的 关 系2课 时主备人:程飞审核人 :高三物理备课组【重难点:】1、理解实验原理2、弄清实验的步...
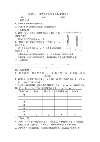
实验二探究弹力和弹簧伸长量的关系班级_______________ 姓名_______________时间 ______________一、实验目的1.探究弹力和弹簧伸长量的...
1 预应力钢绞线实际伸长量的计算与量测 (培训资料) 预应力混凝土的应用研究与发展,已经有一百多年的历史,做为一种新型的复合建筑材...
下载后可任意编辑后张法预应力钢绞线伸长量的计算与现场测量控制预应力钢绞线施工时, 采纳张拉应力和伸长值双控, 实际伸长值与理论伸长值...
下载后可任意编辑利用一小段金属丝讨论这种金属丝的伸长弹性规律王家柱云南省蒙自市红河学院 11 级物理二班 661100摘要: 用光杠杆装置...
20 米后张箱梁伸长值计算 小河至安康高速公路 N 16 标项目部 计 算 说 明 曲线和直线的应分开分段计算,因为两端是对称的所以只...
后张法预应力钢绞线伸长量计算与现场量测控制摘要:预应力钢绞线伸长量偏差是衡量预应力张拉控制是否符合设计要求的一项关键指标,其张拉伸...
后张法预应力钢绞线张拉伸长值的计算作者:李占峰简介:桥梁预应力施工时,采用张拉应力和伸长值双控,实际伸长值与理论伸长值误差不得超过...
(三)后张法钢绞线理论伸长值计算公式说明及计算示例后张法预应力钢绞线在张拉过程中,主要受到以下两方面的因素影响: 一是管道弯曲影响...
弥勒至玉溪高速公路象山试验段云南建投—YCIH—盖梁钢绞线施工作业指导书计算:复核:监理:云南省建设投资控股集团有限公司弥玉高速象山试...
CompanyLOGO用伸长法测钢丝的杨氏模量2011.8.11弦线上驻波实验用伸长法测钢丝的杨氏模量1. 测定钢丝的杨氏模量 ;2. 掌握光杠杆的原理及...

