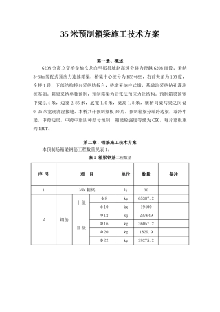
35 米预制箱梁施工技术方案第一章、概述G208 分离立交桥是榆次龙白至祁县城赵高速公路为跨越 G208 而设,采纳3-35m 装配式预应力连续...
906 最新红棉大道跨风神大道立交桥工程综合应急救援预案第一章 总则31.1 编制目的31.2 编制依据31.3 适用范畴31.4 应急救援预案体系...
监 C04 编号 监 理 实 施 细 则 工程名称 外环线(一期)工程莘庄立交桥及道路 SK4+300 ~ SK7+520 交通工程 (标志标线及...
皓月路钻孔灌注桩施工技术交底技术负责人: 交底人: 题目:钻孔灌注桩施工技术交底 时 间:参加人员: 皓月路立交桥钻孔桩基础施工技...
技 术 交 底 记 录 年 月 日 编号:施表 26-18工程名称北京市五环路跨京山铁路立交桥工程分部工程下部结构分项工程钻孔灌注桩交...
一、编制依据 连云港市海棠路下穿铁路立交桥工程施工图(QWS2025-103-Q1); 《铁路桥涵施工法律规范》TB10203-2025; 《铁路桥涵施工质...
成 都 市 干 道 建 设 指 挥 部三环路新成温立交桥工程和底层道路及排水工程监 理 规 划编制:汤康民审核:杨鉴凌西南交通大学...
目 录第一章 工程概况…………………………………………………… 2第二章 基本情况…………………………………………………… 4第三章...
第一卷 城市立交桥施工组织及管理..............................................................................................2第...
湘潭市荷塘至飞龙桥公路项目双马互通工程 k11+139.19 中桥桩基础专项施工方案 芙蓉东路立交桥桩基础工程专项施工方案一、工程概况芙蓉东...
分离立交桥切割工程施工方案目录一、项目概况介绍 .....................................................................................
K40+470 精耀村分离式立交桥施工方案一、概述本合同段 K40+470 精耀村分离式立交桥跨径为 11+2*16+11m 钢筋混 凝土 n 型连续梁,下...
第一章 总 论...............................................31.1 项目背景...............................................31.1.1 ...
目录第一章 总 论..................................................................................................11.1 项目背景...
第一章 总 论1.1 项目背景1.1.1 项目名称***市***大道立交桥拓宽建设项目。1.1.2 项目建设性质改扩建。1.1.3 项目承担单位承担单位:...
目 录第 1 章 总论................................................................................................................
目 录第 1 章 总论................................................................................................................
目 录1.概 述.......................................................................................................................
施工组织设计第一章 编制说明1、根据与业主 2025 年 8 月 6 日签署的施工承包合同书,特制定本施工组织设计。2、本施工组织设计的编...
施工组织设计第一章 编制说明1、根据与业主 2025 年 8 月 6 日签署的施工承包合同书,特制定本施工组织设计。2、本施工组织设计的编...

