自来水在线监控系统、供水流量压力实现远程监控
一次泵变流量系统(VPF)1、控制方式冰机控制负荷测定:蒸发器的流量和温差冷量调节:与活塞机组的介跃调节不一样,离心冷水机组的控制是根据...
方法1:制作36 包720 小时上网卡 所谓的36 包720 小时上网卡,其实就是转沃派36 不成功产生的漏洞卡,不限流量,720 小时是奸商加的...
1.水量W=3600*4/π /4 *d²* v(m³/h)式中:d管内径(m) v水流速(m/s)2.单位摩擦阻力R。=λ /d * v²ρ /2λ --摩擦阻力系数;d-...
空调水管、流量、流速、管径自动计算以及推荐表和水管各种参数对照表
2006-12-29 | 空气流量传感器的故障诊断分析 标签: 汽车 电子 故障 诊断 项目04 空气流量计的检测 班级: 学号: 姓名: 成...
私域流量的几种运营方式---详解 2019 年,无论是资本大鳄还是蚂蚁雄兵都在讨论,如何建立自己的私域流量池?而私域流量火爆背后最直接的...
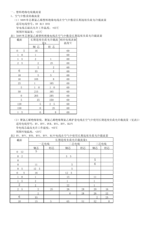
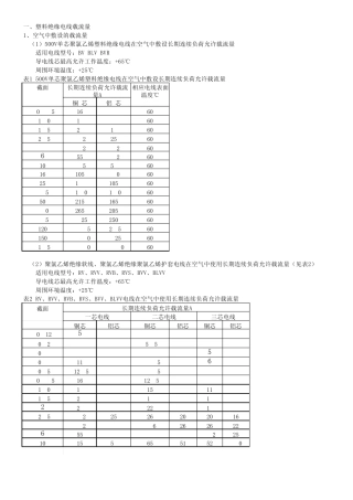
矿用橡套软电缆载流量 1、 矿用移动橡套软电缆 型号(Type):MY 额定电压(Rating Voltage):380/660V 芯数截面 Nom.cross section...
目录 一、课程设计目的 ............................................................................ 1 二、课程设计要求 ..........
皮托管测流速和文丘里流量计测流量
皮 托 管 流 量 测 量 装 置 安 装 使 用 说 明 书 CM (0 6 )渝制 0 0 0 0 0 3 3 1 重 庆 渝 润 仪 表...
电路设计中导线截面积与载流量的计算 一、一般铜导线载流量 导线的安全载流量是根据所允许的线芯最高温度、冷却条件、敷设条件来确定的。...
电缆载流量速查表
电缆有限公司技术部2014-10-21电缆载流量计算书1.载流量计算使用条件及必要系数:序号 项 目 单 位 数 据1电压U0/UkV64/1102频率fHz5...
电缆载流量数据表
电线电缆载流量计算 先估算负荷电流 1.用途 这是根据用电设备的功率(千瓦或千伏安)算出电流(安)的口诀。 电流的大小直接与功率有...
1 电缆载流量对照表和估算口诀 电缆载流量口决: 估算口诀: 二点五下乘以九,往上减一顺号走。 三十五乘三点五,双双成组减点五。 ...
最 全 电 缆 载 流 量 和 对 照 表 ( 值 得 收 藏 ) ! 铜 芯 线 的 压 降 与 其 电 阻 有 关 。 其 电...
线 径 的 选 择 导 线 的 载 流 量 与 导 线 截 面 有 关 , 也 与 导 线 的 材 料 、 型 号 、 敷 设 方...
截面mm铜 芯 铝 芯 0.75 1660 1.0 1960 1.5 241860 2.5 322560442326065542601075596016 105 806025 138 105 6035 170 1...

