国际铜业协会(中国) 全国建筑物电气装置标准化技术委员会 铜芯电线电缆载流量标准 前 言 本标准译自国际电工委员会建筑物电气装置第五...
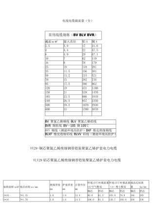
电线电缆载流量 常用线缆规格(BV BLV BVR) 截面m㎡ 最大直径 铝A 铜A 2.5 3.9 17 31.6 4 4.4 22 47.5 6 4.9 29 67.1...
非 铠 装VVVLVVY1.50.8751-442.50.88735862419997487619.51238611010110.917811616216112.1246146210251.214359202337351.215.3464246440...
电线电缆载流量表 常用线缆规格(BV BLV BVR) 截面m㎡ 最大直径 铝A 铜A 2.5 3.9 17 31.6 4 4.4 22 47.5 6 4.9 29 67....
型号:VV、VV22、VLV、YJV、YJV22、YJLV • 线芯材质:CU • 电压等级:中、低压电力电缆(35 千伏及以下) • 绝缘材料:塑料绝缘...
电线电缆载流量、电压降速查表
电线电缆载流量 一、YJV、YJLV 三芯电力电缆持续载流量(A) 敷设在隔热墙中的导管内0.6/1k v (导线工作温度90℃) 敷设在明敷的导管...
电线电缆载流量(铜芯,铝芯对照表)
电线电缆截面积与载流量的计算 一、一般铜导线载流量导线的安全载流量是根据所允许的线芯最高温度、冷却条件、敷设条件来确定的。一般铜导...
截面m㎡最大直径铝A铜A2.53.917 31.644.42247.564.92967.110762119168781792510118 2813511.5 1563815013.2 21552170152827349517.5 3...
电 梯 交 通 流 量 分 析 的 计 算 步 骤 第 一 步 , 估 算 建 筑 物 的 总 人 数 办 公 楼 : 8-12 平 ...
电力电缆载流量查询表 1、电缆与热力管道平行安装时应保持2m 的距离,交叉时应保持0.5m 。 2、电缆与其它管道平行或交叉安装时均要保持...
1 常用电力电缆载流量及电缆保护管选择表 目录 常用6kv电力电缆载流量 P1 VLV22-1 铝芯聚氯乙烯电力电缆载流量 P4 VV22-1 铜芯聚...
电线电缆载流量(全) 常用线缆规格(BV BLV BVR) 截面m ㎡ 最大直径 铝A 铜A 2.5 3.9 17 31.6 4 4.4 22 47.5 6 4.9 2...
电力电缆截面载流量对照表 电线电缆截流量的速算法 在供配电系统中,电线电缆的作用是传输电流,联络供电点(变电所或配电箱)与用电设备之间...
电力电缆截面载流量对照表 电线电缆截流量的速算法 在供配电系统中,电线电缆的作用是传输电流,联络供电点(变电所或配电箱)与用电设备之间...
1 电力电缆允许载流量 电力电缆安装注意事项 点击次数:1707 发布时间:2009-5-15 9:23:20 1、电缆与热力管道平行安装时应保持 2m ...
电力电缆允许载流量(YJV_VV)
线路型号 导线截面积 电压等级 是否电缆 是否绝缘 电阻 电抗 电纳 电导 最大热稳定电流 最大负载能力 BLX 25 10 否 是 0.5...
电信运营商的流量经营思考 进入3G时代以来,在通信网络上,随着3G爆发性增长和智能手机普及,移动互联网发展一日千里,流量猛增大大超前运...

