ICU的设置与管理郭发良随着医学的发展,ICU,特别是综合ICU,正在逐渐建立。ICU是一个危重病密集、病情多变、危象丛生的场所,也是急救知...
WebSphereApplicationServer使用以及参数设置IBM中间件基于传统应用服务器消息传送服务器基于Web应用服务器交易中间件核心业务CICS消息中间...
Vray中文版渲染参数设置1)首先确定需要渲染的图像尺寸大小,这里我们渲染一个比较大的图像,设置图像的宽度大小为3200,图像高度为2112.如...
北京市建设工程施工现场生活区设置和管理标准1总则1.0.1为加强建设工程施工现场生活区(以下简称生活区)管理,改善施工人员的生活条件,保...
绘图设置第3章绘图设置•3.1设置绘图单位与绘图界限•3.2图形显示•3.3对象捕捉•3.4自动追踪•3.5栅格捕捉设置•3.6正交命令•3.7图层与实...
表1DPtechSSLVPN和服务器访问设置指导书杭州迪普科技有限公司HangzhouDPTechTechnologiesCo.,Ltd版权所有侵权必究AllrightsreservedDPtec...
建筑识图与构造建筑识图与构造第17章变形缝建筑识图与构造建筑识图与构造•17.1变形缝的基本概念与设置原则•17.2变形缝的构造17变形缝建筑...
一、高位水箱有效容积规范条文临时高压消防给水系统的高位消防水箱的有效容积应满足初期火灾消防用水量的要求,并应符合下列规定:一类高层...
危废暂存间设置标准1.危险废物贮存间必须要密闭建设,门口内侧设立围堰,地面应做好硬化及“三防”措施。(防扬散、防流失、防渗漏)。2.危...
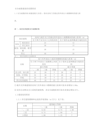
安全疏散通道的设置要求1.1安全疏散距离(或通道最大长度):指从房间门至最近的外部出口或楼梯间的最大距离。表一、高层民用建筑安全疏散距...
主讲:关越TEL:18955525770E-mail:guanyue.01@163.com变频器知识培训一.负载特性介绍1.恒转矩负载:负载转矩TL与转速n无关,任何转速下TL总...
VS2010调用Matlab2012b引擎最近需要把matlab和VS结合起来使用,初来乍到出现了很多的麻烦,网上的资料大都也是matlab较低一些版本的,经过...
一、灯光参数衰退:平方反比是最接近自然的一种类型(要求倍增值很大很大)默认线性即可影响漫反射,影响高光反射:是否激活灯光对于。。的...
转载一、各种常用材质的调整1、亮光木材:漫射:贴图反射:35灰高光:0.8亚光木材:漫射:贴图反射:35灰高光:0.8光泽(模糊):0.852、镜...
Win10系统启用ftp功能(配置)并添加用户访问也可设置多用户访问1、右键开始菜单,选择程序和功能2、进入程序和功能后,选择“启用或关闭wind...
VRay渲染设计第二讲Vray渲染器设置Content教学内容1VR_基项2VR_间接照明3VR_设置4RenderElements(渲染元素)5作业及小结学习要点1.了解Vra...
图层设置图层号图层内容1~20实体(SolidBodies)21~40草图(Sketchs)41~60曲线(Curves)61~80参考对象(ReferenceGeometries)81~100片体...
幼儿园设置标准幼儿园设置标准北京市幼儿园办园条件基本标准(一)北京市幼儿园工作人员配备基本标准1、北京市幼儿园教职工编制标准表(此...
RainmeterEVA蜂窝桌面设置2013-1-30整理雨滴(Rainmeter)官网的主程序下载地址:http://rainmeter.cn/cms/蜂窝主题制作者:XANCIEVA蜂窝皮肤...
Vary太阳光设置enabled开启与否选择invisible可见与否tubidity浑浊度.控制空气的清澈程度(2~20)浑浊的空气在光线穿过时空气中的微粒会使光...

