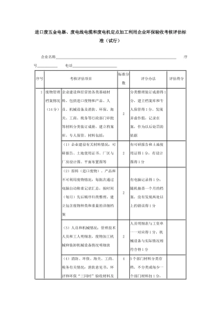
进口废五金电器、废电线电缆和废电机定点加工利用企业环保验收考核评估标准(试行) 企业名称 序号 电话 序号考核评估项目标准分数评分...
外贸进口合同范本外贸进口合同范本中英文对照买方:the buyer: 地址:address: 电话 (tel): 传真 (fax): 电子邮箱 (e-mail): 卖方...
国际贸易学名词解释 - 净进口贸易:国际之间有形产品和无形产品的交换。国际贸易:国家或地区之间有形产品和无形产品的交换活动。对外贸...
上海市建设工程监理有限公司上海市黄浦区 174 街坊【洛克· 外滩源】项目 6 号楼美丰洋行新建建筑外立面装饰监理规划编制审批页编制人...
进口一类医疗器械备案流程医疗器械注册要求根据《医疗器械监督管理条例》(国务院令第 650 号)的规定,对医疗器械按照风险程度实行分类...
口援助的 盈 余管理 件• 引言• 进口援助概述• 盈余管理概述• 进口援助与盈余管理的关系• 调查方法与数据分析• 调查结果与结...
(此文档为 word 格式,下载后您可任意编辑修改!)目录一 编制依据.....................................................................
意大利 维达莱(Vitale Barberis Canonico )西装面料本文关键字:维达莱,Vitale Barberis Canonico,VBC 面料 Vitale Barberis Can...
巴西淡水河谷公司作为一家领先的矿业公司,淡水河谷积极致力于发掘矿产资源并将其转换成人们日常生活的必要元素。淡水河谷是世界第二大矿业...
进口化妆品 wei 品牌总体策略课件CATALOGUE目录• 市场分析• 品牌定位• 产品策略• 营销策略• 渠道策略• 价格策略• 服务策略...
项目 9 进口跨境电商课件目录CONTENTS• 进口跨境电商概述• 进口跨境电商的运营模式• 进口跨境电商的物流解决方案• 进口跨境电商...
史上最全进口汽车标志大全A 奥迪简介奥古斯特· 霍希(august horch)是德国汽车工业的先驱者之一,也是奥迪公司的创始人。1899 年,霍...
. . 今天主要来和大家分享一下关于印度货物进口及进口清关流程。一、印度货物进口Cargos imported in India进口对于商人来讲和出口一...
南沙汽车平行进口发展情况介绍一、南沙汽车平行进口发展情况2015 年,南沙自贸试验片区获批汽车平行进口试点政策,开始试水汽车平行进口业...
附件 1进口饲料和饲料添加剂产品登记证目录(2020-04)商品名称产品类别适用范围生产厂家混合型饲料添加剂植酸酶(产自李氏木霉)FeedAdditi...
受理编号: 国食健申 J受理日期: 年 月 日进口保健食品注册申 请 表产品中文名称 国家食品药品监督管理局制填 表 说 明1、本表...
附件 4: 药品补充申请注册事项及申报资料要求 一、注册事项 (一)国家食品药品监督管理局审批的补充申请事项: 1.持有新药证书的药...
目 录1.队长岗位工作标准.................................................................12.技术员岗位工作标准.......................
乳清粉进口业务流程图文概述乳清粉进口业务流程概述乳清粉进口业务流程包括以下 8 个部分:采集信息,制定框架合同,制定计划,签订订单...
本期机会:进口葡萄酒来源:中国经营报-中国经营网 时间: 2011-01-08 10:28 作者:厉林 字体:大 中 小刚刚过去的 2009 年和 201...

