沥青路面雾封层抗滑与透水性能讨论沥青路面雾封层抗滑与透水性能讨论 摘要:由于雾封层所采纳改性乳化沥青,在其防水效果明显提高的情况下...
沥青路面裂缝修补技术裂缝修复技术是一种通过密封路面裂缝防止水渗入路面结构的技术,并且是减缓路面疾病的出现并延长路面使用寿命的有效手...
沥青路面裂缝处置方法1 前言由于沥青路面具有造价低、噪音小、行车舒适、施工快捷、维修方便等优越性,因而沥青路面得到了广泛得推广与应...
沥青路面监理细则作者: sunyong9603 查看次数: 308 发表时间: 2025/2/22 02:17 【论坛浏览】第一章 总则1、 监理实施细则的编制目...
沥青路面施工质量监理实施细则一、 沥青路面施工准备阶段质量监理(一)原材料审核沥青路面开工前要求承包人对沥青路面所选用的原材料,进...
沥青路面施工的养护沥青路面施工技术在需要对沥青混合料进行拌合过程中,需要将所需要使用的各种集料进行分别堆放,并进行必要的试验,然后...
沥青路面施工合同 我国高速公路沥青路面存在着较为严重的早期破坏问题,沥青路面施工质量的管理与控制水平较低是主要原因之一,签订沥青路...
海园一路(下沉隧道)市政工程沥青路面及附属工程监 理 细 则编制人: 审核人: 编制日期: 深圳市邦迪工程顾问有限公司目 录一、工...
沥青路面病害分析及处治措施沥青路面病害分析及处治措施 摘要:沥青路面常见的病害问题是道路工程的质量通病之一,本文主要就公路沥青路面...
沥青路面现场(xiànchǎng)施工总结 沥青路面现场(xiànchǎng) 施工总结 沥青砼路面(lùmiàn) 施工总结 2025 年 2 月 13-14 日...
沥青路面修复施工工艺1 沥青路面铣刨沥青路面铣刨用铣刨机进行。施工前先根据设计图纸确定铣刨范围,在实地放出铣刨线样,再根据需铣刨工程...
沥青路面常见病害成因分析及预防措施沥青路面常见病害成因分析及预防措施 摘 要:就沥青路面常见的几种病害类型进行简要的分析,并提出相...
施工组织设计1 材料要求1 材料:采纳石油沥青作为结合料,其性能应符合三大指标要求。石料采纳坚韧、无风化,清洁碎石或砾石作骨料,应具有...
第一章 编制依据及原则1、1 编制依据1.1.1 大广南高速公路LM02标段路面施工招标文件;1.1.2 《公路工程国内招标文件范本》;1.1.3...
沥青路面常见病害及养护维修技术讨论沥青路面常见病害及养护维修技术讨论 摘要:路面由面层、基层和垫层等路面结构组成,沥青可以作为胶结...
沥青路面养护施工技术初探沥青路面养护施工技术初探 摘要:本文作者结合实际工作经验,对公路沥青路面预防性养护技术作了分析介绍,供同行...
沥青砼路面工程安全生产保证措施鄂州市路桥工程公司实施日期:2025.3.1一、安全生产管理1、建立、建全安全生产保证体系本着生产必须安全的...
B13B13 工程监理实施细则监理实施细则 ( )内容提要:专业工程特点监理工作流程 监理工作控制目标及控制要点监理工作方法及措施 项目监...
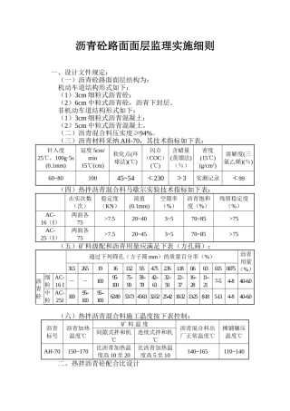
沥青砼路面面层监理实施细则 一、设计文件规定:(一)沥青砼路面面层结构为:机动车道结构形式如下:(1)3cm 细粒式沥青砼;(2)6cm ...
第一卷 沥青砼路面机械摊铺...........................................................................................................

