电脑桌面
添加小米粒文库到电脑桌面
安装后可以在桌面快捷访问

2024版测评报告计算过程VIP免费

2024版测评报告计算过程_第1页
1/10
2024版测评报告计算过程_第2页
2/10
2024版测评报告计算过程_第3页
3/10
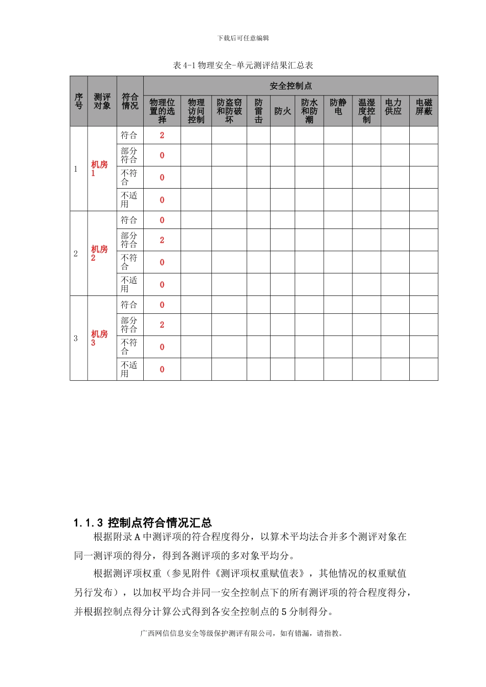
下载后可任意编辑1.1 物理安全1.1.1 结果记录 测评对象安全控制点测评指标结果记录符合程度机房 1物理位置的选择A 项).......机房位置合理5B 项).......机房无用水设施5物理访问控制…机房 2物理位置的选择A 项).......机房设置在顶楼4B 项).......机房有水管穿过,没有实行封闭措施。2物理访问控制…机房 3物理位置的选择A 项).......机房在办公大楼中层,办公大楼建筑年限过久,没有防震证明。3B 项).......机房有水管穿过,但已实行封闭措施。4物理访问控制…1.1.2 结果汇总针对不同安全控制点对单个测评对象在物理安全层面的单项测评结果进行汇总和统计。广西网信信息安全等级保护测评有限公司,如有错漏,请指教。下载后可任意编辑表 4-1 物理安全-单元测评结果汇总表序号测评对象符合情况安全控制点物理位置的选择物理访问控制防盗窃和防破坏防雷击防火防水和防潮防静电温湿度控制电力供应电磁屏蔽1机房1符合2部分符合0不符合0不适用02机房2符合0部分符合2不符合0不适用03机房3符合0部分符合2不符合0不适用01.1.3 控制点符合情况汇总根据附录 A 中测评项的符合程度得分,以算术平均法合并多个测评对象在同一测评项的得分,得到各测评项的多对象平均分。根据测评项权重(参见附件《测评项权重赋值表》,其他情况的权重赋值另行发布),以加权平均合并同一安全控制点下的所有测评项的符合程度得分,并根据控制点得分计算公式得到各安全控制点的 5 分制得分。广西网信信息安全等级保护测评有限公司,如有错漏,请指教。下载后可任意编辑控制点得分,n 为同一控制点下的测评项数,不含不适用的控制点和测评项。以表格形式汇总测评结果,表格以不同颜色对测评结果进行区分,部分符合(安全控制点得分在 0 分和 5 分之间,不等于 0 分或 5 分)的安全控制点采纳黄色标识,不符合(安全控制点得分为 0 分)的安全控制点采纳红色标识。表 4-* 单元测评结果分类统计表序号安全层面安全控制点安全控制点得分符合情况符合部分符合不符合不适用1物理物理位置的选择3.77√2物理访问控制3防盗窃和防破坏4防雷击序号控制点得分计算过程实例1三级“物理安全”-“物理位置选择”控制点有 AB 两个测评项,测评了三个机房,A 项得分分别为 5 、 4 、 3 , B 项分别得分是 5 、 2 、 4 。(见 4.1.1 章节) 控制点得分计算过程如下:1)计算各测评项的多对象平均分 A 项的多对象平均分=(5+4+3)/3=...

1、当您付费下载文档后,您只拥有了使用权限,并不意味着购买了版权,文档只能用于自身使用,不得用于其他商业用途(如 [转卖]进行直接盈利或[编辑后售卖]进行间接盈利)。
2、本站所有内容均由合作方或网友上传,本站不对文档的完整性、权威性及其观点立场正确性做任何保证或承诺!文档内容仅供研究参考,付费前请自行鉴别。
3、如文档内容存在违规,或者侵犯商业秘密、侵犯著作权等,请点击“违规举报”。

碎片内容

2024版测评报告计算过程

一二三四传媒+ 关注
实名认证
内容提供者

大量资料供您选择,没有合适的可以联系小二。

确认删除?
VIP
微信客服
  • 扫码咨询
会员Q群
  • 会员专属群点击这里加入QQ群
客服邮箱
回到顶部