电脑桌面
添加小米粒文库到电脑桌面
安装后可以在桌面快捷访问

48楼拆除工程专项方案VIP免费

48楼拆除工程专项方案_第1页
1/13
48楼拆除工程专项方案_第2页
2/13
48楼拆除工程专项方案_第3页
3/13
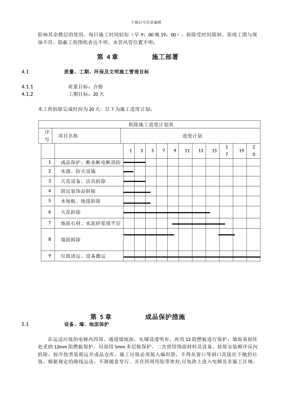
明宇金融广场工程 48 楼酒吧改造工程专项拆除施工方案编制单位:滨河广场 19F 装修工程华科项目部编 制 人:周赟审 核 人:郭侣新编制日期:2024 年 04第 1 章 编制依据1.1业主提供资料相关设计说明及图纸,周边的管线布置情况。1.2现场实际情况结合图纸对现场实际情况考察。第 2 章 工程概况2.1工程名称明宇金融广场工程 48 楼酒吧改造工程2.2工程地点四川省成都市锦江区东大街紫东楼段 35 号明宇金融广场2.3拆除内容及面积天花:轻钢龙骨石膏板、木饰面、不锈钢、石材;天花设备:空调风口、弱电电线电管、强电电线电管、喇叭、筒灯、装饰灯、水晶吊灯;墙面:木饰面、石材、玻璃、镜子、硬包、固定家具(木柜)、镜子、GRG 造型柱、门、门套、乳胶漆、瓷砖;地面:木地板、石材、地弹;总拆除面积约 1200 平方米; 2.4拆除工期计划施工时间:2024 年 4 月 1 日至 2024 年 4 月 20 日,共 20 日历天。具体时间以现场实际为准。第 3 章 特点及难点3.1本工程是改造拆除工程。施工面积大(地面投影面积:1200 平方米)、楼层高(48 楼)、本楼层厨房在施工作业中保持使用、其余部分临时停业,需大面积的做成品保护、施工过程中不能下载后可任意编辑影响其余楼层的使用、每日施工时间较短(早 9:00 晚 19:00),拆除受时间限制、原竣工图与现场不符,隐蔽工程图纸表达不明、水管风管位置不明;第 4 章 施工部署4.1质量、工期、环保及文明施工管理目标4.1.1质量目标:合格4.1.2工期目标:20 天本工程拆除完成时间为 20 天,以下为施工进度计划;拆除施工进度计划表序号项目名称进度计划135791113151719201成品保护、断水断电断消防2水源、防火设施3天花设备、洁具拆除4固定装饰品拆除5木地板、地毯拆除6天花拆除7地面石材、水泥砂浆找平层8墙面拆除9垃圾清运、设备搬运第 5 章 成品保护措施5.1设备、墙、地面保护在运送垃圾的电梯内四周、通道墙地面,先铺设透明布,再用 12 阻燃板进行保护,墙面易损坏处采纳 12mm 阻燃板保护,局部用 5mm 多层板保护。二次使用饰面材料及设备,按原安装顺序反向拆除,按序按类装箱运至成品仓库。施工垃圾必须装入编织袋,不得从窗口等洞口直接往下抛扔垃圾,根据规定的路线运送,不准随意穿行。并在四周用胶带密封,以免渣土进入电梯及非施工区域。下载后可任意编辑电梯严禁超载运行。 第 6 章 施工安排6.1施工前准备施工进场首先,在强电井切断...

1、当您付费下载文档后,您只拥有了使用权限,并不意味着购买了版权,文档只能用于自身使用,不得用于其他商业用途(如 [转卖]进行直接盈利或[编辑后售卖]进行间接盈利)。
2、本站所有内容均由合作方或网友上传,本站不对文档的完整性、权威性及其观点立场正确性做任何保证或承诺!文档内容仅供研究参考,付费前请自行鉴别。
3、如文档内容存在违规,或者侵犯商业秘密、侵犯著作权等,请点击“违规举报”。

碎片内容

48楼拆除工程专项方案

您可能关注的文档

确认删除?
VIP
微信客服
  • 扫码咨询
会员Q群
  • 会员专属群点击这里加入QQ群
客服邮箱
回到顶部