电脑桌面
添加小米粒文库到电脑桌面
安装后可以在桌面快捷访问

数控车床操作与编程实训指导书VIP免费

数控车床操作与编程实训指导书_第1页
1/15
数控车床操作与编程实训指导书_第2页
2/15
数控车床操作与编程实训指导书_第3页
3/15
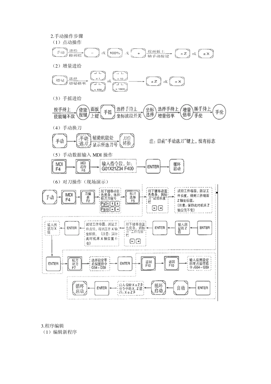
数 控 车 床 编 程 与 操 作 实 训 指 导 书 班级 学号 姓名 实训一 数控车床程序编辑及基本操作实验 一. 实训目的 1.了解数控车削的安全操作规程 2.掌握数控车床的基本操作及步骤 3.对操作者的有关要求 4.掌握数控车削加工中的基本操作技能 5.培养良好的职业道德 二. 实训内容 1.安全技术(课堂讲述) 2.数控车床的操作面板与控制面板(现场演示) 3.数控车床的基本操作 ①数控车床的启动和停止:启动和停止的过程 ②数控车床的手动操作:手动操作回参考点、手动连续进给、增量进给、手轮进给 ③数控车床的MDI 运行:MDI 的运行步骤 ④数控车床的程序和管理 ⑤加工程序的输入练习 三. 实训设备 CK6230 数控车床 14 台 四. 实训步骤 1. 开机、关机、急停、复位、回机床参考点、超程解除操作步骤 ⑴机床的启动 (2)关机操作步骤 (3)回零(ZERO) (4)急停、复位 (5)超程解除步骤 2.手动操作步骤 (1)点动操作 (2)增量进给 (3)手摇进给 (4)手动换刀 (5)手动数据输入 M DI 操作 (6)对刀操作(现场演示) 3.程序编辑 (1)编辑新程序 (2 )选择已编辑程序 4 .程序的存储与传递 (1 )保存程序 (2 )文件另存 (3 )拷贝文件 (4 )删除文件 5 .程序运行 (1 )程序模拟运行 (2 )程序的单段运行 (3 )程序自动运行 6 .数据设置 (1 )刀偏数据设置 (2 )刀补数据设置 (3 )零点偏置数据设定 (4 )显示设置 (5 )工作图形显示 §3.1.3 数控车床菜单机构 五. 注意事项 1.操作数控车床时应确保安全。包括人身和设备的安全 2.禁止多人同时操作机床 3.禁止让机床在同一方向连续“超程” 六. 实训思考题 1.简述数控车床的安全操作规程. 2.机床回零的主要作用是什么? 3.机床的开启、运行、停止有那些注意事项? 4.写出对刀操作的详细步骤。 七.实训报告要求 实训报告实际上就是实训的总结。对所学的知识、所接触的机床、所操作的内容加以归纳、总结、提高。 1. 实训目的 2. 实训设备 3. 实训内容 4. 分析总结在数控车床上进行启动、停止、手动操作、程序的编辑和管理及 M DI 运行的步骤。 实训二 数控车床零件程序编制及模拟加工实训 一. 实训目的 1.熟练掌握数控车床操作面板上各个按键的功用及其使用方法。 2.掌握子程序M98、M99、C、R倒角在程序编制中的应用。 3.掌握G02、G03 指令与G01、...

1、当您付费下载文档后,您只拥有了使用权限,并不意味着购买了版权,文档只能用于自身使用,不得用于其他商业用途(如 [转卖]进行直接盈利或[编辑后售卖]进行间接盈利)。
2、本站所有内容均由合作方或网友上传,本站不对文档的完整性、权威性及其观点立场正确性做任何保证或承诺!文档内容仅供研究参考,付费前请自行鉴别。
3、如文档内容存在违规,或者侵犯商业秘密、侵犯著作权等,请点击“违规举报”。

碎片内容

数控车床操作与编程实训指导书

您可能关注的文档

确认删除?
VIP
微信客服
  • 扫码咨询
会员Q群
  • 会员专属群点击这里加入QQ群
客服邮箱
回到顶部