电脑桌面
添加小米粒文库到电脑桌面
安装后可以在桌面快捷访问

海尚HS100说明书VIP专享VIP免费

海尚HS100说明书_第1页
1/17
海尚HS100说明书_第2页
2/17
海尚HS100说明书_第3页
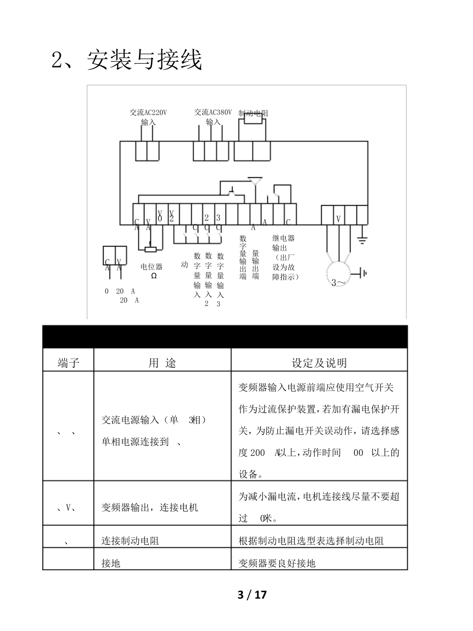
3/17
1 / 17 2RI20140401-1.0 版本A 中 文 起始日期: 2014 年 5 月 1 日 资料编号: HS-BP-H01 HS100 使用说明书 小型通用型变频器 型 号:HS100-□□□ 230V 级 0.75KW – 2.2KW 440V 级 0.75KW – 7.5KW ■ 请仔细阅读本说明书,理解各项内容,以便正确安装使用。 ■ 请将本说明书交给最终用户手中,并妥善保存。 ■ 本产品技术规范可能发生变化,恕不另行通知。 2 / 17 1、技术数据 变频器额定数据 型 号 额定功率 输入电源 输出电流 外形尺寸 A ① A ② 长 *宽 *高(mm) HS100-0.75G2 0.75KW 单相交流 220V-240V 50Hz/60Hz 4 3.7 150*115*150 HS100-1.5G2 1.5KW 7 6.4 150*115*150 HS100-2.2G2 2.2KW 9.5 8.7 150*115*150 HS100-0.75G3 0.75KW 三相交流 360V-440V 50Hz/60Hz 2.5 2.3 150*115*150 HS100-1.5G3 1.5KW 4.1 3.8 150*115*150 HS100-2.2G3 2.2KW 5.8 5.3 150*115*150 HS100-4.0G3 4KW 9.4 8.6 270*162*160 HS100-5.5G3 5.5KW 12.6 11.6 270*162*160 HS100-7.5G3 7.5KW 16.1 14.8 270*162*160 注:① 额定电压下, 斩波频率为 4,6,8kHz 时 ② 额定电压下, 斩波频率为 10kHz 时 制动电阻选型 型 号 额定功率 输入电源 制动电阻功率 制动电阻阻值 HS100-0.75G2 0.75KW 单相交流 220V-240V 50Hz/60Hz 100 W 200 Ω HS100-1.5G2 1.5KW 300 W 100 Ω HS100-2.2G2 2.2KW 300 W 75 Ω HS100-0.75G3 0.75KW 三相交流 360V-440V 50Hz/60Hz 80 W 750 Ω HS100-1.5G3 1.5KW 300 W 400 Ω HS100-2.2G3 2.2KW 300 W 250 Ω HS100-4.0G3 4KW 400 W 150 Ω HS100-5.5G3 5.5KW 500 W 100 Ω HS100-7.5G3 7.5KW 1000 W 75 Ω 3 / 17 2、安装与接线 接线端子用途说明 端子 用 途 设定及说明 R、S、T 交流电源输入(单/3相) 单相电源连接到 R、S 变频器输入电源前端应使用空气开关作为过流保护装置,若加有漏电保护开关,为防止漏电开关误动作,请选择感度 200mA以上,动作时间 100ms以上的设备。 U、V、W 变频器输出,连接电机 为减小漏电流,电机连接线尽量不要超过 50米。 P、B 连接制动电阻 根据制动电阻选型表选择制动电阻 PE 接地 变频器要良好接地 ACMAVI+10V+12VON CE1CE2CE3DO AO RA RB RCU V WPER SPB继电器输出...

1、当您付费下载文档后,您只拥有了使用权限,并不意味着购买了版权,文档只能用于自身使用,不得用于其他商业用途(如 [转卖]进行直接盈利或[编辑后售卖]进行间接盈利)。
2、本站所有内容均由合作方或网友上传,本站不对文档的完整性、权威性及其观点立场正确性做任何保证或承诺!文档内容仅供研究参考,付费前请自行鉴别。
3、如文档内容存在违规,或者侵犯商业秘密、侵犯著作权等,请点击“违规举报”。

碎片内容

海尚HS100说明书

确认删除?
VIP
微信客服
  • 扫码咨询
会员Q群
  • 会员专属群点击这里加入QQ群
客服邮箱
回到顶部