电脑桌面
添加小米粒文库到电脑桌面
安装后可以在桌面快捷访问

99-104实验室管理制度VIP免费

99-104实验室管理制度_第1页
1/6
99-104实验室管理制度_第2页
2/6
99-104实验室管理制度_第3页
3/6
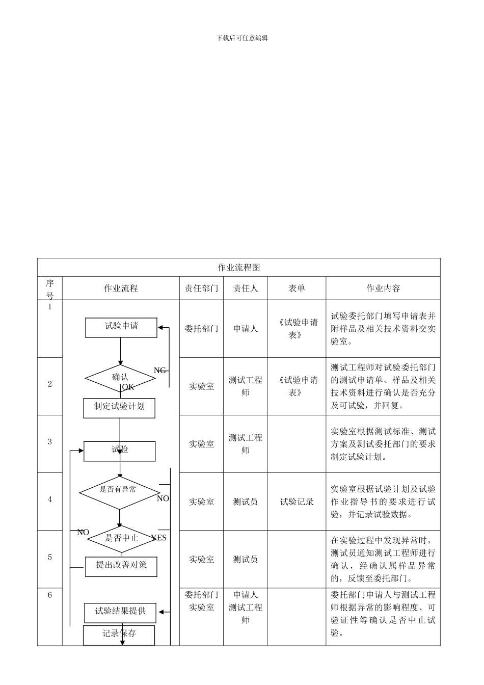
下载后可任意编辑实验室管理制度作业流程图序号作业流程 责任部门责任人表单作业内容1 委托部门申请人《试验申请表》试验委托部门填写申请表并附样品及相关技术资料交实验室。2实验室测试工程师《试验申请表》测试工程师对试验委托部门的测试申请单、样品及相关技术资料进行确认是否充分及可试验,并回复。3实验室测试工程师实验室根据测试标准、测试方案及测试委托部门的要求制定试验计划。4实验室测试员试验记录实验室根据试验计划及试验作业指导书的要求进行试验,并记录试验数据。5实验室测试员在实验过程中发现异常时,测试员通知测试工程师进行确认,经确认属样品异常的,反馈至委托部门。6委托部门实验室申请人测试工程师委托部门申请人与测试工程师根据异常的影响程度、可验证性等确认是否中止试验。试验申请记录保存确认制定试验计划是否中止试验提出改善对策OKNGYESNO是否有异常试验结果提供NO下载后可任意编辑7委托部门责任人测试委托部门主导对测试中发现的异常现象进行改善。8实验室测试工程师《产品测试报告》试验结束后,实验室整理试验报告,经部门负责人确认后,发给委托部门。9实验室测试工程师产品试验原始报告等由实验室保存。1、目的评价和确认产品在各种条件下(运输、保存、使用、废弃)满足产品规格要求,提高产品质量 ,减少在市场上出现不良的可能性。2、适用范围公司所有产品、零部件或客户委托的产品、零部件。3、职责3.1 研发部3.1.1 根据产品设计与开发作业流程,委托实验室在开发阶段实施确认试验。3.1.2 在产品量产阶段,为保证产品质量委托实验室进行产品试验。3.1.3 在委托的产品进行试验时,如产品评价需要支援时,应给予积极的协助;3.1.4 对在试验进行中出现的问题,应立即实行措施,并进行改进跟踪;3.1.5 把评价试验所必需的所有产品技术资料等提供给实验室,以避开出现试验失误及结果分析偏差;3.1.6 为提高试验的可靠性,必要时可安排 1 名以上研发责任人参加试验;3.2 实验室3.2.1 各个开发阶段,对新产品实施评价试验;3.2.2 根据公司生产和质量保证要求,对量产产品进行试验;3.2.3 根据各评价项目,确定试验所需试样数目(在研发进行自我评价阶段确定试验计划);3.2.4 对试验时出现的问题,按《产品测试报告》格式,积极反馈到研发部门,必要时,召开会议,为制定改善对策进行督促和支援;3.2.5 制定《试验周报、月报》并通报给研发部,支援研发部对问题及不良原因制定改善对策;...

1、当您付费下载文档后,您只拥有了使用权限,并不意味着购买了版权,文档只能用于自身使用,不得用于其他商业用途(如 [转卖]进行直接盈利或[编辑后售卖]进行间接盈利)。
2、本站所有内容均由合作方或网友上传,本站不对文档的完整性、权威性及其观点立场正确性做任何保证或承诺!文档内容仅供研究参考,付费前请自行鉴别。
3、如文档内容存在违规,或者侵犯商业秘密、侵犯著作权等,请点击“违规举报”。

碎片内容

99-104实验室管理制度

您可能关注的文档

确认删除?
VIP
微信客服
  • 扫码咨询
会员Q群
  • 会员专属群点击这里加入QQ群
客服邮箱
回到顶部