电脑桌面
添加小米粒文库到电脑桌面
安装后可以在桌面快捷访问

温度传感器标准VIP专享VIP免费

温度传感器标准_第1页
1/12
温度传感器标准_第2页
2/12
温度传感器标准_第3页
3/12
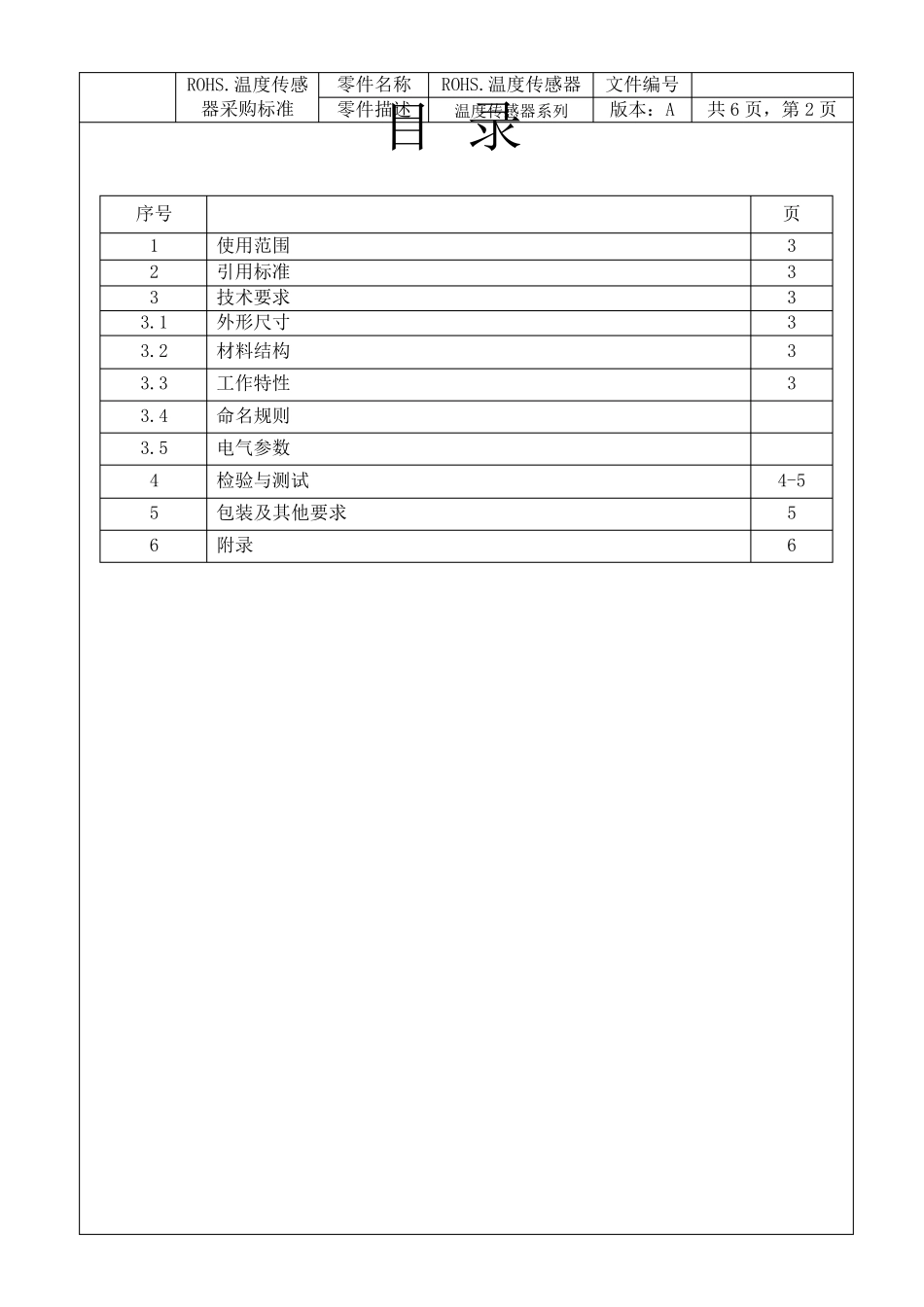
文件编号 发文日期 ROSH.温度传感器标准 页数:共 6 页 版本:A 版 零件名称:ROHS.温度传感器 零件描述:温度传感器系列 ROHS.温度传感器采购标准 零件名称 ROHS.温度传感器 文件编号 零件描述 温度传感器系列 版本:A 共6 页,第1 页 更改页 序号 更改内容 供应商库存是否能消耗 修改人 修改时间 执行时间 ROHS.温度传感器采购标准 零件名称 ROHS.温度传感器 文件编号 零件描述 温度传感器系列 版本:A 共6 页,第2 页 目录 序号 页 1 使用范围 3 2 引用标准 3 3 技术要求 3 3.1 外形尺寸 3 3.2 材料结构 3 3.3 工作特性 3 3.4 命名规则 3.5 电气参数 4 检验与测试 4-5 5 包装及其他要求 5 6 附录 6 ROHS.温度传感器采购标准 零件名称 ROHS.温度传感器 文件编号 零件描述 温度传感器系列 版本:A 共6 页,第3 页 1 适用范围 本标准规定了ROHS.R(25℃)=50KΩ±1%, B25℃/50℃=3950 系列温度传感器外形、材质、机械参数、电气参数、检验与测试、包装、贮存等要求。 2 引用标准 研发电路设计需要。 3 技术要求 3.1 温度传感器外形结构尺寸 单位:mm 3.2 材料结构尺寸 物料编码 A B C D XH 端子颜色 30±3mm 25 mm 435±5 mm 525±10 mm 白色 30±3mm 25 mm 1110±10 mm 1200±10 mm 红色 30±3mm 25 mm 435±5 mm 525±10 mm 红色 30±3mm 25 mm 660±10 mm 750±10 mm 红色 30±3 mm 25 mm 935±10 mm 1025±10 mm 白色 序号 名称 材质/规格 备注 1 负温度系数热敏电阻 R25=50K,B3950 误差精度:±1% 2 金属外壳 ф5×25mm铜镀镍 一端封闭,一端用黑色环氧树脂密封 3 导线 24AWG 铁氟龙线(黑色) 耐温:200℃ 4 白色黄蜡管 ф2.5 —— 5 黑色热缩套管 ф3*30mm 6 端子 XH-2P —— 3.3 工作特性 3.4 命名规则 例如:英文标号的简写 + 长度和插头型号及颜色+ 零功率电阻+B 值+ 长度 温度传感器(ROHS) TS-XH (白-2P)-503-3950-525MM 3.5 电气参数 测试项目 参数要求 测试条件 零功率电阻 R(25℃) = 50KΩ±1% 1、 测试温度要求25℃±0.1%,测试仪表精度≤±0.2%; 2、 质量特性:B 级; 3、 抽样水平:20 个; B 值 B25/50 = 3950±1% 1、 测试温度要求25℃±0.1%,50℃±0.1%,测试仪表精度 ≤±0.2%; 2、 B=Ln(R25/R5...

1、当您付费下载文档后,您只拥有了使用权限,并不意味着购买了版权,文档只能用于自身使用,不得用于其他商业用途(如 [转卖]进行直接盈利或[编辑后售卖]进行间接盈利)。
2、本站所有内容均由合作方或网友上传,本站不对文档的完整性、权威性及其观点立场正确性做任何保证或承诺!文档内容仅供研究参考,付费前请自行鉴别。
3、如文档内容存在违规,或者侵犯商业秘密、侵犯著作权等,请点击“违规举报”。

碎片内容

温度传感器标准

确认删除?
VIP
微信客服
  • 扫码咨询
会员Q群
  • 会员专属群点击这里加入QQ群
客服邮箱
回到顶部