电脑桌面
添加小米粒文库到电脑桌面
安装后可以在桌面快捷访问

精度—余量—切削用量VIP免费

精度—余量—切削用量_第1页
1/21
精度—余量—切削用量_第2页
2/21
精度—余量—切削用量_第3页
3/21
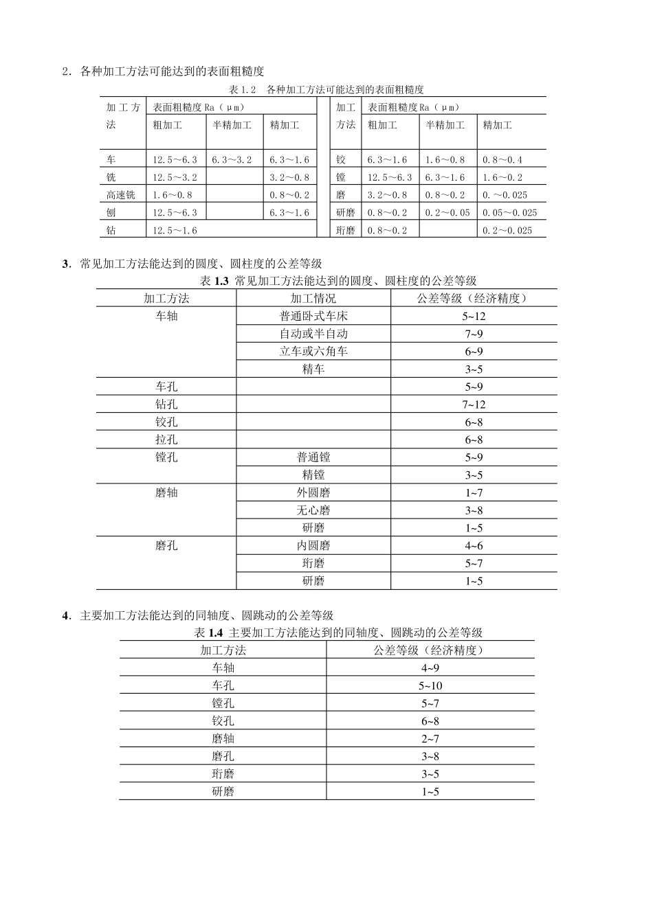
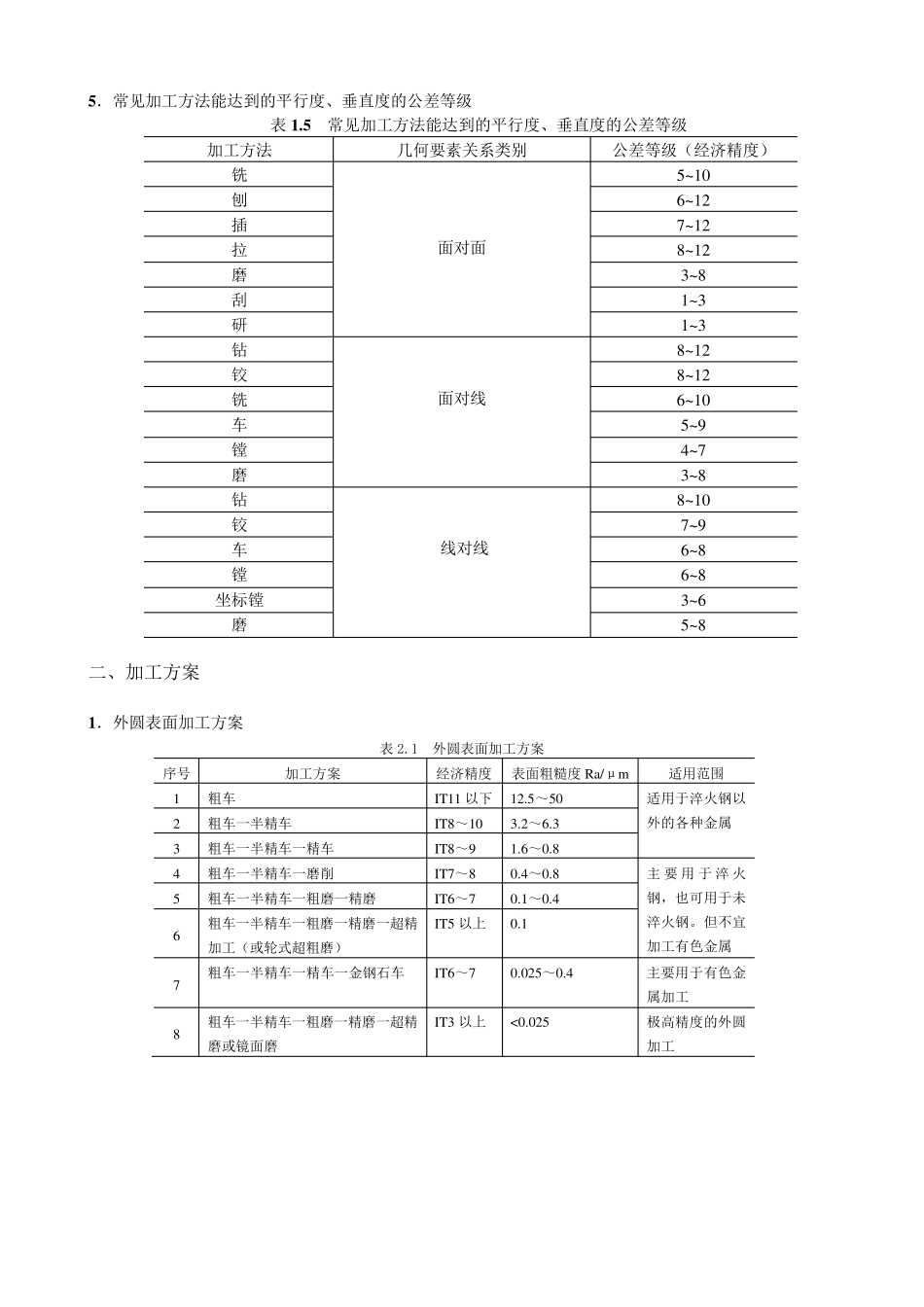
一、经济加工精度 1.加工方法与公差等级的关系 表 1.1 加工方法与公差等级的关系 加工方法 公差等级 IT 01 0 1 2 3 4 5 6 7 8 9 10 11 12 13 14 15 16 17 18 精 研磨 细 研磨 粗 研磨 终 珩磨 初 珩磨 精磨 细磨 粗磨 圆磨 平磨 金 刚石 车削 金 刚石 镗孔 精铰 粗铰 精铣 粗铣 精车/精刨/精镗 粗车/粗刨/粗镗 插削 钻削 锻造 砂 型铸造 2.各种加工方法可能达到的表面粗糙度 表1.2 各种加工方法可能达到的表面粗糙度 加工方法 表面粗糙度Ra(μm) 加工方法 表面粗糙度Ra(μm) 粗加工 半精加工 精加工 粗加工 半精加工 精加工 车 12.5~6.3 6.3~3.2 6.3~1.6 铰 6.3~1.6 1.6~0.8 0.8~0.4 铣 12.5~3.2 3.2~0.8 镗 12.5~6.3 6.3~1.6 1.6~0.2 高速铣 1.6~0.8 0.8~0.2 磨 3.2~0.8 0.8~0.2 0.~0.025 刨 12.5~6.3 6.3~1.6 研磨 0.8~0.2 0.2~0.05 0.05~0.025 钻 12.5~1.6 珩磨 0.8~0.2 0.2~0.025 3 .常见加工方法能达到的圆度、圆柱度的公差等级 表1 .3 常见加工方法能达到的圆度、圆柱度的公差等级 加工方法 加工情况 公差等级(经济精度) 车轴 普通卧式车床 5~12 自动或半自动 7~9 立车或六角车 6~9 精车 3~5 车孔 5~9 钻孔 7~12 铰孔 6~8 拉孔 6~8 镗孔 普通镗 5~9 精镗 3~5 磨轴 外圆磨 1~7 无心磨 3~8 研磨 1~5 磨孔 内圆磨 4~6 珩磨 5~7 研磨 1~5 4 .主要加工方法能达到的同轴度、圆跳动的公差等级 表1 .4 主要加工方法能达到的同轴度、圆跳动的公差等级 加工方法 公差等级(经济精度) 车轴 4~9 车孔 5~10 镗孔 5~7 铰孔 6~8 磨轴 2~7 磨孔 3~8 珩磨 3~5 研磨 1~5 5 .常见加工方法能达到的平行度、垂直度的公差等级 表1 .5 常见加工方法能达到的平行度、垂直度的公差等级 加工方法 几何要素关系类别 公差等级(经济精度) 铣 面对面 5~10 刨 6~12 插 7~12 拉 8~12 磨 3~8 刮 1~3 研 1~3 钻 面对线 8~12 铰 8~12 铣 6~10 车 5~9 镗 4~7 磨 3~8 钻 线对线 8~10 铰 7~9 车 6~8 镗 6~8 坐标镗 3~6 磨 5~8 二、加工方案 1 .外圆表面加工方案 表2.1 外圆表面加工方案 序号 加工方案 经济精度 表面粗糙度Ra/μm 适用范围 1 粗车 IT11 以下 12.5~50 适用于淬火钢以外...

1、当您付费下载文档后,您只拥有了使用权限,并不意味着购买了版权,文档只能用于自身使用,不得用于其他商业用途(如 [转卖]进行直接盈利或[编辑后售卖]进行间接盈利)。
2、本站所有内容均由合作方或网友上传,本站不对文档的完整性、权威性及其观点立场正确性做任何保证或承诺!文档内容仅供研究参考,付费前请自行鉴别。
3、如文档内容存在违规,或者侵犯商业秘密、侵犯著作权等,请点击“违规举报”。

碎片内容

精度—余量—切削用量

您可能关注的文档

确认删除?
VIP
微信客服
  • 扫码咨询
会员Q群
  • 会员专属群点击这里加入QQ群
客服邮箱
回到顶部